| 查看: 1619 | 回复: 10 | ||
[求助]
请问大家这是什么金像组织?哪位金像高手认得已有2人参与
|
|
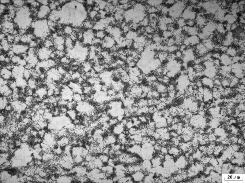
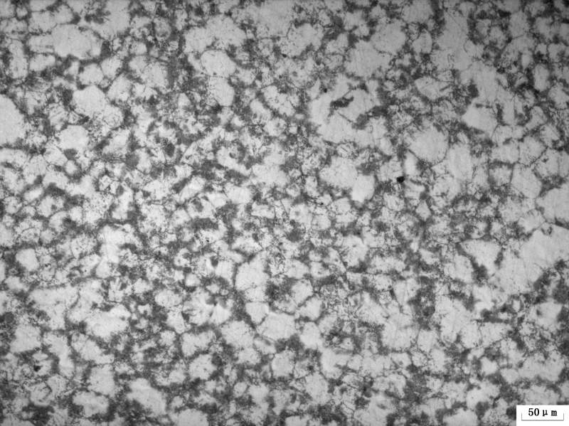
钢的碳含量0.3,Cr和Ni较高。模拟等温和连续转变,分别得到不同的组织形貌,本人认为,一个是马氏体和贝氏体,另一个是铁素体和珠光体,但是我的同学却不这么认为,大家认为是什么组织? 铁素体和? 铁素体和? 马氏体和贝氏体 |
» 猜你喜欢
到新单位后,换了新的研究方向,没有团队,持续积累2区以上论文,能申请到面上吗
已经有7人回复
申请2026年博士
已经有5人回复
天津工业大学郑柳春团队欢迎化学化工、高分子化学或有机合成方向的博士生和硕士生加入
已经有5人回复
寻求一种能扛住强氧化性腐蚀性的容器密封件
已经有6人回复
2025冷门绝学什么时候出结果
已经有7人回复
请问有评职称,把科研教学业绩算分排序的高校吗
已经有6人回复
Bioresource Technology期刊,第一次返修的时候被退回好几次了
已经有7人回复
请问哪里可以有青B申请的本子可以借鉴一下。
已经有4人回复
请问下大家为什么这个铃木偶联几乎不反应呢
已经有5人回复
康复大学泰山学者周祺惠团队招收博士研究生
已经有6人回复
» 本主题相关价值贴推荐,对您同样有帮助:
金像显微镜的彩色成像模式的原理是什么
已经有3人回复
【求助】金像照片照成这个样子能改的好看一点么?
已经有47人回复
【求助】请问AA3003铝合金的金像组织大家一般用什么腐蚀液腐蚀呢
已经有4人回复

晓梦夕
木虫 (小有名气)
- 应助: 3 (幼儿园)
- 金币: 2835.4
- 散金: 28
- 红花: 2
- 帖子: 95
- 在线: 52.3小时
- 虫号: 2730044
- 注册: 2013-10-16
- 专业: 金属材料的合金相、相变及
2楼2014-02-26 21:23:12

3楼2014-02-27 10:00:38
4楼2014-02-27 12:01:56
《草原的风》
至尊木虫 (职业作家)
- 应助: 854 (博后)
- 金币: 17098.8
- 红花: 102
- 帖子: 3285
- 在线: 958.3小时
- 虫号: 2536060
- 注册: 2013-07-07
- 性别: GG
- 专业: 金属结构材料

5楼2014-02-27 12:57:08

6楼2014-02-27 13:48:34

7楼2014-02-27 13:59:30
8楼2014-02-27 15:03:12

9楼2014-02-27 15:32:01
《草原的风》
至尊木虫 (职业作家)
- 应助: 854 (博后)
- 金币: 17098.8
- 红花: 102
- 帖子: 3285
- 在线: 958.3小时
- 虫号: 2536060
- 注册: 2013-07-07
- 性别: GG
- 专业: 金属结构材料
【答案】应助回帖
|
个人看法仅供参考。 30CrNi是低合金亚共析钢,经过奥氏体化后,进入650度进行等温40小时,珠光体转变已经肯定完全完成,这个时候哪怕是水淬,也只是加快试样冷速,而不能够改变组织,所以转变的组织产物是珠光体无疑,可是由于等温温度为650度,范围介于珠光体和细珠光体(过去的所谓索氏体)之间,由于转变时间40小时,转变比较充分,所以在发生共析转变前的先共析转变生成铁素体无疑,之后发生共析转变生成珠光体。从组织上面看,白色的就是铁素体(如果能够打个显微硬度,就更好的可以确定这一点)黑灰色的是珠光体,虽然看不清楚,也可以根据理论分析确定是珠光体,至于似乎显示出针状的样子,我怀疑是不是有一部分由于等温后冷速过快而形成的魏氏组织啊? |

10楼2014-02-27 19:56:23













回复此楼