| ²é¿´: 479 | »Ø¸´: 1 | |
ÇØ´¨ººÑôгæ (СÓÐÃûÆø)
|
[ÇóÖú]
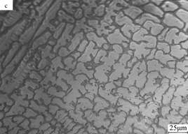
Çó·ÖÎö45¸ÖÉÏÅ纸Co50·ÛÄ©×éÖ¯ÊÇɶÇé¿ö£¿
|
|
|
|
bfhyhanhanÌú³æ (³õÈëÎÄ̳)
|
|
|
2Â¥2014-05-12 20:17:02
|
|













»Ø¸´´ËÂ¥