| 查看: 821 | 回复: 1 | |
speed9393铜虫 (小有名气)
|
[求助]
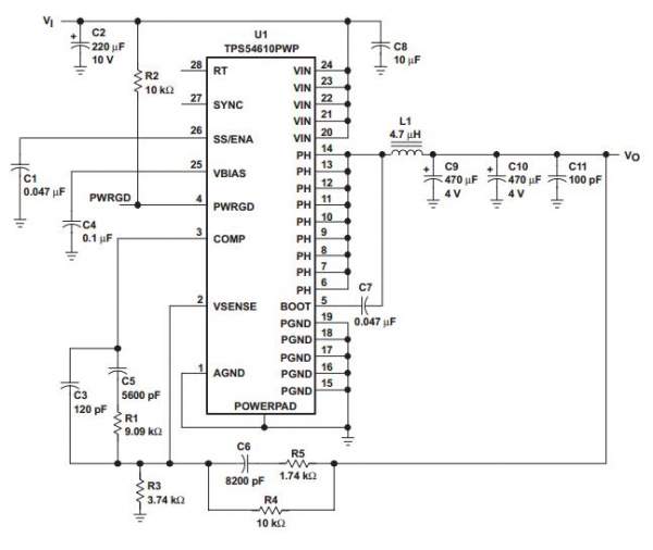
TPS54610电路设计 已有1人参与
|
![]() |
|
|
|
|
xibeidedaxia木虫 (小有名气)
|
|
![]() |
|
|
2楼2014-01-02 08:29:05
|
|













回复此楼