| ²é¿´: 834 | »Ø¸´: 2 | ||
Âܲ·1117гæ (³õÈëÎÄ̳)
|
[½»Á÷]
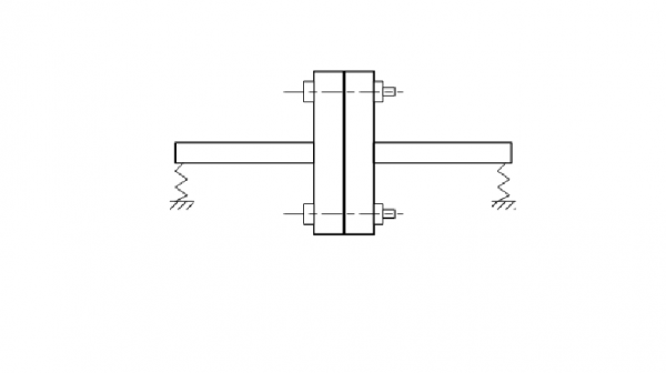
ÇëÎÊÔ¤½ôÁ¦¶Ôת×ÓÁÙ½çתËÙÓ°Ïì´óÂð? ÒÑÓÐ1È˲ÎÓë
|
Âܲ·1117
гæ (³õÈëÎÄ̳)
- Ó¦Öú: 0 (Ó×¶ùÔ°)
- ½ð±Ò: 66.5
- ºì»¨: 1
- Ìû×Ó: 38
- ÔÚÏß: 9.1Сʱ
- ³æºÅ: 2254978
- ×¢²á: 2013-01-22
- רҵ: »úе¶¯Á¦Ñ§
2Â¥2013-11-11 09:47:17
yby1111
Ìú¸Ëľ³æ (ÖøÃûдÊÖ)
- Ó¦Öú: 0 (Ó×¶ùÔ°)
- ½ð±Ò: 8531.6
- É¢½ð: 200
- ºì»¨: 2
- Ìû×Ó: 1211
- ÔÚÏß: 73.4Сʱ
- ³æºÅ: 3257848
- ×¢²á: 2014-06-05
- ÐÔ±ð: GG
- רҵ: ´«¶¯»úеѧ

3Â¥2014-06-09 21:33:57














»Ø¸´´ËÂ¥