| ²é¿´: 329 | »Ø¸´: 1 | |||
hacoгæ (³õÈëÎÄ̳)
|
[½»Á÷]
¸ô°åËþ»ØÊÕÒÒ¶þ´¼ ÒÑÓÐ1È˲ÎÓë
|
|
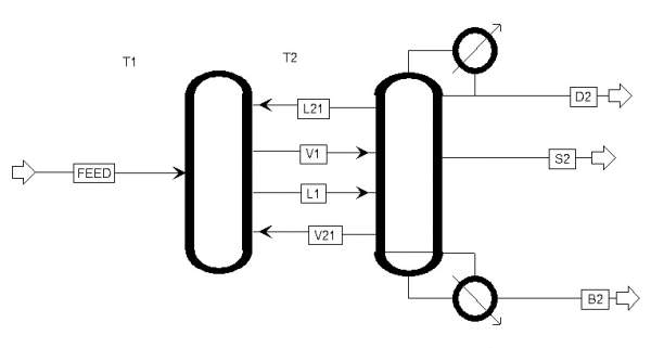
²ÉÓÃ1Ö§ÀäÄýÆ÷ºÍ1Ö§ÔÙ·ÐÆ÷µÄ¸ô°åËþ£¬³É¹¦µØÊ¹Ë®-ÒÒ¶þ´¼-¶þÒÒ¶þ´¼ÈýÔªÌåϵµÃÒÑ·ÖÀë¡£ ²úÆ·´¿¶È£º Ë®£º>99wt%£» ÒÒ¶þ´¼£º>99.5wt%£» ¶þÒÒ¶þ´¼£º>99wt%¡£ eg1.jpg eg2.jpg |
» ²ÂÄãϲ»¶
Î人¸ßУӦÓû¯Ñ§/»·¾³²ÄÁÏ·½ÏòÕÐÊÕµ÷¼Á
ÒѾÓÐ0È˻ظ´
ÓÐûÓÐ×ö°Ë±½»ùÈ¡´úÁýÐα¶°ë¹èÑõÍéºÏ³ÉµÄ
ÒѾÓÐ0È˻ظ´
ÎïÀí»¯Ñ§ÂÛÎÄÈóÉ«/·ÒëÔõôÊÕ·Ñ?
ÒѾÓÐ143È˻ظ´
²ÄÁÏÓ뻯¹¤×¨Ë¶£¨²ÄÁϹ¤³Ì£©Óе÷¼ÁÃû¶î
ÒѾÓÐ1È˻ظ´
301·ÖÇóµ÷¼Á£¬¼ÆËã»úר˶
ÒѾÓÐ6È˻ظ´
ÈýÏ¿´óѧ²ÄÁÏÓ뻯¹¤Ñ§Ôº£¬¾«Ï¸»¯¹¤¡¢Ó«¹â´«¸Ð¡¢½á¹¹É«²ÄÁÏ¡¢ÄÉÃײÄÁÏ·½ÏòÕÐÊÕ˶ʿµ÷¼Á
ÒѾÓÐ0È˻ظ´
½Î÷ʦ·¶´óѧºú¹ú»ªÔºÊ¿ÍŶÓ2026Ä격ʿÕÐÉú-²ÄÁÏ»¯Ñ§·½Ïò
ÒѾÓÐ0È˻ظ´
Ó¢Óï
ÒѾÓÐ2È˻ظ´
³ÏÕл¯Ñ§¡¢²ÄÁÏ¡¢»·¾³Ààµ÷¼ÁÉú£¬×¨Ë¶Ñ§Ë¶¾ù¿É
ÒѾÓÐ0È˻ظ´
³ÏÕл¯Ñ§¡¢²ÄÁÏ¡¢»·¾³Ààµ÷¼ÁÉú£¬×¨Ë¶Ñ§Ë¶¾ù¿É
ÒѾÓÐ0È˻ظ´
±¾ÈËÕÐÊÕ˶ʿµ÷¼Á¿¼ÉúÊýÃû
ÒѾÓÐ10È˻ظ´
» ±¾Ö÷ÌâÏà¹Ø¼ÛÖµÌùÍÆ¼ö£¬¶ÔÄúͬÑùÓаïÖú:
¾ÛÒÒ¶þ´¼6000ÎüË®±äÈÜÒººó¿ÉÒÔÓö³¸É»ú¶³¸Éºó»ØÊÕÀûÓÃÂð£¿
ÒѾÓÐ3È˻ظ´

¶«Ý¸»ªêÅ
гæ (СÓÐÃûÆø)
- Ó¦Öú: 15 (СѧÉú)
- ½ð±Ò: 30.5
- ºì»¨: 2
- Ìû×Ó: 132
- ÔÚÏß: 16.1Сʱ
- ³æºÅ: 2414482
- ×¢²á: 2013-04-12
- ÐÔ±ð: GG
- רҵ: Ï𽺼°µ¯ÐÔÌå
2Â¥2013-10-30 22:06:31














»Ø¸´´ËÂ¥
5