| ²é¿´: 952 | »Ø¸´: 3 | |||
ÌÀǧÇïгæ (³õÈëÎÄ̳)
|
[½»Á÷]
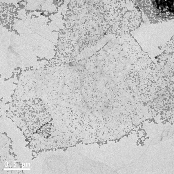
ʯīϩ TEMÉÏÓкڵãºÍºÚÉ«Õë×´Îï ÒÑÓÐ1È˲ÎÓë
|
» ±¾Ö÷ÌâÏà¹Ø¼ÛÖµÌùÍÆ¼ö£¬¶ÔÄúͬÑùÓаïÖú:
ʯīϩµÄXRDÓëTEMµç×ÓÑÜÉä
ÒѾÓÐ10È˻ظ´
CVD·¨Éú³¤µÄʯīϩ×öTEM±íÕ÷ÒªÔõÃ´ÖÆÑù°¡£¿
ÒѾÓÐ11È˻ظ´
ʯīϩ·½¿éµç×è²âÊÔ&TEM²âÊÔÊÖ¶Î
ÒѾÓÐ4È˻ظ´
ÈçºÎ²ÅÄÜÔÚTEMÖп´µ½Ê¯Ä«Ï©µÄlattice distances£¿
ÒѾÓÐ15È˻ظ´
ʯīϩTEMͼƬµÄÒÉÎÊ
ÒѾÓÐ48È˻ظ´
¡¾ÇóÖú¡¿Ñõ»¯Ê¯Ä«Ï©ºÍʯīϩÐÎò±íÕ÷µÄʱºòÓÃSEMºÍTEMÔõÃ´ÖÆÑùЧ¹û¸üºÃ
ÒѾÓÐ13È˻ظ´
gxytju2008
ר¼Ò¹ËÎÊ (ÎÄ̳¾«Ó¢)
-

ר¼Ò¾Ñé: +1654 - MN-EPI: 2
- Ó¦Öú: 4105 (¸±½ÌÊÚ)
- ¹ó±ö: 0.053
- ½ð±Ò: 47536.7
- É¢½ð: 4089
- ºì»¨: 503
- Ìû×Ó: 14997
- ÔÚÏß: 7315.4Сʱ
- ³æºÅ: 1111232
- ×¢²á: 2010-09-29
- ÐÔ±ð: GG
- רҵ: ²ÄÁÏÎïÀí»¯Ñ§
- ¹ÜϽ: ΢Ã׺ÍÄÉÃ×
2Â¥2013-09-17 10:54:03
ÌÀǧÇï
гæ (³õÈëÎÄ̳)
- Ó¦Öú: 0 (Ó×¶ùÔ°)
- ½ð±Ò: 99.8
- Ìû×Ó: 20
- ÔÚÏß: 37.2Сʱ
- ³æºÅ: 1780724
- ×¢²á: 2012-04-26
- רҵ: µçÄÜ´¢´æÓë½Úµç¼¼Êõ
3Â¥2013-09-17 11:00:44
ÌÀǧÇï
гæ (³õÈëÎÄ̳)
- Ó¦Öú: 0 (Ó×¶ùÔ°)
- ½ð±Ò: 99.8
- Ìû×Ó: 20
- ÔÚÏß: 37.2Сʱ
- ³æºÅ: 1780724
- ×¢²á: 2012-04-26
- רҵ: µçÄÜ´¢´æÓë½Úµç¼¼Êõ
4Â¥2013-09-17 11:01:32













»Ø¸´´ËÂ¥
20