版块导航
正在加载中...
客户端APP下载
论文辅导
调剂小程序
登录
注册
帖子
帖子
用户
本版
应《网络安全法》要求,自2017年10月1日起,未进行实名认证将不得使用互联网跟帖服务。为保障您的帐号能够正常使用,请尽快对帐号进行手机号验证,感谢您的理解与支持!
24小时热门版块排行榜
>
论坛更新日志
(272)
>
硕博家园
(26)
>
虫友互识
(24)
>
导师招生
(9)
>
考研
(4)
>
休闲灌水
(4)
>
博后之家
(2)
>
论文道贺祈福
(2)
>
教师之家
(2)
>
考博
(2)
>
动植物
(1)
>
招聘信息布告栏
(1)
>
找工作
(1)
>
公派出国
(1)
>
论文投稿
(1)
小木虫论坛-学术科研互动平台
»
化学化工区
»
电化学
»
电化基础
»
电路图画图软件有哪些
4
1/1
返回列表
查看: 1234 | 回复: 3
只看楼主
@他人
存档
新回复提醒
(忽略)
收藏
在APP中查看
sundong126
木虫
(著名写手)
应助: 64
(初中生)
金币: 1307.8
散金: 301
红花: 8
帖子: 1030
在线: 424.6小时
虫号: 713993
注册: 2009-03-03
性别: GG
专业: 应用高分子化学与物理
[
求助
]
电路图画图软件有哪些
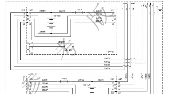
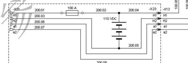
求助大家,作为一个一窍不通只有高中学过电的人来说,想画如下一个电路图有没有简单的制图软件?另外我想学一下电路方面入门级的基础课程,有没有建议?有没有相关的电子书资料供我下载?谢谢,每个问题10金币吧,可以追加。
11.png
回复此楼
» 猜你喜欢
德国Karlsruhe Institute of Technology招收电化学储能及联合培养CSC博士等
已经有20人回复
德国Karlsruhe Institute of Technology招收电化学储能及联合培养CSC博士
已经有24人回复
分析化学论文润色/翻译怎么收费?
已经有157人回复
德国Karlsruhe Institute of Technology招收电化学储能及联合培养CSC博士
已经有1人回复
固态锂金属电池迁移数计算求助
已经有1人回复
荷兰奈梅亨大学赵文博与Galimberti课题组招收理论计算CSC博士 2000 欧元/月+房补
已经有0人回复
26储能博士申请自荐
已经有23人回复
上海交通大学--宁波东方理工大学电池方向博士招生
已经有10人回复
海南大学全国重点实验室杨金霖老师招收储能电池方向博士生(2026年3月报名,9月入学)
已经有1人回复
海南师范大学2026年博士研究生招收 (在职想提升学历人员可报考) 申请考核制+普通招考
已经有1人回复
申博求助
已经有0人回复
» 本主题相关价值贴推荐,对您同样有帮助:
请问这种系统原理图是用什么软件做的?CAD好像不好看啊
已经有8人回复
做传感器的讨论下,一般绘制传感器原理图都用什么软件啊
已经有14人回复
讨论,这么好看的图,怎么画出来的啊
已经有46人回复
除了Visio,还有什么比较好的画图软件?
已经有43人回复
请问阻抗谱的等效电路图用什么软件画呢?
已经有5人回复
【求助/交流】除了excel外,用什么软件画图更专业
已经有29人回复
【求助】求助reaxys界面的画图软件怎么用chemdraw画分子结构
已经有3人回复
【求助】请问咱学化学的最常用的画图软件有哪些,趁着这假期想抽空学习一下
已经有20人回复
edraw,smartdraw,visio
已经有6人回复
求助画图工具——知道是什么软件就可以了
已经有11人回复
【求助】有什么画图软件可以画高效液相色谱
已经有4人回复
【讨论】化工画图用什么软件
已经有16人回复
【讨论】求推荐三维画图软件
已经有15人回复
【讨论】电气方面会用到哪些仿真软件或工具?
已经有17人回复
【讨论】大家写论文,做报告都用什么画图软件啊?
已经有18人回复
【求助】gnuplot画图软件【已完结】
已经有15人回复
1楼
2013-09-14 09:24:50
已阅
回复此楼
关注TA
给TA发消息
送TA红花
TA的回帖
gxytju2008
专家顾问
(文坛精英)
专家经验: +1654
应助: 4105
(副教授)
贵宾: 0.053
金币: 47510.7
散金: 4089
红花: 503
帖子: 14997
在线: 7313.5小时
虫号: 1111232
注册: 2010-09-29
性别: GG
专业: 材料物理化学
管辖:
微米和纳米
【答案】应助回帖
★
感谢参与,应助指数 +1
sundong126: 金币+1,
★
有帮助, 谢谢了
2013-09-17 07:56:05
电路啊。。 貌似是电子学的东西,应该学化学的很少学过的,看看电路基础,然后模电数电啥的吧,电路图。。一般软件都能画,CAD也可以,不过做电路设计有专门软件,问问学电子的专业吧
赞
一下
回复此楼
2楼
2013-09-14 16:20:17
已阅
回复此楼
关注TA
给TA发消息
送TA红花
TA的回帖
sundong126
木虫
(著名写手)
应助: 64
(初中生)
金币: 1307.8
散金: 301
红花: 8
帖子: 1030
在线: 424.6小时
虫号: 713993
注册: 2009-03-03
性别: GG
专业: 应用高分子化学与物理
现在问一下大家,图1中是什么符号?是插座吗?怎么画出来啊?我用的绘图助手软件没有这个符号怎么办啊?
2.png
1.png
赞
一下
回复此楼
3楼
2013-09-16 09:19:51
已阅
回复此楼
关注TA
给TA发消息
送TA红花
TA的回帖
幸福的烦恼90
银虫
(小有名气)
应助: 0
(幼儿园)
金币: 498
红花: 1
帖子: 93
在线: 8.9小时
虫号: 2423228
注册: 2013-04-17
性别: GG
专业: 零件成形制造
可以用protel 99se
赞
一下
回复此楼
要么努力工作,要么立即去死!
4楼
2013-12-26 21:06:47
已阅
回复此楼
关注TA
给TA发消息
送TA红花
TA的回帖
相关版块跳转
有机交流
有机资源
高分子
无机/物化
分析
催化
工艺技术
化工设备
石油化工
精细化工
电化学
环境
SciFinder/Reaxys
我要订阅楼主
sundong126
的主题更新
4
1/1
返回列表
如果回帖内容含有宣传信息,请如实选中。否则帐号将被全论坛禁言
普通表情
龙
兔
虎
猫
百度网盘
|
360云盘
|
千易网盘
|
华为网盘
在新窗口页面中打开自己喜欢的网盘网站,将文件上传后,然后将下载链接复制到帖子内容中就可以了。
信息提示
关闭
请填处理意见
关闭
确定