24小时热门版块排行榜    

Znn3bq.jpeg
查看: 507  |  回复: 0

jsbcdcgfyxgs

木虫 (小有名气)

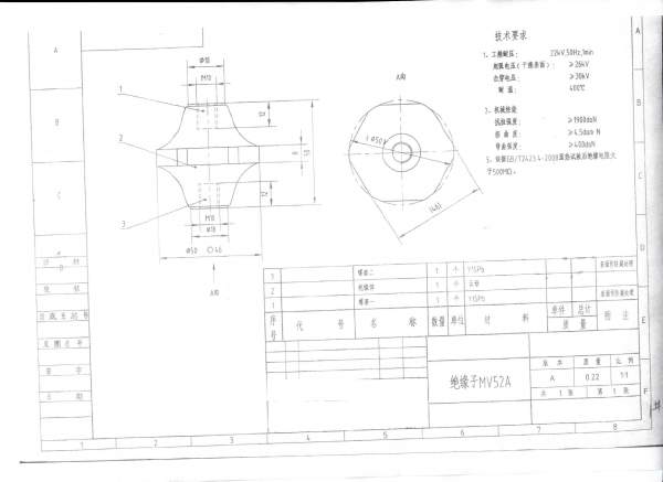
[求助] 云母陶瓷绝缘子

请问哪里有做特种绝缘子的公司,或者做特种陶瓷的专业公司?我这里有一种云母陶瓷绝缘子,密度较大:3.3-3.8,在高温下的电气性能和机械性能都很好,需要联系专业厂家合作开发,请朋友们指点迷津。谢谢!
云母陶瓷绝缘子
绝缘子1.jpg


云母陶瓷绝缘子-1
绝缘子2.jpg


云母陶瓷绝缘子-2
绝缘子MV52A.jpg
云母陶瓷绝缘子-3
IMG_20130827_133511.jpg

[ Last edited by jsbcdcgfyxgs on 2013-9-5 at 08:46 ]
回复此楼
已阅   关注TA 给TA发消息 送TA红花 TA的回帖
相关版块跳转 我要订阅楼主 jsbcdcgfyxgs 的主题更新
最具人气热帖推荐 [查看全部] 作者 回/看 最后发表
[教师之家] 论文撤稿了 +5 bjvtcliu 2026-05-24 8/400 2026-05-24 23:24 by zju2000
[考博] 博士申请 +6 星…… 2026-05-18 7/350 2026-05-24 22:45 by 预约这个秋天
[基金申请] 青B发送上会通知了吗 +5 chemBioBro 2026-05-22 8/400 2026-05-24 22:10 by Max0601
[硕博家园] 售SCI一区T0P文章,我:8.O.5.5.1.O.5.4,科目齐全,可+急 +3 1rx34o113h 2026-05-23 3/150 2026-05-24 17:41 by 0i3mu4vkjz
[基金申请] 评审有感 +16 popular289 2026-05-18 27/1350 2026-05-24 17:34 by hhs666
[硕博家园] 售SCI一区T0P文章,我:8.O.5.5.1.O.5.4,科目齐全,可+急 +4 hvkbtfonbv 2026-05-23 4/200 2026-05-24 17:21 by 75ui6h7z2t
[博后之家] 售SCI一区T0P文章,我:8.O.5.5.1.O.5.4,科目齐全,可+急 +3 hvkbtfonbv 2026-05-23 3/150 2026-05-24 17:10 by 75ui6h7z2t
[考博] 售SCI一区T0P文章,我:8.O.5.5.1.O.5.4,科目齐全,可+急 +3 hvkbtfonbv 2026-05-23 3/150 2026-05-24 17:01 by 75ui6h7z2t
[考研] 售SCI一区T0P文章,我:8.O.5.5.1.O.5.4,科目齐全,可+急 +3 a2tycdlnq1 2026-05-23 5/250 2026-05-24 16:21 by hhx1yx9evi
[论文投稿] 售SCI一区T0P文章,我:8.O.5.5.1.O.5.4,科目齐全,可+急 +3 a2tycdlnq1 2026-05-23 4/200 2026-05-24 16:16 by hhx1yx9evi
[基金申请] 西安交大新媒学院副院长用撤稿论文结题 +3 bjvtcliu 2026-05-24 5/250 2026-05-24 10:16 by kudofaye
[教师之家] 某211大学教师把个人教师官方主页改成:我跑了我跑了我跑了!官宣跑路! +4 zju2000 2026-05-21 5/250 2026-05-24 09:35 by songwz
[考博] 26/27申博自荐 10+4 ZXW0202 2026-05-22 9/450 2026-05-24 08:47 by bjvtcliu
[考博] 博士申请 +3 焦晓明 2026-05-21 3/150 2026-05-23 11:26 by mlc840311
[论文投稿] 投稿求助,期刊 +4 希冀,有书读 2026-05-20 8/400 2026-05-22 10:16 by 希冀,有书读
[文学芳草园] 献血感触 +7 呀呀好傻 2026-05-19 13/650 2026-05-21 20:15 by 呀呀好傻
[基金申请] 国自然评分 +4 无名者登山 2026-05-20 5/250 2026-05-21 16:35 by swuq
[基金申请] 国自然上会要求 +7 无名者登山 2026-05-18 11/550 2026-05-21 15:50 by draco1987
[基金申请] 提交了我也来说说感想 +9 fummck 2026-05-20 10/500 2026-05-21 14:17 by draco1987
[有机交流] 反应很差,大量原料没有反应 5+3 Mr.Zot 2026-05-19 8/400 2026-05-20 22:19 by Equinoxhua
信息提示
请填处理意见