| 查看: 1243 | 回复: 11 | ||
风无痕111527铁虫 (小有名气)
|
[求助]
求助TWIP钢方面
|
|
|
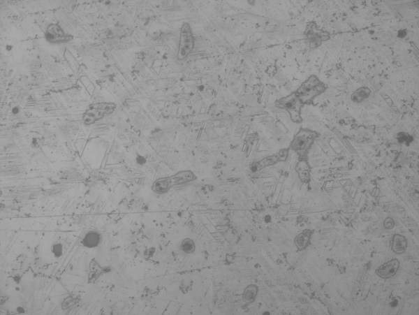
本人研二,做TWIP钢,是奥氏体钢,在实验室条件下自己炼的钢,其他文献上TWIP钢都用4%硝酸酒精腐蚀,但我的钢却总也腐蚀不出晶界,求各位帮忙,腐蚀液用哪种好呢,腐蚀多长时间?下图是TWIP钢用硝酸酒精腐蚀后的金相照片,硕士期间课题,总出不来结果,特向各位求助,万分感谢 这张图里孪晶吗 5-500.jpg 图中的突起是什么 为什么没有晶界呢 |
» 猜你喜欢
271求调剂
已经有34人回复
327求调剂
已经有10人回复
297求调剂
已经有23人回复
材料工程281还有调剂机会吗
已经有33人回复
各位老师好,求调剂,本科211,一志愿天津大学生物与医药学硕,差两名录取。
已经有4人回复
本科郑州大学,一志愿华东师范大学282求调剂
已经有32人回复
求调剂
已经有10人回复
一志愿211 0703化学 346分求调剂
已经有29人回复
化工学硕294分,求导师收留
已经有22人回复
327求调剂
已经有17人回复
» 本主题相关价值贴推荐,对您同样有帮助:
【求助】钢铁材料方面国外哪几所大学比较好
已经有7人回复
【讨论】Mn元素在管线钢和TWIP钢中作用
已经有5人回复
6楼2013-07-19 07:53:46
libinluke
木虫 (小有名气)
- 应助: 4 (幼儿园)
- 金币: 1994.2
- 散金: 50
- 帖子: 126
- 在线: 79.6小时
- 虫号: 2286901
- 注册: 2013-02-18
- 性别: GG
- 专业: 机械动力学

2楼2013-07-16 13:51:28
大布口袋
木虫 (小有名气)
- 应助: 20 (小学生)
- 金币: 5849.1
- 红花: 2
- 帖子: 89
- 在线: 128.7小时
- 虫号: 2546301
- 注册: 2013-07-15
- 性别: GG
- 专业: 金属材料的微观结构

3楼2013-07-17 00:11:06
【答案】应助回帖
★ ★
感谢参与,应助指数 +1
风无痕111527: 金币+2, ★★★很有帮助 2013-07-26 10:55:42
感谢参与,应助指数 +1
风无痕111527: 金币+2, ★★★很有帮助 2013-07-26 10:55:42
|
王水!我就是这么做的,可以留个联系方式吗? 我的邮箱hkyang11s@imr.ac.cn |
4楼2013-07-17 10:32:26
5楼2013-07-18 00:18:35
chuguodong
银虫 (小有名气)
- 应助: 0 (幼儿园)
- 金币: 304
- 帖子: 198
- 在线: 41.2小时
- 虫号: 887193
- 注册: 2009-10-29
- 性别: GG
- 专业: 金属材料的微观结构

7楼2013-07-19 09:10:53
风无痕111527
铁虫 (小有名气)
- 应助: 1 (幼儿园)
- 金币: 39.6
- 散金: 35
- 帖子: 93
- 在线: 32.3小时
- 虫号: 2087001
- 注册: 2012-10-26
- 性别: MM
- 专业: 金属材料的力学行为
8楼2013-07-19 09:32:14
风无痕111527
铁虫 (小有名气)
- 应助: 1 (幼儿园)
- 金币: 39.6
- 散金: 35
- 帖子: 93
- 在线: 32.3小时
- 虫号: 2087001
- 注册: 2012-10-26
- 性别: MM
- 专业: 金属材料的力学行为
9楼2013-07-19 09:33:21
风无痕111527
铁虫 (小有名气)
- 应助: 1 (幼儿园)
- 金币: 39.6
- 散金: 35
- 帖子: 93
- 在线: 32.3小时
- 虫号: 2087001
- 注册: 2012-10-26
- 性别: MM
- 专业: 金属材料的力学行为
10楼2013-07-19 09:34:14














回复此楼
5