Znn3bq.jpeg
²é¿´: 718  |  »Ø¸´: 0

kaiyu

ľ³æ (СÓÐÃûÆø)

[ÇóÖú] »ùÓÚSº¯ÊýµÄBPÉñ¾­ÍøÂçP I D¿ØÖÆÆ÷,Sº¯Êý·â×°ÎÊÌâ

½ñÌì¿´ÁËÂÛÎÄ¡¶»ùÓÚSº¯ÊýµÄBPÉñ¾­ÍøÂçP I D¿ØÖÆÆ÷S i m u li n k·ÂÕæ¡·°´ÕÕÂÛÎÄÉϵIJ½Öè×ö×ÜÊdzöÎÊÌ⣬Çë¸ßÊÖ°ïæ¿´Ò»Ï£¡
%%mÎļþ
function [sys,x0,str,ts]=bp_pids(t,x,u,flag,T,nh,xite,alfa,kF1,kF2)
T=0.001;
nh=5;
xite=0.25£»
alfa=0.05;
kF1=1;
kF2=2;
switch flag,
  
  case 0,
    [sys,x0,str,ts]=mdlInitializeSizes(T,nh);
  
  %case 1,
   % sys=mdlDerivatives(t,x,u);
  
  %case 2,
    %sys=mdlUpdate(t,x,u);
  
  case 3,
    sys=mdlOutputs(t,x,u,T,nh,xite,alfa,kF1,kF2);
  
    case{1,2,4,9},sys=[];
   % sys=mdlGetTimeOfNextVarHit(t,x,u);
  %case 9,
    %sys=mdlTerminate(t,x,u);
  
  otherwise
    error(['Unhandled flag = ',num2str(flag)]);
end
function [sys,x0,str,ts]=mdlInitializeSizes(T,nh)
sizes = simsizes;
sizes.NumContStates  = 0;
sizes.NumDiscStates  = 0;
sizes.NumOutputs     = 4+7*nh;
sizes.NumInputs      = 7+14*nh;
sizes.DirFeedthrough = 1;
sizes.NumSampleTimes = 1;   
sys = simsizes(sizes);
x0  = [];
str = [];
ts  = [T 0];
function sys=mdlDerivatives(t,x,u)
sys = [];
function sys=mdlUpdate(t,x,u)
sys = [];
function sys=mdlOutputs(t,x,u,T,nh,xite,alfa,kFuncl,kFunc2)
wi_2=reshape(u(8:7+4*nh),nh,4);
wO_2=reshape(u(8+4*nh:7+7*nh),3,nh);
wi_1=reshape(u(8+7*nh:7+11*nh),nh,4);
wO_1=reshape(u(8+11*nh:7+14*nh),3,nh);
xi=[u([6,4,1])',1];
xx=[u(1)-u(2);u(1);u(1)+u(3)-2*u(2)];
I=xi*wi_1';
Oh=non_transfun(I,kF1);
K=non_transfun(wo_l*Oh',kF2);
uu=u(7)+K'*xx;
dyu=sign((u(4)-u(5))/(uu-u(7)+0.0000001));
dK=non_transfun(K,3);
delta3=u(1)*dyu*xx.*dK;
wO=wO_1+xite*delta3*Oh+alfa*(wO_1-wO_2)+alfa*(wO_1-wO_2);
dO=2*non_transfun(I,3);
wi=wi_1+xite*(dO.*(delta3'*wO))'*xi+alfa*(wi_1-wi_2);
sys = [uu;K;wi(;wO(];
function sys=mdlGetTimeOfNextVarHit(t,x,u)
sampleTime = 1;   
sys = t + sampleTime;
function sys=mdlTerminate(t,x,u)
sys = [];
function W1=non_transfun(W,key)
switch key
    case 1,W1=(exp(W)-exp(-W))./(exp(W)+exp(-W));
    case 2,W1=exp(W)./(exp(W)+exp(-W));
    case 2,W1=2./(exp(W)+exp(-W)).^2;  
end
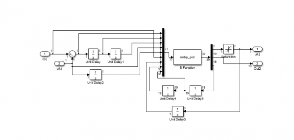
ÎÄÖÐϵͳ·ÂÕæµÄÊÇy(t)=1.2y(t-1))/(1-0.8e^(-0.1t/T))/(1+y(t-1)^2)+u(t),
³öÏÖµÄÎÊÌâÊÇ£ºÔÚMÎļþÖÐÊÇ77ÊäÈ룬39Êä³ö£¬ÔÚÎÄÖÐmask subsystemÖеõ½2ÊäÈ룬2Êä³öµÄÄ£¿é£¬
£¨ÆäÖÐÊäÈë1Ϊ¸ø¶¨ÐźÅÓë¶ÔÏóÊä³öÐźŵÄÎó²îe(k)£¬ÊäÈë2Ϊ¶ÔÏóÊä³öÐźÅy(k)¡£Êä³ö1Ϊ¿ØÖÆÆ÷µÄÊä³öu(k)£¬
Êä³ö2Ϊkp£¬ki£¬kd-¸öȨֵµÄ±ä»¯Á¿¡££©
ÎÒÓÃsimulink×ö³ö³ÌÐò£¬µ«ÊÇ»¹ÊDZäÁ¿¸öÊýÓÐÎÊÌ⣿
²»ÖªÎÄÕÂÊÇÔõôʵÏֵģ¿Çë¸ßÊÖÖ¸µã~
»ùÓÚSº¯ÊýµÄBPÉñ¾­ÍøÂçP I D¿ØÖÆÆ÷,Sº¯Êý·â×°ÎÊÌâ
NNPID.PNG



[ Last edited by kaiyu on 2013-7-15 at 20:21 ]
»Ø¸´´ËÂ¥

» ²ÂÄãϲ»¶

ÒÑÔÄ   »Ø¸´´ËÂ¥   ¹Ø×¢TA ¸øTA·¢ÏûÏ¢ ËÍTAºì»¨ TAµÄ»ØÌû
Ïà¹Ø°æ¿éÌø×ª ÎÒÒª¶©ÔÄÂ¥Ö÷ kaiyu µÄÖ÷Ìâ¸üÐÂ
×î¾ßÈËÆøÈÈÌûÍÆ¼ö [²é¿´È«²¿] ×÷Õß »Ø/¿´ ×îºó·¢±í
[¿¼ÑÐ] µ÷¼Á +4 ÔÂ@163.com 2026-04-11 4/200 2026-04-11 20:47 by may_ÐÂÓî
[¿¼ÑÐ] 271Çóµ÷¼Á +14 2261744733 2026-04-11 15/750 2026-04-11 20:26 by liyun12321
[¿¼ÑÐ] ²ÄÁϹ¤³ÌÈÕÓÉúÇóµ÷¼Á +6 0856?µ÷¼Á 2026-04-10 6/300 2026-04-11 18:42 by wutongshun
[¿¼ÑÐ] 269Çóµ÷¼Á +11 °¡°¡ÎÒÎÒ 2026-04-07 11/550 2026-04-11 16:45 by vgtyfty
[¿¼ÑÐ] 311Çóµ÷¼Á +13 xypÏë¶ÁÊé 2026-04-10 14/700 2026-04-11 09:41 by Öí»á·É
[¿¼ÑÐ] 342µç×ÓÐÅϢר˶Çóµ÷¼Á +9 ÄãÈÃÎÒÔõôÀóÖ¦ 2026-04-10 10/500 2026-04-11 08:33 by zhq0425
[¿¼ÑÐ] ¼ÆËã»úÀàÇóµ÷¼Á£¬22408-274·Ö +7 Éϰ¶deС³æ 2026-04-09 8/400 2026-04-10 19:56 by fxue1114
[¿¼ÑÐ] 071000ÉúÎïѧµ÷¼ÁÇóÖú +17 zzzzwww 2026-04-09 20/1000 2026-04-10 15:55 by Çóµ÷¼Ázz
[¿¼ÑÐ] 308Çóµ÷¼Á +21 ÌÈÈôÆð·çÁËÄØ 2026-04-05 21/1050 2026-04-10 08:13 by Sammy2
[¿¼ÑÐ] Çóµ÷¼ÁÏ£Íû»¹ÊÇÏ£ÍûÔÚɽºÓËÄÊ¡¸½½ü +3 ¿ìÀÖµÄС°×¸ë 2026-04-05 3/150 2026-04-09 17:36 by wp06
[¿¼ÑÐ] 349ѧ¿Æ»¯Ñ§045106Çóµ÷¼Á£¬»¯Ñ§Àà¶¼¿ÉÒÔ +8 ±£ºÃ¶®¶® 2026-04-08 8/400 2026-04-09 14:03 by xulei3024
[¿¼ÑÐ] 086004 Çóµ÷¼Á 309 +7 Yin DY 2026-04-08 7/350 2026-04-09 13:59 by Delta2012
[¿¼ÑÐ] 283µç×ÓÐÅÏ¢Çóµ÷¼Á +4 ÈýʯWL 2026-04-08 4/200 2026-04-09 10:21 by wp06
[¿¼ÑÐ] ¿¼ÑÐÇóµ÷¼Á +4 ö©??? 2026-04-08 4/200 2026-04-08 21:44 by ÍÁľ˶ʿÕÐÉú
[¿¼ÑÐ] ÍÁľˮÀûר˶276·ÖÇóµ÷¼Á +6 ÎÒÏëÉÏѧ£¡£¡6 2026-04-05 9/450 2026-04-08 17:45 by ËÎС±¦HQ
[¿¼ÑÐ] 298Çóµ÷¼Á +4 manman511 2026-04-05 4/200 2026-04-08 16:50 by tjzhao
[¿¼ÑÐ] ¿¼Ñе÷¼Á +7 15615482637 2026-04-04 7/350 2026-04-06 22:56 by chenzhimin
[¿¼ÑÐ] ¿¼Ñе÷¼Á +3 WwwwwwwÍÛ 2026-04-06 3/150 2026-04-06 20:55 by lbsjt
[¿¼ÑÐ] 331Çóµ÷¼Á +8 ÓÚÕ÷yz 2026-04-05 8/400 2026-04-06 00:54 by fmesaito
[¿¼ÑÐ] ÉúÎïѧ308·ÖÇóµ÷¼Á£¨Ò»Ö¾Ô¸»ª¶«Ê¦´ó£© +8 ÏàÐűػá¹ââÍòÕ 2026-04-05 10/500 2026-04-05 12:19 by Hdyxbekcb
ÐÅÏ¢Ìáʾ
ÇëÌî´¦ÀíÒâ¼û