24小时热门版块排行榜    

北京石油化工学院2026年研究生招生接收调剂公告
查看: 236  |  回复: 0

谷歌2012

铁虫 (正式写手)

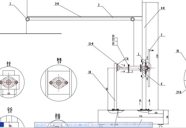
[求助] 求助,小型简易吊装装置的设计

求小型简易的吊装装置的设计,形式如图中的类似的那样
求助,小型简易吊装装置的设计
1.jpg

[ Last edited by 谷歌2012 on 2013-7-10 at 10:22 ]
回复此楼
自强不息,厚得载物
已阅   回复此楼   关注TA 给TA发消息 送TA红花 TA的回帖
相关版块跳转 我要订阅楼主 谷歌2012 的主题更新
最具人气热帖推荐 [查看全部] 作者 回/看 最后发表
[考研] 求调剂 一志愿西南交通大学085701环境工程 282分 +5 多多爱吃汉堡 2026-04-04 5/250 2026-04-04 22:14 by 啵啵啵0119
[考研] 材料调剂 +4 dxy调剂 2026-04-04 4/200 2026-04-04 22:04 by hemengdong
[考研] 环境科学与工程334分求调剂 +9 王一一依依 2026-03-30 12/600 2026-04-04 20:55 by dongzh2009
[考研] 一志愿华北电力大学(北京),材料科学与工程学硕265,求调剂 +11 yelck 2026-04-03 12/600 2026-04-04 19:52 by dongzh2009
[考研] 295求调剂 +6 xndjjj 2026-04-04 6/300 2026-04-04 16:52 by dongzh2009
[考研] 288求调剂 一志愿哈工大 材料与化工 +12 洛神哥哥 2026-04-03 12/600 2026-04-04 09:22 by 有机小民工
[考研] 266求调剂 +8 学员97LZgn 2026-04-03 8/400 2026-04-04 09:02 by 20021109
[考研] 265求调剂 +17 林深温澜 2026-04-01 20/1000 2026-04-04 01:09 by userper
[考研] 336求调剂 +8 kiyy 2026-04-01 8/400 2026-04-03 19:41 by lijunpoly
[考研] 303求调剂 +10 DLkz1314. 2026-03-30 10/500 2026-04-03 18:03 by Jimmyandyou
[考研] 311求调剂一志愿合肥工业大学 +15 秋二十二 2026-03-30 15/750 2026-04-03 10:19 by linyelide
[考研] 调剂 +7 祉岷. 2026-04-02 7/350 2026-04-03 09:11 by 花呗还欠600
[考研] 一志愿武汉理工0856,初试334 +3 26考研材料 2026-04-02 3/150 2026-04-02 21:22 by dongzh2009
[考研] 08工科求调剂290分 +5 1314捧花 2026-04-02 8/400 2026-04-02 13:16 by 乔哒哒哒
[考研] 材料工程322分 +8 哈哈哈吼吼吼哈 2026-04-01 8/400 2026-04-02 11:53 by 3041
[考研] 261求B区调剂 +5 明仔· 2026-04-01 7/350 2026-04-02 11:17 by 邹尉尉
[考研] 求调剂,一志愿南京师范大学计算机专硕,初试373,六级通过, +3 计算机追梦人 2026-04-01 3/150 2026-04-02 07:57 by fxue1114
[考研] 304求调剂 +12 素年祭语 2026-03-31 15/750 2026-04-01 22:41 by peike
[考研] 349求调剂 +6 吃的不少 2026-04-01 6/300 2026-04-01 17:55 by JYD2011
[考研] 调剂 +3 好好读书。 2026-04-01 3/150 2026-04-01 17:06 by zhouyuwinner
信息提示
请填处理意见