| 查看: 584 | 回复: 5 | |
[求助]
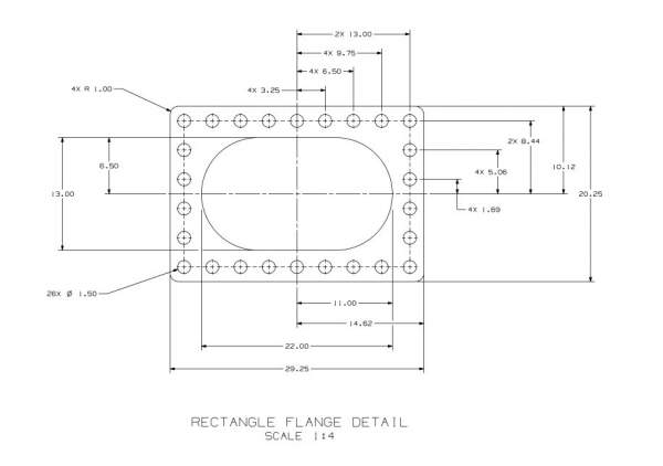
方法兰设计
|
|
![]() |
|
|
|
|
后来1206金虫 (小有名气)
|
|
|
2楼2013-06-06 18:53:54
|
|
canko75591木虫 (著名写手)
|
|
|
3楼2013-06-07 10:02:46
|
|
|
4楼2013-06-07 11:20:59
|
|
feipiaopiao金虫 (著名写手)
|
|
![]() |
|
|
5楼2013-06-14 19:47:47
|
|
lsqtcc金虫 (正式写手)
|
|
![]() |
|
|
6楼2013-07-20 23:18:45
|
|













回复此楼
20