| ²é¿´: 2136 | »Ø¸´: 14 | ||
·ÉÄñÖªÊÀͳæ (³õÈëÎÄ̳)
|
[ÇóÖú]
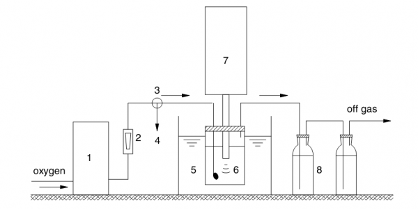
²ËÄñÎÊÌ⣺Çë¸÷λ¿´¿´ÕâÖÖÔÀíͼAutoCADÄÜÖÆ×÷µÃ³öÂð£¿
|
|
|
ÎÄÏ×ÉÏ¿´µ½ÀàËÆµÄʵÑéÔÀíͼ£¬ÈçÏ£¬ÇëÎÊ¿ÉÒÔÓÃCADÖÆ×÷Â𣬻òÕßÍÆ¼öÒ»¸öÆäËûµÄÈí¼þ£¿±¾ÈË·Ç»¯¹¤×¨ÒµÕâ·½ÃæÊµÔÚÍâÐÐ 1.png |
» ²ÂÄãϲ»¶
308Çóµ÷¼Á
ÒѾÓÐ4È˻ظ´
NSFCÉ걨ÊéÀïÉêÇëÈ˼òÀúÖдú±íÐÔÂÛÖø»¹ÐèÒªÔÚÉ걨Êé×îºóµÄ¸½¼þÀïÃæÔÙÉÏ´«Ò»±éÂð
ÒѾÓÐ14È˻ظ´
²ÄÁÏÓ뻯¹¤Ò»Ö¾Ô¸Äϲý´óѧ327Çóµ÷¼ÁÍÆ¼ö
ÒѾÓÐ6È˻ظ´
»¯Ñ§µ÷¼Á0703
ÒѾÓÐ7È˻ظ´
327Çóµ÷¼Á
ÒѾÓÐ11È˻ظ´
µ÷¼Á
ÒѾÓÐ8È˻ظ´
Áº³ÉΰÀÏʦ¿ÎÌâ×é»¶ÓÄãµÄ¼ÓÈë
ÒѾÓÐ7È˻ظ´
»ï°éÃÇ£¬×£ÎÒÉúÈÕ¿ìÀÖ°É
ÒѾÓÐ24È˻ظ´
ÖпÆÔº²ÄÁÏ273Çóµ÷¼Á
ÒѾÓÐ3È˻ظ´
²ÄÁϹ¤³Ìר˶274Ò»Ö¾Ô¸211Çóµ÷¼Á
ÒѾÓÐ5È˻ظ´
ÈËÊÀ¸¡³¾
½ð³æ (СÓÐÃûÆø)
- Ó¦Öú: 45 (СѧÉú)
- ½ð±Ò: 1058.7
- Ìû×Ó: 140
- ÔÚÏß: 40.6Сʱ
- ³æºÅ: 1975678
- ×¢²á: 2012-09-05
- ÐÔ±ð: GG
- רҵ: »¯¹¤ÏµÍ³¹¤³Ì
¡¾´ð°¸¡¿Ó¦Öú»ØÌû
¡ï ¡ï ¡ï
¸Ðл²ÎÓ룬ӦÖúÖ¸Êý +1
·ÉÄñÖªÊÀ: ½ð±Ò+2, ¡ï¡ï¡ïºÜÓаïÖú 2013-06-01 14:42:18
threight: ½ð±Ò+1, лл·ÖÏí 2013-06-05 11:31:35
¸Ðл²ÎÓ룬ӦÖúÖ¸Êý +1
·ÉÄñÖªÊÀ: ½ð±Ò+2, ¡ï¡ï¡ïºÜÓаïÖú 2013-06-01 14:42:18
threight: ½ð±Ò+1, лл·ÖÏí 2013-06-05 11:31:35
| ÄãÕâͼֻÊÇÒ»¸ö´ó¸ÅÖ±¹Ûͼ£¬CADûÎÊÌâµÄ£¬ÄÜ»³öÀ´£¬»¹¿ÉÒÔ»³ÉÈýάµÄ£¬±ÈÕâÐÎÏóµÄ¶à¡£ |
2Â¥2013-05-30 15:10:50
mistdawn
½ð³æ (СÓÐÃûÆø)
- Ó¦Öú: 1 (Ó×¶ùÔ°)
- ½ð±Ò: 196.4
- ºì»¨: 1
- Ìû×Ó: 226
- ÔÚÏß: 119.9Сʱ
- ³æºÅ: 2415224
- ×¢²á: 2013-04-12
- ÐÔ±ð: GG
- רҵ: ÈÈÎïÐÔÓëÈÈÎïÀí²âÊÔ¼¼Êõ
¡¾´ð°¸¡¿Ó¦Öú»ØÌû
¡ï ¡ï ¡ï
¸Ðл²ÎÓ룬ӦÖúÖ¸Êý +1
·ÉÄñÖªÊÀ: ½ð±Ò+2, ¡ïÓаïÖú 2013-06-01 14:42:25
threight: ½ð±Ò+1, ºÜÓаïÖú 2013-06-05 11:31:49
¸Ðл²ÎÓ룬ӦÖúÖ¸Êý +1
·ÉÄñÖªÊÀ: ½ð±Ò+2, ¡ïÓаïÖú 2013-06-01 14:42:25
threight: ½ð±Ò+1, ºÜÓаïÖú 2013-06-05 11:31:49
| microsoft-office-visio ¼òµ¥ ÈÝÒ×ÉÏÊÖ |

3Â¥2013-05-30 17:44:09
md1113235408
½ð³æ (³õÈëÎÄ̳)
- Ó¦Öú: 2 (Ó×¶ùÔ°)
- ½ð±Ò: 609.8
- Ìû×Ó: 5
- ÔÚÏß: 1.2Сʱ
- ³æºÅ: 2470452
- ×¢²á: 2013-05-18
- ÐÔ±ð: GG
- רҵ: ÄÜÔ´»¯¹¤
¡¾´ð°¸¡¿Ó¦Öú»ØÌû
¡ï
¸Ðл²ÎÓ룬ӦÖúÖ¸Êý +1
threight: ½ð±Ò+1, лл·ÖÏí 2013-06-05 11:32:00
¸Ðл²ÎÓ룬ӦÖúÖ¸Êý +1
threight: ½ð±Ò+1, лл·ÖÏí 2013-06-05 11:32:00
|
CATIA £¬3dMaxÒ²¿ÉÒÔÍê³É [ ·¢×ÔÊÖ»ú°æ http://muchong.com/3g ] |
4Â¥2013-05-30 22:47:11
supergrass
ľ³æ (³õÈëÎÄ̳)
- CE-EPI: 1
- Ó¦Öú: 5 (Ó×¶ùÔ°)
- ½ð±Ò: 2294.5
- ºì»¨: 1
- Ìû×Ó: 29
- ÔÚÏß: 92.3Сʱ
- ³æºÅ: 628462
- ×¢²á: 2008-10-17
- רҵ: »¯¹¤ÏµÍ³¹¤³Ì
¡¾´ð°¸¡¿Ó¦Öú»ØÌû
¡ï ¡ï
¸Ðл²ÎÓ룬ӦÖúÖ¸Êý +1
·ÉÄñÖªÊÀ: ½ð±Ò+1, ¡ï¡ï¡ïºÜÓаïÖú 2013-06-05 08:51:54
threight: ½ð±Ò+1, лл·ÖÏí 2013-06-05 11:32:13
¸Ðл²ÎÓ룬ӦÖúÖ¸Êý +1
·ÉÄñÖªÊÀ: ½ð±Ò+1, ¡ï¡ï¡ïºÜÓаïÖú 2013-06-05 08:51:54
threight: ½ð±Ò+1, лл·ÖÏí 2013-06-05 11:32:13
| ·Ç³£¼òµ¥µÄÁ÷³Ì£¬ÒªÏëͼÐÎÆ¯ÁÁµÄ»°£¬ÓÃoffice2010¿ÉÒԺܿì¾Í»³öÀ´£¬±ÈCADÕ³Ìùµ½WORDÀïÆ¯ÁÁ |
5Â¥2013-05-31 09:13:41
peclhl
ľ³æ (ÕýʽдÊÖ)
- Ó¦Öú: 1 (Ó×¶ùÔ°)
- ½ð±Ò: 2043.4
- É¢½ð: 14
- ºì»¨: 1
- Ìû×Ó: 540
- ÔÚÏß: 48.2Сʱ
- ³æºÅ: 577742
- ×¢²á: 2008-06-27
- ÐÔ±ð: GG
- רҵ: ¿ÉÔÙÉúÓëÌæ´úÄÜÔ´ÀûÓÃÖеÄ
¡¾´ð°¸¡¿Ó¦Öú»ØÌû
¡ï
¸Ðл²ÎÓ룬ӦÖúÖ¸Êý +1
threight: ½ð±Ò+1, ¹ÅµÀÈȳ¦ 2013-06-05 11:32:30
¸Ðл²ÎÓ룬ӦÖúÖ¸Êý +1
threight: ½ð±Ò+1, ¹ÅµÀÈȳ¦ 2013-06-05 11:32:30
| Õâ¸öͼ£¬Ö±½ÓÓÃword¾ÍÄÜ»³ö£¬CAD»òÕ߯äËüµÄͼÏñ´¦ÀíÈí¼þ£¬±ÈÈçFireworksµÈ£¬¶¼¿ÉÒÔ£¬lzÐèÒªµÄ»°£¬¿ÉÒÔ·¢¸ö²Ýͼ£¬ÎÒ°ïÄã» |

7Â¥2013-05-31 09:54:08
¡¾´ð°¸¡¿Ó¦Öú»ØÌû
¡ï ¡ï ¡ï ¡ï ¡ï ¡ï
¸Ðл²ÎÓ룬ӦÖúÖ¸Êý +1
·ÉÄñÖªÊÀ: ½ð±Ò+5, ¡ï¡ï¡ïºÜÓаïÖú 2013-06-01 14:41:41
threight: ½ð±Ò+1, ºÃÐÄÈË 2013-06-05 11:32:49
¸Ðл²ÎÓ룬ӦÖúÖ¸Êý +1
·ÉÄñÖªÊÀ: ½ð±Ò+5, ¡ï¡ï¡ïºÜÓаïÖú 2013-06-01 14:41:41
threight: ½ð±Ò+1, ºÃÐÄÈË 2013-06-05 11:32:49
| CAD×ã¹»»æÖÆ£¬ËµµÄ¸ü¼ÓÈÝÒ׵ϰÄãʹÓÃOFFICE¶¼¿ÉÒԸ㶨£¬¾õµÃÄÑÄã¾Í¸ã¸öÁ÷³Ìͼ»æÖÆÈí¼þ£¬ÄãÔÚÎÒÃÇÕâ¸ö°å¿éÀïÃæËÑË÷¾ÍÓУ¬Äã¾ÍËÑË÷Á÷³Ìͼ»æÖÆÈí¼þ¾Í¿ÉÒÔÁË¡£¾õµÃÄѵϰ£¬ÎÒ¿ÉÒÔ°ïÄãʹÓÃCAD°Ñ»ù±¾µÄ»æÖƳöÀ´¡£È«²¿»æÖÆÍêÒ²²»ÊÇ´óÎÊÌ⣬ҪÊÇÄãÊÇÒª¸ø×Ô¼º¶ÍÁ¶×îºÃÊÇ×Ô¼º»æÖÆ¡£ |

9Â¥2013-06-01 00:21:34
·ÉÄñÖªÊÀ
ͳæ (³õÈëÎÄ̳)
- Ó¦Öú: 0 (Ó×¶ùÔ°)
- ½ð±Ò: 135.5
- Ìû×Ó: 24
- ÔÚÏß: 31.9Сʱ
- ³æºÅ: 1863885
- ×¢²á: 2012-06-19
- רҵ: »·¾³ÎÛȾ»¯Ñ§
6Â¥2013-05-31 09:31:47
supergrass
ľ³æ (³õÈëÎÄ̳)
- CE-EPI: 1
- Ó¦Öú: 5 (Ó×¶ùÔ°)
- ½ð±Ò: 2294.5
- ºì»¨: 1
- Ìû×Ó: 29
- ÔÚÏß: 92.3Сʱ
- ³æºÅ: 628462
- ×¢²á: 2008-10-17
- רҵ: »¯¹¤ÏµÍ³¹¤³Ì
8Â¥2013-05-31 14:27:07
shenshue
ľ³æ (СÓÐÃûÆø)
- Ó¦Öú: 1 (Ó×¶ùÔ°)
- ½ð±Ò: 2588
- ºì»¨: 1
- Ìû×Ó: 144
- ÔÚÏß: 124Сʱ
- ³æºÅ: 1310626
- ×¢²á: 2011-05-30
- ÐÔ±ð: MM
- רҵ: ÄÜÔ´»¯¹¤
10Â¥2013-06-02 07:25:05













»Ø¸´´ËÂ¥