| ²é¿´: 706 | »Ø¸´: 4 | ||
hawkl½ð³æ (СÓÐÃûÆø)
|
[ÇóÖú]
¶Ï¿ÚÐÎò
|
|
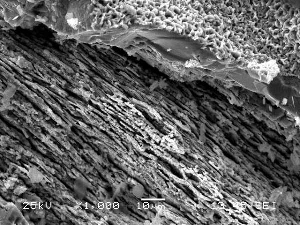
ÇóÖú¸÷λ´óÉñ£¬4ÕÅͼ´ÓÉϵ½Ï·ֱðÊÇ Ñõ»¯ÂÁÃÖɢǿ»¯ÍÔÚ750¡¢800¡¢850¡¢900¡æÏÂÀÉìµÄ¶Ï¿ÚSEMͼ¡£ÎÊÏ´ÓͼÉÏÃæ¿´À´ÕâЩ¶¼ÊÇÊôÓÚʲô¶ÏÁѰ¡£¿¶àл¶àлÁ˹þ~~~ 750.jpg 800.jpg 850.jpg 900.jpg |
» ²ÂÄãϲ»¶
±±¿Æ281ѧ˶²ÄÁÏÇóµ÷¼Á
ÒѾÓÐ9È˻ظ´
306Çó0703µ÷¼ÁÒ»Ö¾Ô¸»ªÖÐʦ·¶
ÒѾÓÐ6È˻ظ´
276Çóµ÷¼Á¡£ÓаëÄêµç³ØºÍ°ëÄê¸ß·Ö×Óʵϰ¾Àú
ÒѾÓÐ8È˻ظ´
½ÓÊÕ2026˶ʿµ÷¼Á(ѧ˶+ר˶)
ÒѾÓÐ3È˻ظ´
²ÄÁÏÓ뻯¹¤¿¼Ñе÷¼Á
ÒѾÓÐ3È˻ظ´
081700 µ÷¼Á 267·Ö
ÒѾÓÐ3È˻ظ´
Ò»Ö¾Ô¸ÖØÇì´óѧ085700×ÊÔ´Óë»·¾³£¬×Ü·Ö308Çóµ÷¼Á
ÒѾÓÐ3È˻ظ´
336»¯¹¤µ÷¼Á
ÒѾÓÐ4È˻ظ´
08¹¤Ñ§µ÷¼Á
ÒѾÓÐ10È˻ظ´
263Çóµ÷¼Á
ÒѾÓÐ6È˻ظ´

haishengge
гæ (³õÈëÎÄ̳)
- Ó¦Öú: 1 (Ó×¶ùÔ°)
- ½ð±Ò: 12.6
- Ìû×Ó: 28
- ÔÚÏß: 23.3Сʱ
- ³æºÅ: 2045119
- ×¢²á: 2012-10-06
- רҵ: ½ðÊô²ÄÁϵÄÄ¥ËðÓëĥʴ
¡¾´ð°¸¡¿Ó¦Öú»ØÌû
¡ï ¡ï ¡ï ¡ï ¡ï ¡ï ¡ï ¡ï ¡ï ¡ï
¸Ðл²ÎÓ룬ӦÖúÖ¸Êý +1
hawkl: ½ð±Ò+10, ¡ïÓаïÖú 2013-05-28 10:56:40
¸Ðл²ÎÓ룬ӦÖúÖ¸Êý +1
hawkl: ½ð±Ò+10, ¡ïÓаïÖú 2013-05-28 10:56:40
|
Â¥Ö÷×öÀÉìʱÈçºÎÈ¡µÄÑù£¿Ç°Èý·ùͼµÄÈ¡ÑùÃ²ËÆ´¹Ö±ÓÚÏËά״×éÖ¯£¬×îºóÒ»·ùÍ¼Ã²ËÆÑØ×ÅÏËά״×é֯ȡÑù£¬×îºóÒ»·ùͼΪ½âÀí¶ÏÁÑ£¬ºÓÁ÷×´¿´µÃ²»Ì«Ç壬µ«ÈÍÎѽÏÃ÷ÏÔ¡£ Õâ¸ö²ÄÁÏÉÕ½áºóÓ¦¸Ã×ö¹ýºóÐøµÄÔþÖÆ»òÀ°Î´¦Àí£¬Ó¦¸ÃÑØ×ÅÏËά״×éÖ¯·½ÏòÈ¡Ñù£¬»³ÒÉǰÈý·ùͼȡÑùÓеãÎÊÌâ¡£ÔÙ×ö½»Á÷ |
2Â¥2013-05-27 16:23:39
¹ú²ú¿Æ±È
ľ³æ (ÖøÃûдÊÖ)
- Ó¦Öú: 52 (³õÖÐÉú)
- ½ð±Ò: 1572.1
- É¢½ð: 997
- ºì»¨: 21
- Ìû×Ó: 1086
- ÔÚÏß: 280.2Сʱ
- ³æºÅ: 1134598
- ×¢²á: 2010-10-29
- ÐÔ±ð: GG
- רҵ: ½ðÊô»ù¸´ºÏ²ÄÁÏ
¡¾´ð°¸¡¿Ó¦Öú»ØÌû
¡ï ¡ï ¡ï ¡ï ¡ï ¡ï ¡ï ¡ï ¡ï ¡ï ¡ï ¡ï ¡ï ¡ï ¡ï
hawkl: ½ð±Ò+15, ¡ïÓаïÖú 2013-05-28 11:09:40
hawkl: ½ð±Ò+15, ¡ïÓаïÖú 2013-05-28 11:09:40
|
¿´¶ÏÁÑ·½Ê½ºê¹ÛµÄÕÕÆ¬¸üÄÜ˵Ã÷ÎÊÌ⣬½¨ÒéÂ¥Ö÷·ÅµÍ±¶ÊýµÄÏàÆ¬½øÐÐÌÖÂÛ¡£Ò»°ã¿ÅÁ£Ç¿»¯½ðÊô»ù¸´ºÏ²ÄÁϵĶÏÁѹý³ÌÊÇ£¬¿ÅÁ£Óë»ùÌåµÄ½áºÏ²»ºÃ£¬ÁÑÎÆÔ´Ê×ÏÈÔÚ¿ÅÁ£¸½½ü²úÉú£¬Ëæ×ÅÀÉì¹ý³ÌÖÐÁÑÎÆÊ×ÏÈÔÚ¿ÅÁ£-»ùÌå½çÃæ´¦½øÐÐÀ©Õ¹£¬Ö±µ½¶ÏÁÑ¡£¿ÅÁ£Èç¹ûºÍ»ùÌå½áºÏºÃµÄ»°£¬¿ÅÁ£ÓпÉÄÜÆðµ½×è°ÁÑÎÆÀ©Õ¹µÄ×÷Ó㬲ÄÁϵÄÇ¿¶ÈºÍËÜÐÔͬʱÌá¸ß£¬±ÈÈçÂÁºÏ½ðÀïµÄÎö³öÏà¡£²»¹ý´«Í³ÒâÒåÉϵĿÅÁ£Ç¿»¯ÂÁ»ù¸´ºÏ²ÄÁϺÜÄÑ´ïµ½ÕâÑùµÄЧ¹û¡£ Â¥Ö÷×îºóÒ»ÕÅͼ¿ÅÁ£·¢ÉúÁËÍžۣ¬Õâ¸üÈÝÒ×Õճɾֲ¿Ó¦Á¦¼¯ÖУ¬µ¼ÖÂÀÉì¹ý³ÌÖеÄÌáǰ¶ÏÁÑ¡£ |
3Â¥2013-05-27 20:40:51
hawkl
½ð³æ (СÓÐÃûÆø)
- Ó¦Öú: 0 (Ó×¶ùÔ°)
- ½ð±Ò: 136.4
- É¢½ð: 5
- Ìû×Ó: 166
- ÔÚÏß: 42.3Сʱ
- ³æºÅ: 1649776
- ×¢²á: 2012-02-28
- ÐÔ±ð: MM
- רҵ: ½ðÊô¹¦ÄܲÄÁÏ

4Â¥2013-05-28 10:56:56
hawkl
½ð³æ (СÓÐÃûÆø)
- Ó¦Öú: 0 (Ó×¶ùÔ°)
- ½ð±Ò: 136.4
- É¢½ð: 5
- Ìû×Ó: 166
- ÔÚÏß: 42.3Сʱ
- ³æºÅ: 1649776
- ×¢²á: 2012-02-28
- ÐÔ±ð: MM
- רҵ: ½ðÊô¹¦ÄܲÄÁÏ

5Â¥2013-05-28 11:09:27













»Ø¸´´ËÂ¥