| 查看: 432 | 回复: 0 | ||
[求助]
ZView作图
|
|
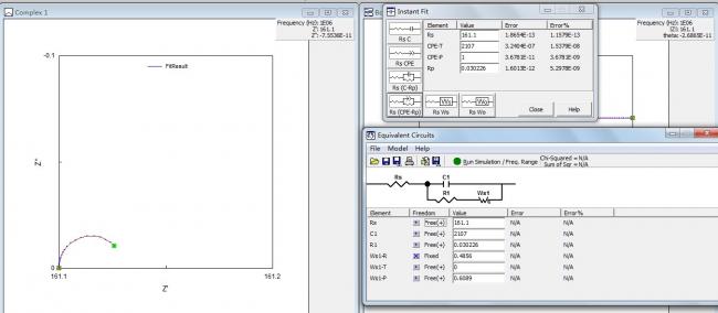
最近想用ZView对阻抗进行拟合,但是拟合出来怎么也不像,有知道的虫子教教我~~ 这个是CHI660D电化学工作站图 这个是我用ZView做的图,怎么只用半圆没有尾巴。 这几个数据是下图对应的数据吗? 60RSC~L[_IVHO$WPLKFJ]K2.jpg |
» 猜你喜欢
德国Karlsruhe Institute of Technology招收电化学储能及联合培养CSC博士等
已经有20人回复
德国Karlsruhe Institute of Technology招收电化学储能及联合培养CSC博士
已经有24人回复
分析化学论文润色/翻译怎么收费?
已经有234人回复
德国Karlsruhe Institute of Technology招收电化学储能及联合培养CSC博士
已经有1人回复
固态锂金属电池迁移数计算求助
已经有1人回复
荷兰奈梅亨大学赵文博与Galimberti课题组招收理论计算CSC博士 2000 欧元/月+房补
已经有0人回复
26储能博士申请自荐
已经有23人回复
上海交通大学--宁波东方理工大学电池方向博士招生
已经有10人回复
海南大学全国重点实验室杨金霖老师招收储能电池方向博士生(2026年3月报名,9月入学)
已经有1人回复
海南师范大学2026年博士研究生招收 (在职想提升学历人员可报考) 申请考核制+普通招考
已经有1人回复
申博求助
已经有0人回复













回复此楼