| ²é¿´: 951 | »Ø¸´: 5 | |
·Ïֽ¨Ð³æ (ÕýʽдÊÖ)
|
[ÇóÖú]
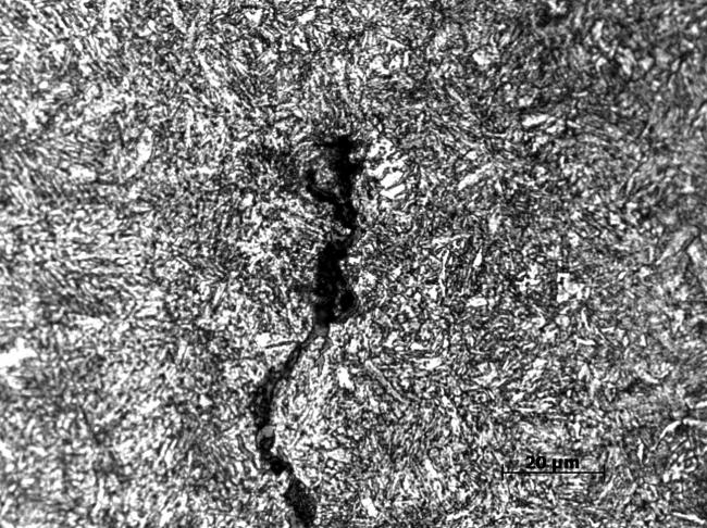
29Mn2¹Ü ´ã»ð³öË®¶ËÁÑÎÆ·ÖÎö
|
|
|
|
qlf_126ÖÁ×ðľ³æ (ÖªÃû×÷¼Ò)
|
|
![]() |
|
|
2Â¥2013-05-22 09:43:36
|
|
·Ïֽ¨Ð³æ (ÕýʽдÊÖ)
|
|
|
3Â¥2013-05-23 00:18:55
|
|
qlf_126ÖÁ×ðľ³æ (ÖªÃû×÷¼Ò)
|
|
![]() |
|
|
4Â¥2013-05-23 07:47:43
|
|
·Ïֽ¨Ð³æ (ÕýʽдÊÖ)
|
|
|
5Â¥2013-05-23 13:23:28
|
|
qqwangÌú³æ (ÕýʽдÊÖ)
|
|
|
6Â¥2013-05-23 13:37:15
|
|













»Ø¸´´ËÂ¥

ÍÑ̼²ãÓ¦¸ÃÊÇÔÚ100±¶ÊÓ³¡Ï¹۲죬½áºÏÏÔ΢Ӳ¶ÈÀ´Åжϵģ¡