| ²é¿´: 783 | »Ø¸´: 4 | ||
smileorflyгæ (³õÈëÎÄ̳)
|
[ÇóÖú]
2ϵÂÁºÏ½ð¾§¼ä¸¯Ê´ÎªÊ²Ã´¿´²»µ½¸¯Ê´Çø
|
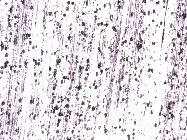
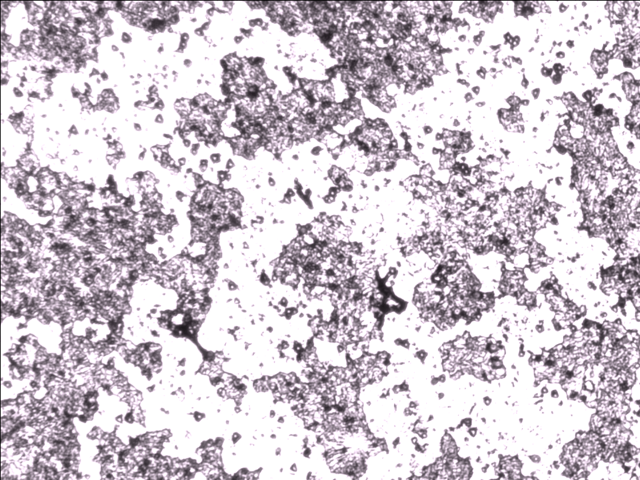
| ×î½ü×öÁË2ϵÂÁºÏ½ðµÄ¾§¼ä¸¯Ê´²âÊÔ£¬¿ÉÊǽØÃæÉÏÕÕ½ðÏà¸Ð¾õÖ»ÓоùÔȸ¯Ê´£¬±ßÔµ³Ê²¨ÀË×´£¬µ«ÊÇûÓз¢ÏÖ¾§¼ä¸¯Ê´£¬ÇëÎÊÕâÖÖÇé¿öÕý³£Âð£¿ÊµÔÚ²»ÖªµÀÊÇÄĸöµØ·½³öÁËÎÊÌâ¡£ |
» ²ÂÄãϲ»¶
Çóµ÷¼ÁԺУÐÅÏ¢
ÒѾÓÐ6È˻ظ´
ÄÜÔ´²ÄÁÏ»¯Ñ§¿ÎÌâ×éÕÐÊÕ˶ʿÑо¿Éú8-10Ãû
ÒѾÓÐ17È˻ظ´
Ò»Ö¾Ô¸±±¾©»¯¹¤´óѧ 070300 ѧ˶ 336·Ö Çóµ÷¼Á
ÒѾÓÐ3È˻ظ´
Ò»Ö¾Ô¸ÖÐÄÏ´óѧ»¯Ñ§Ñ§Ë¶0703×Ü·Ö337Çóµ÷¼Á
ÒѾÓÐ3È˻ظ´
260Çóµ÷¼Á
ÒѾÓÐ4È˻ظ´
²ÄÁÏÓ뻯¹¤085600£¬×Ü·Ö304£¬±¾¿ÆÓÐÁ½Æªsci²ÎÓ룬Çóµ÷¼Á
ÒѾÓÐ4È˻ظ´
Çóµ÷¼ÁÒ»Ö¾Ô¸º£´ó£¬0703»¯Ñ§Ñ§Ë¶304·Ö£¬Óдó´´ÏîÄ¿£¬Ëļ¶Òѹý
ÒѾÓÐ7È˻ظ´
Ò»Ö¾Ô¸¶«»ª´óѧ»¯Ñ§070300£¬Çóµ÷¼Á
ÒѾÓÐ7È˻ظ´
275Çóµ÷¼Á
ÒѾÓÐ7È˻ظ´
070300»¯Ñ§Çóµ÷¼Á
ÒѾÓÐ3È˻ظ´
» ±¾Ö÷ÌâÏà¹Ø¼ÛÖµÌùÍÆ¼ö£¬¶ÔÄúͬÑùÓаïÖú:
ÈçºÎÄ¥ÖÆ²»Ðâ¸Ö¾§¼ä¸¯Ê´ÊÔÑù±íÃæ
ÒѾÓÐ8È˻ظ´
°ÂÊÏÌå²»Ðâ¸Ö¾§¼ä¸¯Ê´ÆÀ¶¨EPR·¨£¨µç»¯Ñ§¶¯µçλÔڻ·¨£©
ÒѾÓÐ5È˻ظ´
²»Ðâ¸Ö¾§¼ä¸¯Ê´¿ÉÄÜÐÔ
ÒѾÓÐ5È˻ظ´
¡¾ÌÖÂÛ¡¿¹ØÓÚ6ϵÁÐÓë3ϵÁÐÂÁºÏ½ðµÄ½ðÏฯʴÎÊÌ⣿
ÒѾÓÐ4È˻ظ´
¡¾½»Á÷¡¿ÇëÎÊÓÐË×ö¹ýEPR·¨²â¾§¼ä¸¯Ê´ÇãÏòµÄʵÑéÂð£¿
ÒѾÓÐ4È˻ظ´
¡¾ÇóÖú¡¿¾§¼ä¸¯Ê´ÊÔÑé·½·¨
ÒѾÓÐ4È˻ظ´
¿ÆÑÐÁÖ
гæ (³õÈëÎÄ̳)
- Ó¦Öú: 0 (Ó×¶ùÔ°)
- ½ð±Ò: 23
- Ìû×Ó: 1
- ÔÚÏß: 30·ÖÖÓ
- ³æºÅ: 6406773
- ×¢²á: 2017-04-27
- רҵ: »ú¹¹Ñ§Óë»úÆ÷ÈË
2Â¥2017-04-27 15:33:51
VScoldness
гæ (СÓÐÃûÆø)
- Ó¦Öú: 1 (Ó×¶ùÔ°)
- ½ð±Ò: 1145.3
- É¢½ð: 100
- ºì»¨: 2
- Ìû×Ó: 171
- ÔÚÏß: 77.7Сʱ
- ³æºÅ: 4546732
- ×¢²á: 2016-03-28
- ÐÔ±ð: GG
- רҵ: ½ðÊô½á¹¹²ÄÁÏ
3Â¥2017-04-27 15:58:44
VScoldness
гæ (СÓÐÃûÆø)
- Ó¦Öú: 1 (Ó×¶ùÔ°)
- ½ð±Ò: 1145.3
- É¢½ð: 100
- ºì»¨: 2
- Ìû×Ó: 171
- ÔÚÏß: 77.7Сʱ
- ³æºÅ: 4546732
- ×¢²á: 2016-03-28
- ÐÔ±ð: GG
- רҵ: ½ðÊô½á¹¹²ÄÁÏ
|
ÉÏͼÊÇÎÒ¸¯Ê´µÄ2017ÂÁºÏ½ð£¬Ò²ÊÇ¿´²»µ½¾§½ç¡£ÉËÐÄѽ£¬ÊÔÁ˺öฯʴҺ¡£ ·¢×ÔСľ³æIOS¿Í»§¶Ë |
4Â¥2017-04-27 15:59:16
lihui9539
гæ (³õÈëÎÄ̳)
- Ó¦Öú: 0 (Ó×¶ùÔ°)
- ½ð±Ò: 365.1
- Ìû×Ó: 11
- ÔÚÏß: 9.5Сʱ
- ³æºÅ: 2403702
- ×¢²á: 2013-04-06
- רҵ: ½ðÊô¹¦ÄܲÄÁÏ
5Â¥2017-04-27 20:11:10













»Ø¸´´ËÂ¥