24小时热门版块排行榜    

Znn3bq.jpeg
查看: 1300  |  回复: 0

tttt23456

捐助贵宾 (小有名气)

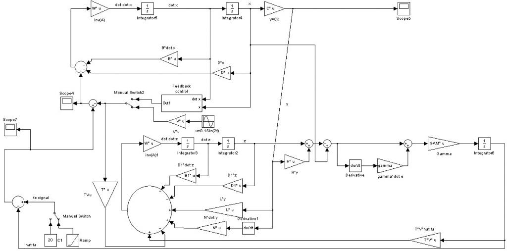
[求助] 求助于simulink中观测器的设计

看了一篇二阶系统未知输入观测器的文章,想按着论文中的思路做个仿真,但是怎么也出不了结果,所有的数据都是用的原文中的,但是系统还是发散,麻烦高手帮忙解答一下是为什么。具体看图片吧。
仿真中上半部分是远系统,下半部分是观测器。

question.jpg



simulink.jpg
回复此楼
已阅   回复此楼   关注TA 给TA发消息 送TA红花 TA的回帖

智能机器人

Robot (super robot)

我们都爱小木虫

相关版块跳转 我要订阅楼主 tttt23456 的主题更新
最具人气热帖推荐 [查看全部] 作者 回/看 最后发表
[考研] 售SCI一区T0P文章,我:8.O.5.5.1.O.5.4,科目齐全,可+急 +3 a2tycdlnq1 2026-05-23 5/250 2026-05-24 16:21 by hhx1yx9evi
[论文投稿] 售SCI一区T0P文章,我:8.O.5.5.1.O.5.4,科目齐全,可+急 +3 a2tycdlnq1 2026-05-23 4/200 2026-05-24 16:16 by hhx1yx9evi
[基金申请] 河北省自然科学基金 +6 Peterchao 2026-05-18 9/450 2026-05-24 16:02 by 130067131
[硕博家园] 售SCI一区T0P文章,我:8.O.5.5.1.O.5.4,科目齐全,可+急 +4 pmo95bazuy 2026-05-23 8/400 2026-05-24 15:56 by 1uy1ht2y9r
[教师之家] 论文撤稿了 +3 bjvtcliu 2026-05-24 5/250 2026-05-24 10:06 by Equinoxhua
[考博] 26/27申博自荐 10+4 ZXW0202 2026-05-22 9/450 2026-05-24 08:47 by bjvtcliu
[硕博家园] 售SCI一区T0P文章,我:8.O.5.5.1.O.5.4,科目齐全,可+急 +3 hvkbtfonbv 2026-05-23 3/150 2026-05-24 08:01 by 9ps9vgkqva
[基金申请] 揭秘青基评审内幕:几个A才能顺利中标 +3 国自然国社科中 2026-05-23 4/200 2026-05-23 15:37 by 2000zf36392
[基金申请] 青B发送上会通知了吗 +5 chemBioBro 2026-05-22 7/350 2026-05-23 12:35 by zhuifengzhy
[考博] 博士申请 +3 焦晓明 2026-05-21 3/150 2026-05-23 11:26 by mlc840311
[论文投稿] 投稿求助,期刊 +4 希冀,有书读 2026-05-20 8/400 2026-05-22 10:16 by 希冀,有书读
[文学芳草园] 献血感触 +7 呀呀好傻 2026-05-19 13/650 2026-05-21 20:15 by 呀呀好傻
[基金申请] 面上本子正文33页,违规吗?会被低分嘛? +14 1234567wang 2026-05-17 16/800 2026-05-21 17:58 by 脆脆的饼干
[基金申请] 国自然评分 +4 无名者登山 2026-05-20 5/250 2026-05-21 16:35 by swuq
[基金申请] 国自然上会要求 +7 无名者登山 2026-05-18 11/550 2026-05-21 15:50 by draco1987
[基金申请] 提交了我也来说说感想 +9 fummck 2026-05-20 10/500 2026-05-21 14:17 by draco1987
[基金申请] 评审有感 +15 popular289 2026-05-18 26/1300 2026-05-21 10:35 by 西葫芦炒鸡蛋
[考博] 如果工作了想读博,可以边工作边读全日制嘛? 30+3 铁达火车 2026-05-18 5/250 2026-05-20 09:33 by tfang
[考博] 博士申请 +5 星…… 2026-05-18 6/300 2026-05-18 23:49 by 糊糊涂涂好
[硕博家园] 我在等一个没有答案的答案 +3 Love_MH 2026-05-17 3/150 2026-05-18 02:22 by 竹林孤影
信息提示
请填处理意见