版块导航
正在加载中...
客户端APP下载
登录
注册
帖子
帖子
用户
本版
应《网络安全法》要求,自2017年10月1日起,未进行实名认证将不得使用互联网跟帖服务。为保障您的帐号能够正常使用,请尽快对帐号进行手机号验证,感谢您的理解与支持!
24小时热门版块排行榜
>
论坛更新日志
(3544)
>
虫友互识
(441)
>
仿真模拟
(324)
>
导师招生
(321)
>
文献求助
(309)
>
考博
(176)
>
休闲灌水
(139)
>
硕博家园
(96)
>
基金申请
(76)
>
论文投稿
(73)
>
招聘信息布告栏
(64)
>
有机交流
(52)
>
公派出国
(50)
>
攻关文献(高奖励)
(37)
>
外文书籍求助
(32)
>
绿色求助(高悬赏)
(26)
小木虫论坛-学术科研互动平台
»
材料区
»
复合材料
»
制备成型
»
填充聚合物材料表面抛光
7
1/1
返回列表
查看: 993 | 回复: 6
只看楼主
@他人
存档
新回复提醒
(忽略)
收藏
在APP中查看
頔1234
新虫
(初入文坛)
应助: 1
(幼儿园)
金币: 69
帖子: 47
在线: 12.5小时
虫号: 2196287
[交流]
填充聚合物材料表面抛光
想用光学显微镜或者扫描电镜通过看表面形貌来得到填料的分散效果,据说要对试样表面进行抛光。试样是聚乙烯基的,很软,不知道怎么抛光。急需专业人士交流!
回复此楼
» 猜你喜欢
西京学院-结构工程-2026研究生调剂
已经有0人回复
上海海事大学“安全科学与工程”一级学科硕士学位授予点尚有部分缺额
已经有0人回复
建筑环境与结构工程论文润色/翻译怎么收费?
已经有127人回复
西京学院-结构工程-2026研究生调剂
已经有0人回复
【广州】仲恺农业工程学院城乡建设学院土木水利专业硕士招大量调剂,线上复试
已经有0人回复
【广州】仲恺农业工程学院城乡建设学院土木水利专业硕士招大量调剂,线上复试
已经有0人回复
上海海事大学安全科学与工程学科有部分名额,欢迎调剂
已经有0人回复
土木考研调剂-08开头和计算机专业+V:18173116706
已经有0人回复
【广州】仲恺农业工程学院城乡建设学院土木水利专业硕士招大量调剂,线上复试
已经有0人回复
【广州】仲恺农业工程学院城乡建设学院土木水利专业硕士招大量调剂,线上复试
已经有0人回复
广西大学土木博士招生
已经有5人回复
» 本主题相关商家推荐:
(我也要在这里推广)
高级回复
» 本主题相关价值贴推荐,对您同样有帮助:
溶液流延制备纳米粒子填充聚合物基复合材料,溶剂挥发速度对纳米团聚的影响
已经有4人回复
请问清洗抛光材料的洗蜡水清洗效果用什么方法检测
已经有4人回复
宏观组织腐蚀还需要对材料表面进行什么处理
已经有7人回复
填充聚合物用粉体表面改性
已经有24人回复
纳米润滑
已经有53人回复
» 抢金币啦!回帖就可以得到:
查看全部散金贴
山东征女友,坐标济南
+
1
/172
薄膜断层光谱仪,看透薄膜内部!🔍
+
1
/87
【通知】北京信息科技大学仪器科学与光电工程学院招收博士研究生(2026)
+
1
/85
广东工业大学自动化学院国家特聘专家苏春翌教授招收2026年博士后及硕博研究生(推免)
+
1
/84
山东第一医科大学泰山学者团队2026年招收副教授、博士后(不限专业)
+
1
/80
兰州新区化工产业招商引资
+
1
/76
诚邀津门师者共研
+
1
/75
坐标广州
+
2
/50
【通知】北京信息科技大学仪器科学与光电工程学院招收调剂生(2026),快来报名吧!
+
1
/37
【通知】北京信息科技大学仪器科学与光电工程学院招收博士研究生(2026)
+
2
/32
【20260528】湖南工业大学许利剑教授招收2026级生物医学工程博士研究生
+
1
/23
【急招】 北京工业大学 能动第二批博士申请-杰青课题组1-2名额,25日截止!!
+
1
/12
【截止2026年5月31日】石家庄铁道大学智能交通课题组诚招理工科背景博士
+
1
/10
杭州师范大学博士后招聘
+
1
/6
地大武汉(211)招生光刻胶半导体方向博士生
+
1
/4
【通知】北京信息科技大学仪器科学与光电工程学院招收博士研究生(2026),还有名额!
+
1
/4
北航杭州国际校区招聘3D 打印、陶瓷材料等博后
+
1
/3
科研解析 | 单细胞测序技术为何如此火?
+
1
/2
【皇家墨尔本理工大学】招大模型安全博士
+
1
/2
四川大学招聘联合培养学生/科研助理/2027届博士
+
1
/2
1楼
2013-05-04 21:30:34
已阅
回复此楼
关注TA
给TA发消息
送TA红花
TA的回帖
wwy1107
银虫
(正式写手)
应助: 3
(幼儿园)
金币: 4194.2
帖子: 342
在线: 73.4小时
虫号: 1078354
★ ★
小木虫: 金币+0.5, 给个红包,谢谢回帖
頔1234: 金币+1
2013-05-07 19:48:57
看透射或者脆断看断口吧
[ 发自手机版 http://muchong.com/3g ]
赞
一下
(1人)
回复此楼
2楼
2013-05-06 06:48:27
已阅
回复此楼
关注TA
给TA发消息
送TA红花
TA的回帖
頔1234
新虫
(初入文坛)
应助: 1
(幼儿园)
金币: 69
帖子: 47
在线: 12.5小时
虫号: 2196287
引用回帖:
2楼
:
Originally posted by
wwy1107
at 2013-05-06 06:48:27
看透射或者脆断看断口吧
就是不想看断口才要抛光的
赞
一下
回复此楼
3楼
2013-05-07 19:48:17
已阅
回复此楼
关注TA
给TA发消息
送TA红花
TA的回帖
walxf1987
新虫
(小有名气)
应助: 2
(幼儿园)
金币: 86.1
帖子: 58
在线: 30.4小时
虫号: 1289557
★ ★ ★
小木虫: 金币+0.5, 给个红包,谢谢回帖
頔1234: 金币+2, 很给力、多谢!
2013-05-12 23:25:49
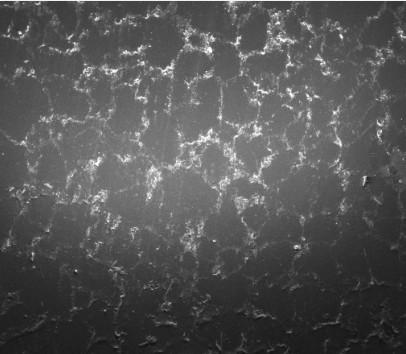
我抛过聚乙烯基体 就拿1200或1500的砂纸磨 再用抛光机抛
未命名.jpg
赞
一下
回复此楼
4楼
2013-05-09 09:49:32
已阅
回复此楼
关注TA
给TA发消息
送TA红花
TA的回帖
hwweven
至尊木虫
(知名作家)
CM-EPI: 4
应助: 854
(博后)
贵宾: 1.482
金币: 26688
帖子: 8940
在线: 1616.8小时
虫号: 489804
★
小木虫: 金币+0.5, 给个红包,谢谢回帖
用不同粗细的砂纸打磨,在磨抛机上做。
赞
一下
回复此楼
5楼
2013-05-10 10:49:19
已阅
回复此楼
关注TA
给TA发消息
送TA红花
TA的回帖
頔1234
新虫
(初入文坛)
应助: 1
(幼儿园)
金币: 69
帖子: 47
在线: 12.5小时
虫号: 2196287
引用回帖:
4楼
:
Originally posted by
walxf1987
at 2013-05-09 09:49:32
我抛过聚乙烯基体 就拿1200或1500的砂纸磨 再用抛光机抛
未命名.jpg
是什么样的抛光机?还有,这个图是用光镜拍的吗?
赞
一下
回复此楼
6楼
2013-05-12 23:28:40
已阅
回复此楼
关注TA
给TA发消息
送TA红花
TA的回帖
夏之暖溪
金虫
(小有名气)
应助: 0
(幼儿园)
金币: 1805.3
帖子: 128
在线: 155.9小时
虫号: 1191318
★
小木虫: 金币+0.5, 给个红包,谢谢回帖
引用回帖:
4楼
:
Originally posted by
walxf1987
at 2013-05-09 09:49:32
我抛过聚乙烯基体 就拿1200或1500的砂纸磨 再用抛光机抛
未命名.jpg
你好,请问发亮部分是什么?
赞
一下
回复此楼
7楼
2013-05-13 22:11:04
已阅
回复此楼
关注TA
给TA发消息
送TA红花
TA的回帖
相关版块跳转
材料综合
材料工程
微米和纳米
晶体
金属
无机非金属
生物材料
功能材料
复合材料
我要订阅楼主
頔1234
的主题更新
7
1/1
返回列表
如果回帖内容含有宣传信息,请如实选中。否则帐号将被全论坛禁言
普通表情
龙
兔
虎
猫
高级回复
(可上传附件)
百度网盘
|
360云盘
|
千易网盘
|
华为网盘
在新窗口页面中打开自己喜欢的网盘网站,将文件上传后,然后将下载链接复制到帖子内容中就可以了。
信息提示
关闭
请填处理意见
关闭
确定