| 查看: 2977 | 回复: 4 | |
cjx_jojo铜虫 (初入文坛)
|
[求助]
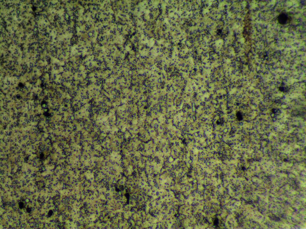
5Cr15MoV菜刀使用时断裂,其金相如图,大家帮忙看看什么原因
|
![]() |
|
|
|
|
|
2楼2013-05-04 00:05:22
|
|
billiards至尊木虫 (著名写手)
|
|
|
3楼2013-05-04 02:51:02
|
|
wyb1988
|
|
|
4楼2013-05-04 08:58:34
|
|
|
5楼2013-05-04 11:15:44
|
|













回复此楼
