| 查看: 1319 | 回复: 11 | ||
| 当前只显示满足指定条件的回帖,点击这里查看本话题的所有回帖 | ||
材料中人
|
[交流]
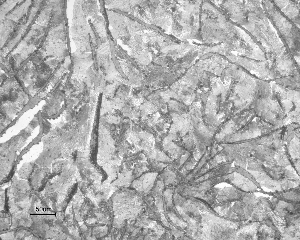
求助大神看一下,层片状石墨旁边的黑点是啥东西?已有6人参与
|
|
11楼2013-04-24 21:11:50
![]() ![]() ![]() ![]() |
2楼2013-04-15 22:16:09
3楼2013-04-16 17:15:03
材料中人
铜虫 (小有名气)
- 应助: 9 (幼儿园)
- 金币: 2544.6
- 散金: 200
- 红花: 4
- 帖子: 165
- 在线: 123.8小时
- 虫号: 1850977
- 注册: 2012-06-07
- 专业: 金属材料的凝固与结晶学
4楼2013-04-16 17:44:21













回复此楼

灰铸铁,为加合金,小炉熔炼,碳当量为4.0,含碳3.4%,未进行任何热处理