24小时热门版块排行榜    

查看: 3368  |  回复: 18

LiuXue11

新虫 (小有名气)


[交流] 纳米金棒的SiO2包袱,大家给点建议

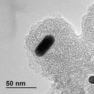
最近一直在琢磨金纳米棒的二氧化硅包袱,出现下面的一些问题:1,加入NaOH调节PH值到10左右,再加入TEOS/乙醇,溶液变得透明,磁振子上反而有许多的脏东西。2,加NaOH调节PH值到10左右时,非常容易出现团聚,溶液变得透明。3,乙醇清洗后分散于水中,做样品时,铜网上有大片白色的颗粒。4.TEM如下图。大师们给点意见啊,谢谢

图片3.gif



图片1.gif



图片2.gif
回复此楼

» 收录本帖的淘帖专辑推荐

纳米材料 (Nano Materials) 金棒外包SiO2

» 猜你喜欢

» 本主题相关商家推荐: (我也要在这里推广)

» 本主题相关价值贴推荐,对您同样有帮助:

» 抢金币啦!回帖就可以得到:

查看全部散金贴

已阅   回复此楼   关注TA 给TA发消息 送TA红花 TA的回帖
回帖支持 ( 显示支持度最高的前 50 名 )

acast

新虫 (正式写手)



小木虫: 金币+0.5, 给个红包,谢谢回帖
我不知道你的金棒的表面活性剂是什么  还有在什么条件下反应 NaOH会沉淀 换浓氨水试试吧
8楼2013-03-29 04:35:49
已阅   回复此楼   关注TA 给TA发消息 送TA红花 TA的回帖

小小岚

新虫 (初入文坛)



小木虫: 金币+0.5, 给个红包,谢谢回帖
我用的CTAB包覆的纳米棒,水洗两次之后加TEOS, 加的量要根据纳米棒的表面积以及想要的二氧化硅层厚度 (我做的近似:一个纳米棒相当于一个圆柱加一个球形)。

» 本帖已获得的红花(最新10朵)

14楼2014-04-25 01:01:47
已阅   回复此楼   关注TA 给TA发消息 送TA红花 TA的回帖
普通回帖

USTC_STM

金虫 (正式写手)



小木虫: 金币+0.5, 给个红包,谢谢回帖
这个包裹的很差了,包裹之前没有处理好。
2楼2013-03-27 22:34:11
已阅   回复此楼   关注TA 给TA发消息 送TA红花 TA的回帖

hy:tuzi28:

金虫 (小有名气)



小木虫: 金币+0.5, 给个红包,谢谢回帖
二氧化硅 是 非晶的 ?
3楼2013-03-28 01:14:18
已阅   回复此楼   关注TA 给TA发消息 送TA红花 TA的回帖

USTC_STM

金虫 (正式写手)



小木虫: 金币+0.5, 给个红包,谢谢回帖
有介孔和晶体的sio2包裹
4楼2013-03-28 09:01:05
已阅   回复此楼   关注TA 给TA发消息 送TA红花 TA的回帖

zihua886

铁杆木虫 (正式写手)



小木虫: 金币+0.5, 给个红包,谢谢回帖
得,还是那句话。把你的条件和步骤讲清楚再说。
5楼2013-03-28 09:52:48
已阅   回复此楼   关注TA 给TA发消息 送TA红花 TA的回帖

LiuXue11

新虫 (小有名气)


引用回帖:
5楼: Originally posted by zihua886 at 2013-03-28 09:52:48
得,还是那句话。把你的条件和步骤讲清楚再说。

GNRs离心以后分散于10ML的水中,加NaOH调PH=10,加50uLTEOS(10%)/乙醇溶液。
6楼2013-03-28 21:31:57
已阅   回复此楼   关注TA 给TA发消息 送TA红花 TA的回帖

LiuXue11

新虫 (小有名气)


引用回帖:
2楼: Originally posted by USTC_STM at 2013-03-27 22:34:11
这个包裹的很差了,包裹之前没有处理好。

是的,上面是第一次做的,还在尝试,但是加NaOH后经常出现团聚

[ Last edited by LiuXue11 on 2013-3-28 at 21:35 ]
7楼2013-03-28 21:33:31
已阅   回复此楼   关注TA 给TA发消息 送TA红花 TA的回帖

USTC_STM

金虫 (正式写手)



小木虫: 金币+0.5, 给个红包,谢谢回帖
引用回帖:
7楼: Originally posted by LiuXue11 at 2013-03-28 21:33:31
是的,上面是第一次做的,还在尝试,但是加NaOH后经常出现团聚
...

这个已经很成熟了。很容易包好的。
9楼2013-03-29 09:01:33
已阅   回复此楼   关注TA 给TA发消息 送TA红花 TA的回帖

USTC_STM

金虫 (正式写手)


引用回帖:
8楼: Originally posted by acast at 2013-03-29 04:35:49
我不知道你的金棒的表面活性剂是什么  还有在什么条件下反应 NaOH会沉淀 换浓氨水试试吧

CTAB  NaOH 可以的
10楼2013-03-29 09:02:10
已阅   回复此楼   关注TA 给TA发消息 送TA红花 TA的回帖

bachier

金虫 (职业作家)



小木虫: 金币+0.5, 给个红包,谢谢回帖
引用回帖:
4楼: Originally posted by USTC_STM at 2013-03-28 09:01:05
有介孔和晶体的sio2包裹

晶体的氧化硅能包裹到金纳米棒上,那是比较牛的实验结果了。
11楼2013-03-29 14:39:25
已阅   回复此楼   关注TA 给TA发消息 送TA红花 TA的回帖

毛毛雨6956

铁杆木虫 (正式写手)



小木虫: 金币+0.5, 给个红包,谢谢回帖
很多包硅的不是用氨水吗?NaOH太强了吧
12楼2013-03-29 22:11:23
已阅   回复此楼   关注TA 给TA发消息 送TA红花 TA的回帖

USTC_STM

金虫 (正式写手)



小木虫: 金币+0.5, 给个红包,谢谢回帖
引用回帖:
12楼: Originally posted by 毛毛雨6956 at 2013-03-29 22:11:23
很多包硅的不是用氨水吗?NaOH太强了吧

Naoh完全可以实现的
13楼2013-03-30 14:24:01
已阅   回复此楼   关注TA 给TA发消息 送TA红花 TA的回帖

小黄online

金虫 (小有名气)



小木虫: 金币+0.5, 给个红包,谢谢回帖
送红花一朵
引用回帖:
14楼: Originally posted by 小小岚 at 2014-04-25 01:01:47
我用的CTAB包覆的纳米棒,水洗两次之后加TEOS, 加的量要根据纳米棒的表面积以及想要的二氧化硅层厚度 (我做的近似:一个纳米棒相当于一个圆柱加一个球形)。

你是怎么确定金棒的量的呢?
15楼2015-05-22 21:11:50
已阅   回复此楼   关注TA 给TA发消息 送TA红花 TA的回帖

小黄online

金虫 (小有名气)


楼主包覆成功了吗?求教!!!!
16楼2015-05-22 21:13:24
已阅   回复此楼   关注TA 给TA发消息 送TA红花 TA的回帖

小h大h

金虫 (小有名气)


TEOS水解有问题
17楼2015-05-23 09:14:07
已阅   回复此楼   关注TA 给TA发消息 送TA红花 TA的回帖

小木虫: 金币+0.5, 给个红包,谢谢回帖
金棒最好先做ligand exchange。
18楼2015-05-23 10:31:10
已阅   回复此楼   关注TA 给TA发消息 送TA红花 TA的回帖

yezi0314

新虫 (初入文坛)



小木虫: 金币+0.5, 给个红包,谢谢回帖
请问一下参考的文章是哪一篇?
19楼2015-06-29 10:36:47
已阅   回复此楼   关注TA 给TA发消息 送TA红花 TA的回帖
相关版块跳转 我要订阅楼主 LiuXue11 的主题更新
普通表情 高级回复 (可上传附件)
最具人气热帖推荐 [查看全部] 作者 回/看 最后发表
[考研] 本人考085602 化学工程 专硕 +21 不知道叫什么! 2026-03-15 23/1150 2026-03-22 00:12 by BruceLiu320
[考研] 初试 317 +7 半拉月丙 2026-03-20 7/350 2026-03-21 22:26 by peike
[考研] 333求调剂 +5 87639 2026-03-21 7/350 2026-03-21 19:31 by ColorlessPI
[考研] 265求调剂 +12 梁梁校校 2026-03-19 14/700 2026-03-21 13:38 by lature00
[考研] 279分求调剂 一志愿211 +14 chaojifeixia 2026-03-19 15/750 2026-03-21 13:24 by zhukairuo
[考研] 332求调剂 +4 ydfyh 2026-03-17 4/200 2026-03-21 02:20 by JourneyLucky
[考研] 华东师范大学-071000生物学-293分-求调剂 +3 研究生何瑶明 2026-03-18 3/150 2026-03-21 01:30 by JourneyLucky
[考研] 22408 344分 求调剂 一志愿 华电计算机技术 +4 solanXXX 2026-03-20 4/200 2026-03-20 23:49 by alg094825
[考研] 一志愿 西北大学 ,070300化学学硕,总分287,双非一本,求调剂。 +4 晨昏线与星海 2026-03-19 4/200 2026-03-20 22:15 by JourneyLucky
[考研] 295材料求调剂,一志愿武汉理工085601专硕 +5 Charlieyq 2026-03-19 5/250 2026-03-20 20:35 by JourneyLucky
[考研] 289求调剂 +6 怀瑾握瑜l 2026-03-20 6/300 2026-03-20 20:30 by 学员8dgXkO
[考研] 261求B区调剂,科研经历丰富 +3 牛奶很忙 2026-03-20 4/200 2026-03-20 19:34 by JourneyLucky
[考研] 一志愿南理工085701环境302求调剂院校 +3 葵梓卫队 2026-03-20 3/150 2026-03-20 19:28 by zhukairuo
[考研] 一志愿中国海洋大学,生物学,301分,求调剂 +5 1孙悟空 2026-03-17 6/300 2026-03-19 23:46 by zcl123
[考研] 生物学调剂招人!!! +3 山海天岚 2026-03-17 4/200 2026-03-19 21:34 by 怎么释怀
[考博] 26博士申请 +3 1042136743 2026-03-17 3/150 2026-03-17 23:30 by 轻松不少随
[考研] 085601求调剂 +4 Du.11 2026-03-16 4/200 2026-03-17 17:08 by ruiyingmiao
[论文投稿] 有没有大佬发小论文能带我个二作 +3 增锐漏人 2026-03-17 4/200 2026-03-17 09:26 by xs74101122
[考研] 11408 一志愿西电,277分求调剂 +3 zhouzhen654 2026-03-16 3/150 2026-03-17 07:03 by laoshidan
[考研] [导师推荐]西南科技大学国防/材料导师推荐 +3 尖角小荷 2026-03-16 6/300 2026-03-16 23:21 by 尖角小荷
信息提示
请填处理意见