24小时热门版块排行榜    

查看: 440  |  回复: 0

天道——酬勤

木虫 (小有名气)

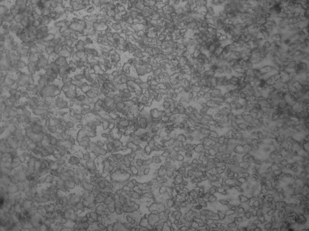
[求助] 麻烦大家帮我看个金相图

双相不锈钢2507 腐蚀液是苦味酸+盐酸。500倍的图像。1000倍图像
麻烦大家帮我分析一下。十分感谢!!

图像-06.JPG



图像-07.JPG
回复此楼

» 猜你喜欢

做到无悔真的很难!
已阅   回复此楼   关注TA 给TA发消息 送TA红花 TA的回帖
相关版块跳转 我要订阅楼主 天道——酬勤 的主题更新
最具人气热帖推荐 [查看全部] 作者 回/看 最后发表
[考研] 346求调剂[0856] +4 WayneLim327 2026-03-16 7/350 2026-03-21 04:02 by JourneyLucky
[考研] 310求调剂 +3 baibai1314 2026-03-16 3/150 2026-03-21 03:56 by JourneyLucky
[考研] 机械专硕299求调剂至材料 +3 kkcoco25 2026-03-16 4/200 2026-03-21 03:52 by JourneyLucky
[考研] 303求调剂 +5 睿08 2026-03-17 7/350 2026-03-21 03:11 by JourneyLucky
[考研] 299求调剂 +6 △小透明* 2026-03-17 6/300 2026-03-21 02:42 by JourneyLucky
[考研] 265求调剂 +9 梁梁校校 2026-03-17 9/450 2026-03-21 02:17 by JourneyLucky
[考研] 324分 085600材料化工求调剂 +4 llllkkkhh 2026-03-18 4/200 2026-03-21 01:24 by JourneyLucky
[考研] 317求调剂 +8 申子申申 2026-03-19 13/650 2026-03-21 00:09 by 刘国森
[考研] 304求调剂 +7 司空. 2026-03-18 7/350 2026-03-20 23:08 by JourneyLucky
[考研] 350求调剂 +5 weudhdk 2026-03-19 5/250 2026-03-20 22:04 by luoyongfeng
[考研] 中南大学化学学硕337求调剂 +3 niko- 2026-03-19 6/300 2026-03-20 21:58 by luoyongfeng
[考研] 一志愿中南化学(0703)总分337求调剂 +8 niko- 2026-03-19 9/450 2026-03-20 21:57 by luoyongfeng
[考研] 265求调剂 +12 梁梁校校 2026-03-19 13/650 2026-03-20 21:01 by 无际的草原
[考研] 本人考085602 化学工程 专硕 +19 不知道叫什么! 2026-03-15 21/1050 2026-03-20 20:48 by zhukairuo
[考研] 一志愿北京化工大学0703化学318分,有科研经历,求调剂 +4 一瓶苯甲酸 2026-03-14 4/200 2026-03-20 20:36 by fen_rao
[考研] 0703化学调剂 ,六级已过,有科研经历 +13 曦熙兮 2026-03-15 13/650 2026-03-20 19:35 by Dream007008
[考研] 环境工程调剂 +9 大可digkids 2026-03-16 9/450 2026-03-20 17:38 by 醉在风里
[考研] 298-一志愿中国农业大学-求调剂 +9 手机用户 2026-03-17 9/450 2026-03-20 14:24 by 无懈可击111
[考研] 一志愿苏州大学材料工程(085601)专硕有科研经历三项国奖两个实用型专利一项省级立项 +6 大火山小火山 2026-03-16 8/400 2026-03-17 15:05 by 无懈可击111
[考研] 本科南京大学一志愿川大药学327 +3 麦田耕者 2026-03-14 3/150 2026-03-14 20:04 by 外星文明
信息提示
请填处理意见