| ²é¿´: 2273 | »Ø¸´: 4 | ||
dididada8823ľ³æ (ÕýʽдÊÖ)
|
[ÇóÖú]
image-pro plusµÈÈí¼þ´¦Àí¡ª¡ªSEM·ÖÉ¢ÏàÁ£¾¶³ß´çͳ¼Æ·ÖÎö¡ª¡ª¼±£¡¼±£¡¼±£¡
|
|
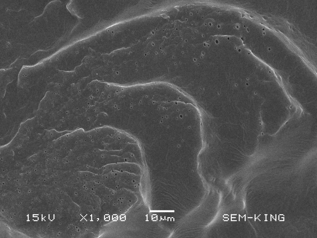
ÈçÏÂͼËùʾ£¬ÎÒÏë¶Ô´ËͼÖеķÖÉ¢ÏࣨºÚ¿×£©½øÐÐÁ£¾¶Í³¼Æ¡£ÎÄÏ×ÉϾùÓÃimage-pro plus ´¦Àí·ÖÎö£¬ÎÒÒ²Ñо¿Á˺ܾã¬Ñ¡È¡µÄ¶ÔÏó×ÜÊDz»Ì«×¼È·¡£Çó¸ßÈËÖ¸½Ì£¬»òÕß˵ÄúÓÐÆäËû¸üºÃµÄ°ì·¨»òÈí¼þ¶¼¿ÉÒÔ¡£ ´ó¼ÒÒ»ÆðÀ´°ï°ïæ°É£¬ÎÒ¼±×ÅдÂÛÎÄ¡£ c1-1000-3.jpg c2-1000-3.jpg 1000-3.jpg [ À´×Ô¿ÆÑмÒ×å ÃμÒÔ° ] |
» ²ÂÄãϲ»¶
Ò»Ö¾Ô¸±±½»´ó²ÄÁϹ¤³Ì×Ü·Ö358Çóµ÷¼Á
ÒѾÓÐ6È˻ظ´
312Çóµ÷¼Á
ÒѾÓÐ7È˻ظ´
²ÄÁÏ334Çóµ÷¼Á
ÒѾÓÐ19È˻ظ´
ÉúÎïÓëÒ½Ò©273Çóµ÷¼Á
ÒѾÓÐ6È˻ظ´
301Çóµ÷¼Á
ÒѾÓÐ10È˻ظ´
ר˶0854³õÊÔ¿¼²Ä¿Æ»ù£¬Çóµ÷¼Á
ÒѾÓÐ5È˻ظ´
0703»¯Ñ§
ÒѾÓÐ15È˻ظ´
0703µ÷¼Á£¬Ò»Ö¾Ô¸Ìì½ò´óѧ319·Ö
ÒѾÓÐ9È˻ظ´
085600²ÄÁÏÓ뻯¹¤301·ÖÇóµ÷¼ÁԺУ
ÒѾÓÐ10È˻ظ´
Çóµ÷¼Á
ÒѾÓÐ8È˻ظ´
» ±¾Ö÷ÌâÏà¹Ø¼ÛÖµÌùÍÆ¼ö£¬¶ÔÄúͬÑùÓаïÖú:
¹ØÓÚImage-Pro PlusËùµÃ¼ÆËãÃæ»ýÖµµÄÎÊÌâ
ÒѾÓÐ8È˻ظ´
ƽ¾ùÁ£¾¶´óСºÍ·ÖÉ¢¶ÈÖ®¼äµÄ¼ÆËã·½·¨
ÒѾÓÐ9È˻ظ´
ÇóÖú£ºImageJ»òÕßImage pro plusÈí¼þ²â¾§Á£³ß´çµÄ¾ßÌå²Ù×÷²½Öè
ÒѾÓÐ17È˻ظ´
image-pro-plus 5[1][1].0¼ÆËãTEMͼÖÐ΢Á£Á£¾¶µÄ²Ù×÷¹ý³Ì
ÒѾÓÐ229È˻ظ´
Çë½ÌÓйØIMAGE-PRO-PLUSÈí¼þ²âÁ¿¿ÅÁ£³ß´çµÄÎÊÌâ
ÒѾÓÐ16È˻ظ´
¡¾ÇóÖú¡¿ÇóÓÃÓÚ·ÖÎö¿ÅÁ£Á£¾¶µÄͼÏñ´¦ÀíÈí¼þ£¨Image-pro Express 4.0£©
ÒѾÓÐ3È˻ظ´

2909039745626
½ð³æ (ÖøÃûдÊÖ)
- Ó¦Öú: 71 (³õÖÐÉú)
- ½ð±Ò: 1112.1
- É¢½ð: 125
- ºì»¨: 4
- Ìû×Ó: 1607
- ÔÚÏß: 299.2Сʱ
- ³æºÅ: 760743
- ×¢²á: 2009-04-30
- ÐÔ±ð: GG
- רҵ: ¾ÛºÏÎï¹²»ìÓ븴ºÏ²ÄÁÏ
2Â¥2012-12-24 17:48:54
dididada8823
ľ³æ (ÕýʽдÊÖ)
- PEPI: 3
- Ó¦Öú: 7 (Ó×¶ùÔ°)
- ½ð±Ò: 4478.8
- É¢½ð: 195
- ºì»¨: 31
- Ìû×Ó: 424
- ÔÚÏß: 129.8Сʱ
- ³æºÅ: 555393
- ×¢²á: 2008-05-09
- רҵ: ¹¦ÄÜÓëÖÇÄܸ߷Ö×Ó

3Â¥2012-12-24 20:32:03
wlctcl
ľ³æ (ÖøÃûдÊÖ)
- PEPI: 1
- Ó¦Öú: 104 (¸ßÖÐÉú)
- ½ð±Ò: 1207.7
- É¢½ð: 458
- ºì»¨: 35
- Ìû×Ó: 2646
- ÔÚÏß: 511.4Сʱ
- ³æºÅ: 1783247
- ×¢²á: 2012-04-27
- ÐÔ±ð: GG
- רҵ: Óлú¸ß·Ö×Ó¹¦ÄܲÄÁÏ

4Â¥2012-12-25 11:37:22
dididada8823
ľ³æ (ÕýʽдÊÖ)
- PEPI: 3
- Ó¦Öú: 7 (Ó×¶ùÔ°)
- ½ð±Ò: 4478.8
- É¢½ð: 195
- ºì»¨: 31
- Ìû×Ó: 424
- ÔÚÏß: 129.8Сʱ
- ³æºÅ: 555393
- ×¢²á: 2008-05-09
- רҵ: ¹¦ÄÜÓëÖÇÄܸ߷Ö×Ó

5Â¥2012-12-25 16:22:57














»Ø¸´´ËÂ¥