24小时热门版块排行榜    

查看: 1969  |  回复: 16

sxyzt

铁杆木虫 (职业作家)


[交流] PP力学性能分析

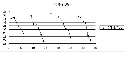
测试得了一些数据和图,不知道怎么分析,哪些代表韧性和刚性,特来求助。具体指标有:拉伸强度、拉伸屈服应力、拉伸断裂伸长率、拉伸断裂应力、拉伸模量、弯曲强度、弯曲模量、冲击强度。以下是四种填充料不同添加比例填充PP的实验数据,求分析

冲击强度.jpg



断裂伸长率.jpg



拉伸断裂应力.jpg



拉伸强度.jpg



弯曲强度.jpg
回复此楼

» 猜你喜欢

» 本主题相关价值贴推荐,对您同样有帮助:

» 抢金币啦!回帖就可以得到:

查看全部散金贴

已阅   回复此楼   关注TA 给TA发消息 送TA红花 TA的回帖

驴子

金虫 (职业作家)



sxyzt(金币+1): 谢谢参与
不知道你这图是什么意思
3楼2012-12-09 19:18:46
已阅   回复此楼   关注TA 给TA发消息 送TA红花 TA的回帖

小木虫: 金币+0.5, 给个红包,谢谢回帖
怎么没有横纵坐标呢?
至少写出两个轴都表示的是什么吧
8楼2012-12-09 21:17:29
已阅   回复此楼   关注TA 给TA发消息 送TA红花 TA的回帖

sxyzt

铁杆木虫 (职业作家)


横坐标是填充料的添加比例,纵坐标是各力学指标值
9楼2012-12-09 21:41:50
已阅   回复此楼   关注TA 给TA发消息 送TA红花 TA的回帖

luquliang

铁虫 (著名写手)



小木虫: 金币+0.5, 给个红包,谢谢回帖
表征聚合物材料韧性的物理量有冲击强度和断裂伸长率,其他的都表示材料的刚性
10楼2012-12-09 21:46:34
已阅   回复此楼   关注TA 给TA发消息 送TA红花 TA的回帖

mapenggao

至尊木虫 (知名作家)


引用回帖:
10楼: Originally posted by luquliang at 2012-12-09 21:46:34
表征聚合物材料韧性的物理量有冲击强度和断裂伸长率,其他的都表示材料的刚性

此话讲的不差!
11楼2012-12-09 22:09:21
已阅   回复此楼   关注TA 给TA发消息 送TA红花 TA的回帖

concan520

禁虫 (小有名气)


小木虫: 金币+0.5, 给个红包,谢谢回帖
本帖内容被屏蔽

12楼2012-12-10 09:27:09
已阅   回复此楼   关注TA 给TA发消息 送TA红花 TA的回帖

zhengzl_163

木虫 (正式写手)



小木虫: 金币+0.5, 给个红包,谢谢回帖
这数据图表 你都拿出来晒啊
13楼2012-12-10 11:37:59
已阅   回复此楼   关注TA 给TA发消息 送TA红花 TA的回帖

singjiapo88666

至尊木虫 (职业作家)



小木虫: 金币+0.5, 给个红包,谢谢回帖
看看书就知道了
14楼2012-12-10 12:40:39
已阅   回复此楼   关注TA 给TA发消息 送TA红花 TA的回帖

贰麻子

铁杆木虫 (知名作家)



小木虫: 金币+0.5, 给个红包,谢谢回帖
横坐标是什么??
16楼2012-12-12 11:18:52
已阅   回复此楼   关注TA 给TA发消息 送TA红花 TA的回帖

sxyzt

铁杆木虫 (职业作家)


引用回帖:
16楼: Originally posted by 贰麻子 at 2012-12-12 11:18:52
横坐标是什么??

横坐标是填料添加量
17楼2012-12-12 20:11:45
已阅   回复此楼   关注TA 给TA发消息 送TA红花 TA的回帖
简单回复
2012-12-09 19:12   回复  
sxyzt(金币+1): 谢谢参与
clarktao4楼
2012-12-09 19:19   回复  
sxyzt(金币+1): 谢谢参与
假大空5楼
2012-12-09 19:28   回复  
sxyzt(金币+1): 谢谢参与
ywqxxy6楼
2012-12-09 19:30   回复  
sxyzt(金币+1): 谢谢参与
2012-12-09 19:35   回复  
sxyzt(金币+1): 谢谢参与
2012-12-10 16:44   回复  
相关版块跳转 我要订阅楼主 sxyzt 的主题更新
普通表情 高级回复 (可上传附件)
最具人气热帖推荐 [查看全部] 作者 回/看 最后发表
[考研] 07化学280分求调剂 +6 722865 2026-03-23 6/300 2026-03-24 20:58 by allen-yin
[考研] 0854人工智能方向招收调剂 +3 章小鱼567 2026-03-24 3/150 2026-03-24 19:46 by zhouxuan..
[考研] 求调剂 +5 林之夕 2026-03-24 5/250 2026-03-24 17:16 by dick_runner
[考研] 291求调剂 +3 HanBeiNingZC 2026-03-24 3/150 2026-03-24 16:34 by barlinike
[考研] 293求调剂 +6 加一一九 2026-03-24 6/300 2026-03-24 14:29 by JourneyLucky
[考研] 308求调剂 +3 墨墨漠 2026-03-21 3/150 2026-03-22 16:54 by i_cooler
[考研] 319求调剂 +4 小力气珂珂 2026-03-20 4/200 2026-03-22 15:53 by ColorlessPI
[考研] 303求调剂 +5 安忆灵 2026-03-22 6/300 2026-03-22 12:46 by 素颜倾城1988
[考研] 材料求调剂 +5 @taotao 2026-03-21 5/250 2026-03-21 20:55 by lbsjt
[考研] 一志愿东华大学控制学硕320求调剂 +3 Grand777 2026-03-21 3/150 2026-03-21 19:23 by 简之-
[考研] 求助 +5 梦里的无言 2026-03-21 6/300 2026-03-21 17:51 by 学员8dgXkO
[考研] 材料 271求调剂 +5 展信悦_ 2026-03-21 5/250 2026-03-21 17:29 by 学员8dgXkO
[考研] 求调剂 +3 白QF 2026-03-21 3/150 2026-03-21 13:12 by zhukairuo
[考研] 一志愿华南师大 070300(化学)304分求调剂 +3 0703武芊慧雪304 2026-03-18 3/150 2026-03-21 00:48 by JourneyLucky
[考研] 304求调剂 +6 曼殊2266 2026-03-18 6/300 2026-03-21 00:32 by JourneyLucky
[考研] 南京大学化学376求调剂 +3 hisfailed 2026-03-19 6/300 2026-03-20 23:43 by hisfailed
[考研] 330求调剂 +4 小材化本科 2026-03-18 4/200 2026-03-20 23:13 by JourneyLucky
[考研] 一志愿 西北大学 ,070300化学学硕,总分287,双非一本,求调剂。 +4 晨昏线与星海 2026-03-19 4/200 2026-03-20 22:15 by JourneyLucky
[考研] 一志愿吉林大学材料学硕321求调剂 +11 Ymlll 2026-03-18 15/750 2026-03-20 19:40 by 丁丁*
[考研] 材料考研调剂 +3 xwt。 2026-03-19 3/150 2026-03-19 11:22 by w沐阳w
信息提示
请填处理意见