| 查看: 1827 | 回复: 4 | ||
[求助]
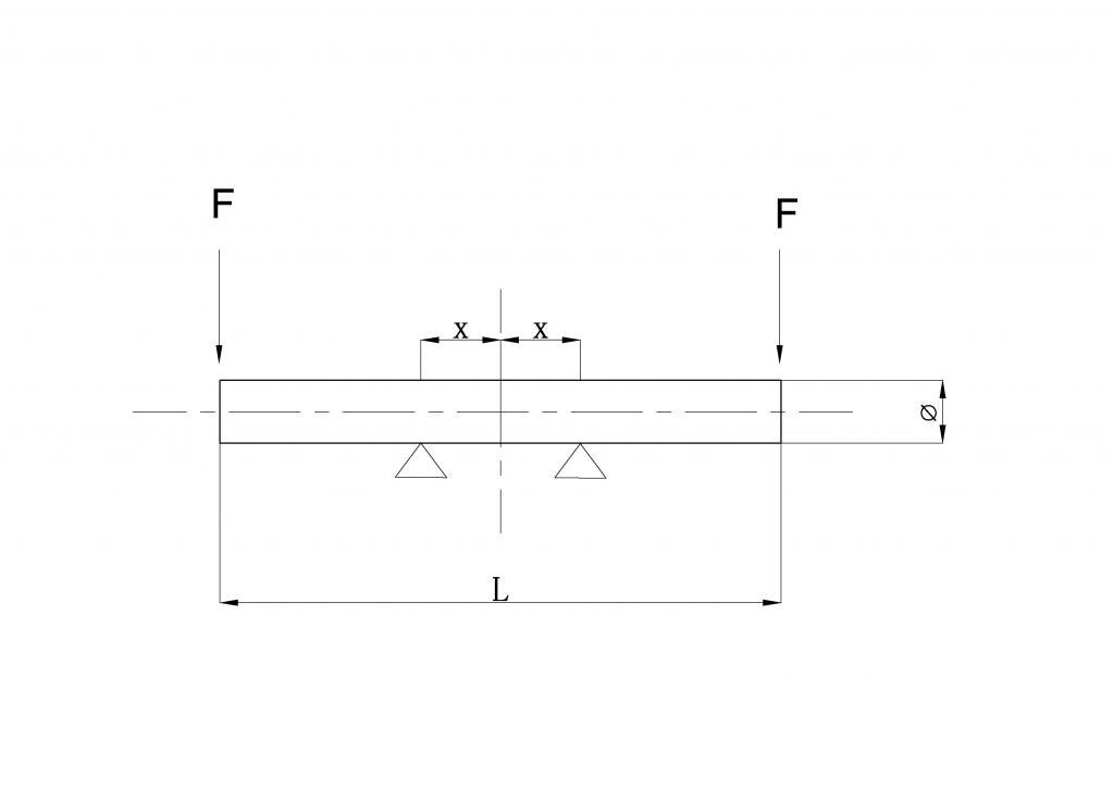
求助 外伸梁 两个固定支点 梁的弯曲计算
|
||
|
|
||
![]() |
||
|
2楼2012-11-23 23:43:06
|
|
|
|
感谢参与,应助指数 +1
|
||
|
3楼2012-11-24 19:04:14
|
|
|
maosaolt新虫 (初入文坛)
|
||
|
4楼2012-11-24 22:13:41
|
|
|
zhangwei9010金虫 (小有名气)
|
||
|
5楼2012-11-25 18:43:10
|
|













回复此楼
