| 查看: 324 | 回复: 1 | ||
liefchow新虫 (初入文坛)
|
[求助]
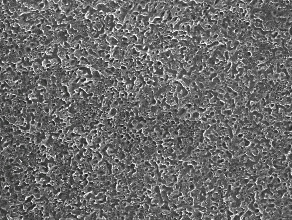
请教统计纳米孔比例的问题
|
|
试过用Image Pro Plus统计该图中的孔所占的比例,但是由于图片的颜色对比度不是很明显,有颜色的过度,边界模糊,统计的结果很不可靠。用Photoshop的色彩范围/阴影 能够把孔全部正确选出,但是我不会使用Photoshop,我的photoshop 是CS5版本的。有人做过类似的统计吗?针对这种色彩有过渡的图片,如何利用Photoshop和IPP统计孔的比例? 30S-2.jpg |
» 猜你喜欢
求助两种BiOBr晶体的CIF文件(卡片号为JCPDS 09-0393与JCPDS 01-1004 )
已经有0人回复
哈尔滨工程大学材化学院国家级青年人才-26年硕士招生
已经有0人回复
金属材料论文润色/翻译怎么收费?
已经有214人回复
求助Fe-TCPP、Zn-TCPP的CIF文件,或者CCDC号
已经有0人回复
XPS/?λXPS
已经有0人回复
河北大学-26年秋季入学化学博士招生
已经有0人回复
招收2026年入学博士研究生
已经有5人回复
» 本主题相关商家推荐: (我也要在这里推广)
» 本主题相关价值贴推荐,对您同样有帮助:
微米纳米版2012年4月专家顾问工资统计
已经有8人回复
求助 关于颗粒大小统计的问题
已经有5人回复
介孔硅胶纳米粒的激光共聚焦实验问题
已经有30人回复
多孔材料的孔径分布计算问题
已经有10人回复
关于介孔炭小角XRD的问题
已经有6人回复
【求助】赵东元文献中介孔材料制备 出现的问题
已经有15人回复
【请教】比表面积和孔体积增加是什么原因
已经有5人回复
【请教】有没有文献报道300nm左右的介孔碳的空心球?
已经有5人回复
【请教】磁性介孔纳米材料
已经有4人回复
【请教】咨询模板法合成TiO2孔材料的方法
已经有6人回复
【请教】怎么统计纳米棒的长径比?
已经有5人回复
【请教】纳米颗粒大小统计
已经有6人回复
【请教】请教:超声能破坏介孔分子筛的孔道吗,会不会变得无序或部分塌陷呢
已经有12人回复
liefchow
新虫 (初入文坛)
- 应助: 0 (幼儿园)
- 金币: 47.8
- 帖子: 23
- 在线: 5.8小时
- 虫号: 1830288
- 注册: 2012-05-22
- 专业: 凝聚态物性 II :电子结构
2楼2012-11-25 10:30:05













回复此楼