| 查看: 2006 | 回复: 20 | ||
| 当前只显示满足指定条件的回帖,点击这里查看本话题的所有回帖 | ||
xuzhixiao铁杆木虫 (著名写手)
Science, Technology and Art
|
[求助]
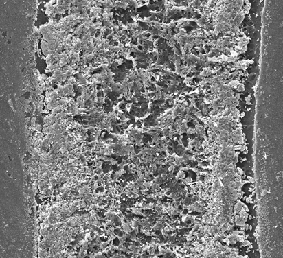
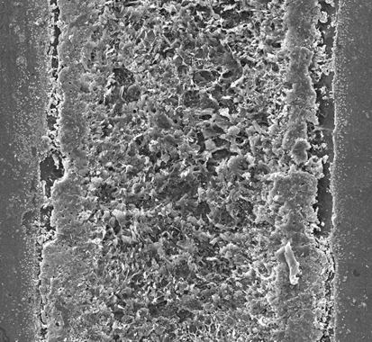
求高人帮我看看这个化学镀银、铜表面形貌
|
|
|
是不是有问题,是什么原因导致的?银线、铜线呈现黑色,为什么不成银白色、紫红色?在化学镀前有银线作为活化种子,呈现黑色的 铜-1.PNG 铜-2.PNG 银-1.PNG 银-2.PNG [ Last edited by xuzhixiao on 2012-10-14 at 19:28 ] |
» 猜你喜欢
大连工业大学招收储能电池方向博士1名
已经有0人回复
《把心放慢,世界就会温柔起来》
已经有0人回复
分析化学论文润色/翻译怎么收费?
已经有125人回复
钠离子硬碳负极扣式半电池组装都没有电流!!!
已经有2人回复
Ni元素XPS分析
已经有1人回复
广东以色列理工材料系能源与电子材料课题组——博士(以色列理工学位)
已经有3人回复
青岛大学化学化工学院分子测量学研究院2026年招收博士研究生
已经有0人回复
求一份origin2019以上版本的origin软件压缩包
已经有1人回复
电化学基础知识与资源网站
已经有2人回复
宁夏大学国家重点实验室膜分离课题组招收2026级博士生
已经有0人回复

12楼2012-10-15 09:16:23
853155887
木虫 (正式写手)
- 应助: 17 (小学生)
- 金币: 3571.8
- 散金: 14
- 红花: 1
- 帖子: 707
- 在线: 138.1小时
- 虫号: 1147106
- 注册: 2010-11-15
- 性别: GG
- 专业: 电化学
2楼2012-10-14 19:32:46
xuzhixiao
铁杆木虫 (著名写手)
Science, Technology and Art
- 应助: 75 (初中生)
- 金币: 4973.6
- 散金: 854
- 红花: 61
- 帖子: 2639
- 在线: 1079.7小时
- 虫号: 1313659
- 注册: 2011-06-02
- 性别: GG
- 专业: 有机高分子功能材料

3楼2012-10-14 20:08:20
Jackcd12
至尊木虫 (知名作家)
- ECEPI: 13
- 应助: 2150 (讲师)
- 金币: 13313.9
- 红花: 366
- 帖子: 7534
- 在线: 2164.1小时
- 虫号: 1865159
- 注册: 2012-06-20
- 性别: GG
- 专业: 电化学

4楼2012-10-14 20:48:08













回复此楼