| ²é¿´: 1147 | »Ø¸´: 2 | |
jc_168ľ³æ (ÕýʽдÊÖ)
|
[ÇóÖú]
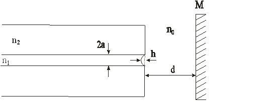
¹âÏ˶ËÃæ·´Éä¾µµÄñîºÏЧÂÊ
|
![]() |
|
|
|
|
sawyergeͳæ (³õÈëÎÄ̳)
|
|
|
2Â¥2012-10-15 22:42:32
|
|
lvl2384626Òø³æ (ÕýʽдÊÖ)
|
|
![]() |
|
|
3Â¥2012-11-08 10:04:58
|
|














»Ø¸´´ËÂ¥