²é¿´: 508  |  »Ø¸´: 1

unimaster

½ð³æ (СÓÐÃûÆø)


[½»Á÷] °ïæ¿´¿´ÕâЩHSLA¸ÖµÄ½ðÏà×éÖ¯

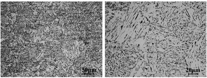
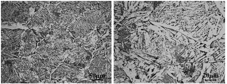
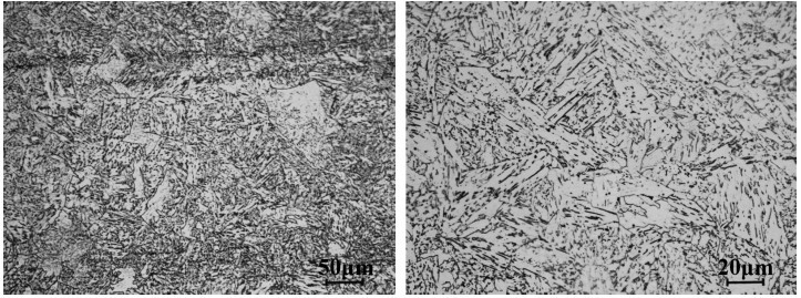
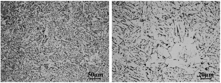
ÏÂÃæÊÇ×öÍ꺸½ÓÈÈÓ°ÏìÇøÈÈÄ£ÄâµÄ½ðÏàÕÕÆ¬¡£¸÷λ°ïæ¿´¿´ÊÇʲô×éÖ¯¡£±¾ÈËȷʵºÜÃԻ󣬷ֲ»Çåµ½µ×ÊÇÄÄЩ×éÖ¯¡£ÊÔÑù¾ùΪµÍ̼΢ºÏ½ð¸Ö(»ò¹ÜÏ߸Ö)¡£

1#.  0.14%C


3#. 0.07%C (X70)


5#. 0.07%C (X80)


6#ºÍ7# 0.08%C (X70, low Mn-0.3%)
6#  

7#

[ Last edited by unimaster on 2012-3-22 at 20:28 ]
»Ø¸´´ËÂ¥

» ²ÂÄãϲ»¶

» ±¾Ö÷ÌâÏà¹Ø¼ÛÖµÌùÍÆ¼ö£¬¶ÔÄúͬÑùÓаïÖú:

» ÇÀ½ð±ÒÀ²£¡»ØÌû¾Í¿ÉÒԵõ½:

²é¿´È«²¿É¢½ðÌù

ÒÑÔÄ   »Ø¸´´ËÂ¥   ¹Ø×¢TA ¸øTA·¢ÏûÏ¢ ËÍTAºì»¨ TAµÄ»ØÌû

wyb1988

ľ³æ (ÕýʽдÊÖ)


¡ï ¡ï ¡ï ¡ï
Сľ³æ: ½ð±Ò+0.5, ¸ø¸öºì°ü£¬Ð»Ð»»ØÌû
yongyong2050: ½ð±Ò+1, ¸Ðл½â´ð~ 2012-03-28 13:38:51
unimaster: ½ð±Ò+2, xiexie 2012-03-31 15:46:58
Ò»ºÅ¾§½ç¸Ð¾õÓ¦¸ÃÊÇÍø×´ÌúËØÌåµÄÎö³ö£¬¾§ÄÚ¿ÉÄÜÊǽÐÕë×´ÌúËØÌå°É£¬Ê£Ïµļ¸¸ö¾õµÃÖ÷Òª¶¼Ó¦ÊÇÉϱ´ÊÏÌ壬ÔÚÌúËØÌ寬֮¼ä·Ö²¼×ŶÏÐøµÄ¸Ë×´»ò°ô×´µÄÉøÌ¼Ì壬֮ǰ×ö¹ýÒ»¶Îʱ¼ä΢ºÏ½ð¸ÖµÄº¸·ì£¬Ò²ÊÇÊ®·ÖÀ§»ó£¬×éÖ¯¶¼²»ÊǺÜÕý¹æ¡¢Í³Ò»µÄ½Ð·¨£¬×îºó²»ÁËÁËÖ®ÁË£¬Ï£ÍûÄãÄܸãÇå³þ°É£¬ÂÛ̳ÀïÓÐÒ»±¾¡¶¸ßÇ¿¶È΢ºÏ½ð¹ÜÏ߸ÖÏÔ΢×éÖ¯·ÖÎöÓë¼ø±ðͼÆ×¡·µÄÊ飬¿ÉÒÔÏÂÏÂÀ´¿´¿´¡£
2Â¥2012-03-28 13:32:14
ÒÑÔÄ   »Ø¸´´ËÂ¥   ¹Ø×¢TA ¸øTA·¢ÏûÏ¢ ËÍTAºì»¨ TAµÄ»ØÌû
Ïà¹Ø°æ¿éÌø×ª ÎÒÒª¶©ÔÄÂ¥Ö÷ unimaster µÄÖ÷Ìâ¸üÐÂ
×î¾ßÈËÆøÈÈÌûÍÆ¼ö [²é¿´È«²¿] ×÷Õß »Ø/¿´ ×îºó·¢±í
[¿¼ÑÐ] Çóµ÷¼ÁÒ»Ö¾Ô¸Î人Àí¹¤´óѧ²ÄÁϹ¤³Ì£¨085601£© +3 WW.' 2026-03-23 5/250 2026-03-23 17:18 by ·ãÒíljj
[¿¼ÑÐ] 298-Ò»Ö¾Ô¸Öйúũҵ´óѧ-Çóµ÷¼Á +10 ÊÖ»úÓû§ 2026-03-17 11/550 2026-03-23 16:30 by lingjue
[¿¼ÑÐ] 276Çóµ÷¼Á¡£ÓаëÄêµç³ØºÍ°ëÄê¸ß·Ö×Óʵϰ¾­Àú +8 ²ÄÁÏѧ257Çóµ÷¼Á 2026-03-23 9/450 2026-03-23 13:01 by ztnimte
[¿¼ÑÐ] 284Çóµ÷¼Á +6 Zhao anqi 2026-03-22 6/300 2026-03-23 09:23 by king123£¡
[¿¼ÑÐ] 0703 µ÷¼Á +3 ÎÒ¿ÉÒÔÉϰ¶µÄ¶Ô 2026-03-16 6/300 2026-03-23 08:52 by ×íÔÚ·çÀï
[¿¼ÑÐ] 328Çóµ÷¼Á£¬Ó¢ÓïÁù¼¶551£¬ÓпÆÑо­Àú +6 ÉúÎ﹤³Ìµ÷¼Á 2026-03-17 10/500 2026-03-22 20:22 by edmund7
[¿¼ÑÐ] 315·Ö£¬³ÏÇóµ÷¼Á£¬²ÄÁÏÓ뻯¹¤085600 +3 13756423260 2026-03-22 3/150 2026-03-22 20:11 by edmund7
[¿¼ÑÐ] 0856²ÄÁÏר˶353Çóµ÷¼Á +4 NIFFFfff 2026-03-20 4/200 2026-03-22 09:49 by 2026paper
[¿¼ÑÐ] Çóµ÷¼Á +3 13341 2026-03-20 3/150 2026-03-21 18:28 by ѧԱ8dgXkO
[¿¼ÑÐ] 336Çóµ÷¼Á +5 rmc8866 2026-03-21 5/250 2026-03-21 17:24 by ѧԱ8dgXkO
[¿¼ÑÐ] 268Çóµ÷¼Á +9 ¼òµ¥µã0 2026-03-17 9/450 2026-03-21 15:37 by lature00
[¿¼ÑÐ] Äϲý´óѧ²ÄÁÏר˶311·ÖÇóµ÷¼Á +6 77chaselx 2026-03-20 6/300 2026-03-21 07:24 by JourneyLucky
[¿¼ÑÐ] 299Çóµ÷¼Á +6 ¡÷С͸Ã÷* 2026-03-17 6/300 2026-03-21 02:42 by JourneyLucky
[¿¼ÑÐ] Çóµ÷¼Á +3 Ma_xt 2026-03-17 3/150 2026-03-21 02:05 by JourneyLucky
[¿¼ÑÐ] Ò»Ö¾Ô¸ÖØÇì´óѧ085700×ÊÔ´Óë»·¾³×¨Ë¶£¬×Ü·Ö308Çóµ÷¼Á +3 īīĮ 2026-03-18 3/150 2026-03-21 00:39 by JourneyLucky
[¿¼ÑÐ] Ò»Ö¾Ô¸Äϲý´óѧ£¬327·Ö£¬²ÄÁÏÓ뻯¹¤085600 +9 Ncdx123456 2026-03-19 9/450 2026-03-20 23:41 by lovewei0727
[¿¼ÑÐ] AÇøÏß²ÄÁÏѧµ÷¼Á +5 ÖÜÖÜÎÞ¼« 2026-03-20 5/250 2026-03-20 21:33 by laoshidan
[¿¼ÑÐ] ²ÄÁÏѧÇóµ÷¼Á +4 Stella_Yao 2026-03-20 4/200 2026-03-20 20:28 by ms629
[¿¼ÑÐ] ÕÐÊÕµ÷¼Á˶ʿ +4 lidianxing 2026-03-19 12/600 2026-03-20 12:25 by lidianxing
[¿¼ÑÐ] 085600²ÄÁÏÓ뻯¹¤µ÷¼Á 324·Ö +10 llllkkkhh 2026-03-18 12/600 2026-03-19 14:33 by llllkkkhh
ÐÅÏ¢Ìáʾ
ÇëÌî´¦ÀíÒâ¼û