| 查看: 1804 | 回复: 9 | ||
kevinzhu22金虫 (小有名气)
|
[求助]
【求助】AZ31铸态金相图
|
|
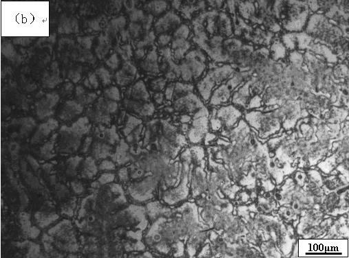
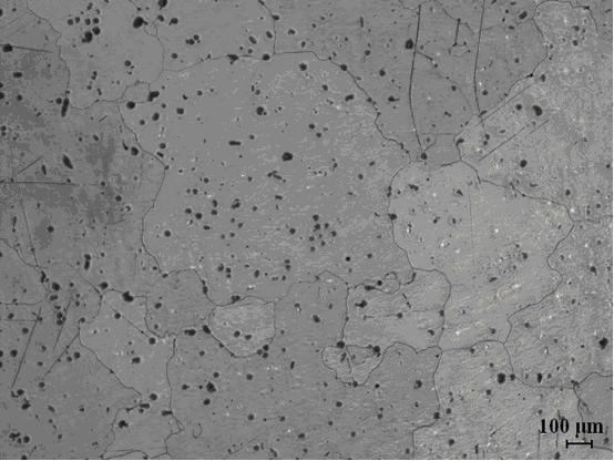
腐蚀剂为4.2g苦味酸+10ml水+10ml乙酸+70ml酒精,我做出来的金相图如下: 同一种材料和腐蚀剂,别人做出来的如下: 尺寸、清晰度相差很大,我的甚至被怀疑是氧化物而不是晶界,可我磨抛过程时间很短的,一个上午的时间不至于就氧化了吧。。。求助高人解答,谢谢! |
» 猜你喜欢
申请2026年博士
已经有5人回复
天津工业大学郑柳春团队欢迎化学化工、高分子化学或有机合成方向的博士生和硕士生加入
已经有5人回复
寻求一种能扛住强氧化性腐蚀性的容器密封件
已经有6人回复
到新单位后,换了新的研究方向,没有团队,持续积累2区以上论文,能申请到面上吗
已经有6人回复
2025冷门绝学什么时候出结果
已经有7人回复
请问有评职称,把科研教学业绩算分排序的高校吗
已经有6人回复
Bioresource Technology期刊,第一次返修的时候被退回好几次了
已经有7人回复
请问哪里可以有青B申请的本子可以借鉴一下。
已经有4人回复
请问下大家为什么这个铃木偶联几乎不反应呢
已经有5人回复
康复大学泰山学者周祺惠团队招收博士研究生
已经有6人回复
» 本主题相关商家推荐: (我也要在这里推广)
» 本主题相关价值贴推荐,对您同样有帮助:
AZ31扭转金相图
已经有4人回复
【求助】如看分辨铸造铝合金金相图中黑点?
已经有11人回复
【求助】如看分辨金相图中黑点?
已经有10人回复
行走人生
银虫 (小有名气)
- 应助: 2 (幼儿园)
- 金币: 478
- 散金: 42
- 沙发: 6
- 帖子: 173
- 在线: 177.5小时
- 虫号: 1370361
- 注册: 2011-08-17
- 性别: GG
- 专业: 金属材料的合金相、相变及
【答案】应助回帖
★
aishan(金币+1): 感谢交流 2011-12-06 11:46:04
aishan(金币+1): 感谢交流 2011-12-06 11:46:04
|
个人觉得腐蚀比较严重,注意腐蚀液及腐蚀时间(酒精易挥发,应该用新鲜的腐蚀液)。抛光布不要用太久的,掉色的残留物会留在样品表面。 尺寸,你的倍数在200左右吧,下面那个应该是100倍的。但尺寸差别还是比较大,估计跟冷却方式有关 仅供参考 |
» 本帖已获得的红花(最新10朵)
2楼2011-12-06 10:58:40
kevinzhu22
金虫 (小有名气)
- 应助: 1 (幼儿园)
- 金币: 672.8
- 散金: 6
- 帖子: 99
- 在线: 25.4小时
- 虫号: 1278436
- 注册: 2011-04-26
- 性别: GG
- 专业: 物流与供应链管理
3楼2011-12-07 09:24:34
行走人生
银虫 (小有名气)
- 应助: 2 (幼儿园)
- 金币: 478
- 散金: 42
- 沙发: 6
- 帖子: 173
- 在线: 177.5小时
- 虫号: 1370361
- 注册: 2011-08-17
- 性别: GG
- 专业: 金属材料的合金相、相变及
【答案】应助回帖
kevinzhu22(金币+5): 感谢提供建议 2011-12-07 16:18:05
|
冷却方式,指的是用的何种材质的模具,模具预热温度,模具尺寸,铸件的尺寸,这些都会影响到冷却速度,冷却速度对晶粒尺寸的影响是很大的。所以不同的人做出同种合金的晶粒尺寸不同很正常,关键在于你的整个试验中都要用同一种冷却条件,以保证基本一致的晶粒尺寸,以使晶粒尺寸不成为一个变化因素。 抛光布的残留物在样品表面是很难清洗干净的(指使用过久的抛光布,新的抛光布是不会有这个问题的,也跟样品有关,有的样品不怎么容易弄脏),即使使用清水、酒精反复擦洗。 说了这么多,其实我觉得还是腐蚀过了(不会是制样过程中的氧化问题),对于一般的晶界腐蚀,你这个腐蚀剂貌似有点强。如果你查过确实是用这个腐蚀剂,那就尽量减少腐蚀时间,擦一下,立马清水冲洗,或者看一下不腐蚀的样品,看看是不是腐蚀过度的原因。 |
4楼2011-12-07 10:17:06
Ludo
金虫 (小有名气)
- 应助: 3 (幼儿园)
- 金币: 1302.8
- 帖子: 99
- 在线: 81.1小时
- 虫号: 1282091
- 注册: 2011-04-30
- 性别: GG
- 专业: 金属材料的合金相、相变及
5楼2011-12-07 16:51:47
6楼2011-12-07 22:01:55
7楼2011-12-07 22:06:04
8楼2011-12-07 22:07:43
xiexian223
捐助贵宾 (正式写手)
- 应助: 7 (幼儿园)
- 金币: 468.5
- 散金: 272
- 红花: 3
- 帖子: 625
- 在线: 125.3小时
- 虫号: 1335273
- 注册: 2011-07-01
- 专业: 金属结构材料

9楼2011-12-07 22:17:36
lvfengimr
至尊木虫 (著名写手)
博士论文 加油!
- 应助: 5 (幼儿园)
- 金币: 13190.9
- 散金: 87
- 红花: 3
- 帖子: 1057
- 在线: 243.8小时
- 虫号: 601060
- 注册: 2008-09-12
- 性别: GG
- 专业: 金属结构材料

10楼2011-12-08 08:43:12













回复此楼
kevinzhu22