版块导航
正在加载中...
客户端APP下载
论文辅导
调剂小程序
登录
注册
帖子
帖子
用户
本版
应《网络安全法》要求,自2017年10月1日起,未进行实名认证将不得使用互联网跟帖服务。为保障您的帐号能够正常使用,请尽快对帐号进行手机号验证,感谢您的理解与支持!
24小时热门版块排行榜
>
论坛更新日志
(3547)
>
虫友互识
(574)
>
休闲灌水
(220)
>
导师招生
(142)
>
文献求助
(140)
>
硕博家园
(65)
>
论文投稿
(49)
>
基金申请
(45)
>
博后之家
(43)
>
论文道贺祈福
(43)
>
考博
(42)
>
考研
(39)
>
教师之家
(33)
>
找工作
(28)
>
招聘信息布告栏
(20)
>
公派出国
(18)
小木虫论坛-学术科研互动平台
»
材料区
»
金属
»
铸造
»
对宽结晶范围的金属,液固相区淬火后的析出相形貌讨论!
10
1/1
返回列表
查看: 1827 | 回复: 9
只看楼主
@他人
存档
新回复提醒
(忽略)
收藏
在APP中查看
wpfnpu
银虫
(小有名气)
应助: 0
(幼儿园)
金币: 550.1
帖子: 125
在线: 24.4小时
虫号: 957934
[交流]
对宽结晶范围的金属,液固相区淬火后的析出相形貌讨论!
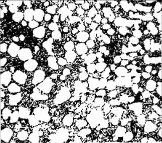
看文献中,液固相线温度区间内淬火,析出相大部分是树枝晶;
问下析出相形貌是否有近球状的颗粒,什么条件下有?
A356(Tm=615)合金的在625与612保温30min淬火组织。
[
Last edited by wpfnpu on 2011-8-31 at 16:25
]
回复此楼
» 猜你喜欢
售SCI一区文章,我:8 O5 51O 54,科目齐全,可+急
已经有6人回复
售SCI一区文章,我:8 O5 51O 54,科目齐全,可+急
已经有9人回复
售SCI一区文章,我:8 O5 51O 54,科目齐全,可+急
已经有8人回复
情人节自我反思:在爱情中有过遗憾吗?
已经有4人回复
球磨粉体时遇到了大的问题,请指教!
已经有12人回复
江汉大学解明教授课题组招博士研究生/博士后
已经有3人回复
高级回复
» 本主题相关价值贴推荐,对您同样有帮助:
土壤有机质越高土壤中的重金属铅的离子形态的量就越多
已经有12人回复
回火时间的研究
已经有25人回复
大家科研中用些什么软件?
已经有15人回复
电熔高纯石英DSC-TG曲线求助,知之为知之,请勿灌水,谢谢。
已经有12人回复
X射线衍射课程课件PPT
已经有328人回复
制作陶瓷时为什么要对粉体进行除铁工艺?陈腐浆料有什么效果?
已经有7人回复
分享今日最新Nature文章:10nm以下金属纳米颗粒的等离子共振研究
已经有371人回复
甲苯带水能带走结晶水吗?
已经有9人回复
重结晶 不抽滤
已经有23人回复
【重磅奖励】好消息!金属版第一届达人评选开始啦!
已经有117人回复
请问硬质合金 钨粉碳化的 配碳计算怎么算
已经有5人回复
高炉炼铁炉渣粘度问题
已经有6人回复
» 抢金币啦!回帖就可以得到:
查看全部散金贴
医学超声影像负责人招聘-中国科学院赣江创新研究院
+
1
/974
西湖大学2026年秋季入学物理学、光学、电子信息方向博士生有名额速来!!!
+
2
/224
西湖大学2026年秋季入学物理学、光学、电子信息方向博士生有名额速来!!!
+
2
/224
西湖大学拓扑光学、非厄米光学、太赫兹方向博士后招聘
+
2
/220
陆军军医大学第二附属医院(新桥医院)冉茜课题组招聘科研人员
+
1
/79
海南大学海洋技术与装备学院-科研助理招聘(可读博)--膜分离水处理方向
+
1
/36
澳大利亚麦考瑞大学(Macquarie University)国际博士硕士全额奖学金-计算机-26年中开学
+
1
/32
同济大学脑机智能团队脑机接口方向招生招聘
+
1
/28
中国农业大学安杰课题组招聘科研助理(表现优异者可提供读博机会)
+
1
/27
2026年天津科技大学“新能源催化与膜材料团队”研究生招生
+
1
/24
澳大利亚麦考瑞大学(Macquarie University)国际博士硕士全额奖学金-计算机-26年中开学
+
1
/15
上海交通大学-宁波东方理工大学联合培养博士生
+
1
/13
国家“双一流”建设高校-南京林业大学-国家级青年人才团队 招2026级申请考核制博士
+
1
/8
墨尔本大学(QS13)招全奖博士、CSC资助博士/访问学者(生物医学材料/器官芯片等方向)
+
1
/8
华南师范大学(211)- 光电科学与工程学院 - 申请审核制(2026年4-5月份面试考核)
+
2
/6
26博士申请
+
1
/6
墨尔本大学(QS13)急招CSC博士(补齐全奖)/访问学者/博士后 (材料/生物医学/器官芯片等)
+
1
/5
【科研助理招聘-北京理工大学-集成电路与电子学院-国家杰青团队】
+
1
/5
澳科大招收2026年秋季药剂学/生物材料方向全奖博士研究生(春节不打烊)
+
1
/4
澳科大药学院诚招2026年秋季药剂学/生物材料硕士研究生(2026年3月5日报名截止)
+
1
/4
1楼
2011-08-30 17:29:18
已阅
回复此楼
关注TA
给TA发消息
送TA红花
TA的回帖
engle028
至尊木虫
(知名作家)
MM-EPI: 1
应助: 232
(大学生)
贵宾: 0.516
金币: 17892.7
帖子: 7575
在线: 4051.6小时
虫号: 942285
★
wpfnpu(金币
+1
):谢谢参与
楼主概念没有搞清楚吧 树枝状晶和等轴晶不是对立比较的概念 建议楼主仔细研究一下
等轴晶和树枝晶的概念
赞
一下
(1人)
回复此楼
2楼
2011-08-30 21:28:40
已阅
回复此楼
关注TA
给TA发消息
送TA红花
TA的回帖
boer1018
铁杆木虫
(小有名气)
应助: 5
(幼儿园)
金币: 6229.9
帖子: 201
在线: 134.2小时
虫号: 624585
★
小木虫(金币
+0.5
):给个红包,谢谢回帖
是说柱状晶和等轴晶吗?
赞
一下
(2人)
回复此楼
3楼
2011-08-31 07:52:23
已阅
回复此楼
关注TA
给TA发消息
送TA红花
TA的回帖
wpfnpu
银虫
(小有名气)
应助: 0
(幼儿园)
金币: 550.1
帖子: 125
在线: 24.4小时
虫号: 957934
引用回帖:
2楼
:
Originally posted by
engle028
at 2011-08-30 21:28:40:
楼主概念没有搞清楚吧 树枝状晶和等轴晶不是对立比较的概念 建议楼主仔细研究一下
等轴晶和树枝晶的概念
如图,A356(Tm=615)合金的在625与612保温30min淬火组织。
问下析出相为树枝晶或者等轴晶这不对吗,怎么成概念错误了??
赞
一下
回复此楼
4楼
2011-08-31 10:20:51
已阅
回复此楼
关注TA
给TA发消息
送TA红花
TA的回帖
wpfnpu
银虫
(小有名气)
应助: 0
(幼儿园)
金币: 550.1
帖子: 125
在线: 24.4小时
虫号: 957934
引用回帖:
3楼
:
Originally posted by
boer1018
at 2011-08-31 07:52:23:
是说柱状晶和等轴晶吗?
是淬火后液体的析出相形貌:形貌为等轴晶或柱状晶的条件!
赞
一下
回复此楼
5楼
2011-08-31 10:25:45
已阅
回复此楼
关注TA
给TA发消息
送TA红花
TA的回帖
engle028
至尊木虫
(知名作家)
MM-EPI: 1
应助: 232
(大学生)
贵宾: 0.516
金币: 17892.7
帖子: 7575
在线: 4051.6小时
虫号: 942285
★
小木虫(金币
+0.5
):给个红包,谢谢回帖
引用回帖:
4楼
:
Originally posted by
wpfnpu
at 2011-08-31 10:20:51:
如图,A356(Tm=615)合金的在625与612保温30min淬火组织。
问下析出相为树枝晶或者等轴晶这不对吗,怎么成概念错误了??
铸态的组织是柱状晶和等轴晶 而树枝晶和等轴晶不是同一个领域中的概念
赞
一下
(1人)
回复此楼
6楼
2011-08-31 10:57:49
已阅
回复此楼
关注TA
给TA发消息
送TA红花
TA的回帖
wpfnpu
银虫
(小有名气)
应助: 0
(幼儿园)
金币: 550.1
帖子: 125
在线: 24.4小时
虫号: 957934
引用回帖:
6楼
:
Originally posted by
engle028
at 2011-08-31 10:57:49:
铸态的组织是柱状晶和等轴晶 而树枝晶和等轴晶不是同一个领域中的概念
嗯,那么说“析出相是树枝状或近球状”,这个说法可以了吧
[
Last edited by wpfnpu on 2011-8-31 at 15:01
]
赞
一下
回复此楼
7楼
2011-08-31 11:04:43
已阅
回复此楼
关注TA
给TA发消息
送TA红花
TA的回帖
zhaocuiqing
铜虫
(初入文坛)
应助: 0
(幼儿园)
金币: 217.5
帖子: 9
在线: 15.7小时
虫号: 2025104
★
小木虫: 金币+0.5, 给个红包,谢谢回帖
参考一下半固态加工成型技术(semi-solid processing ).
赞
一下
回复此楼
8楼
2012-10-17 15:07:44
已阅
回复此楼
关注TA
给TA发消息
送TA红花
TA的回帖
qihuarong
银虫
(正式写手)
应助: 27
(小学生)
金币: 214
帖子: 755
在线: 66.7小时
虫号: 1671914
★
小木虫: 金币+0.5, 给个红包,谢谢回帖
抓一把铝钛硼撒进去,啥都解决了,听他们胡咧咧。
赞
一下
回复此楼
9楼
2012-11-14 11:12:39
已阅
回复此楼
关注TA
给TA发消息
送TA红花
TA的回帖
shizjin
铜虫
(小有名气)
应助: 8
(幼儿园)
金币: 91.4
帖子: 94
在线: 18小时
虫号: 1003141
★
小木虫: 金币+0.5, 给个红包,谢谢回帖
引用回帖:
4738840楼
:
Originally posted by
qihuarong
at 2012-11-14 11:12:39
抓一把铝钛硼撒进去,啥都解决了,听他们胡咧咧。
哥,你不问什么合金就直接铝钛硼??晕
赞
一下
回复此楼
10楼
2012-11-19 15:54:49
已阅
回复此楼
关注TA
给TA发消息
送TA红花
TA的回帖
相关版块跳转
材料综合
材料工程
微米和纳米
晶体
金属
无机非金属
生物材料
功能材料
复合材料
我要订阅楼主
wpfnpu
的主题更新
10
1/1
返回列表
如果回帖内容含有宣传信息,请如实选中。否则帐号将被全论坛禁言
普通表情
龙
兔
虎
猫
高级回复
(可上传附件)
百度网盘
|
360云盘
|
千易网盘
|
华为网盘
在新窗口页面中打开自己喜欢的网盘网站,将文件上传后,然后将下载链接复制到帖子内容中就可以了。
信息提示
关闭
请填处理意见
关闭
确定