| 查看: 954 | 回复: 1 | |
wyb1988
|
[求助]
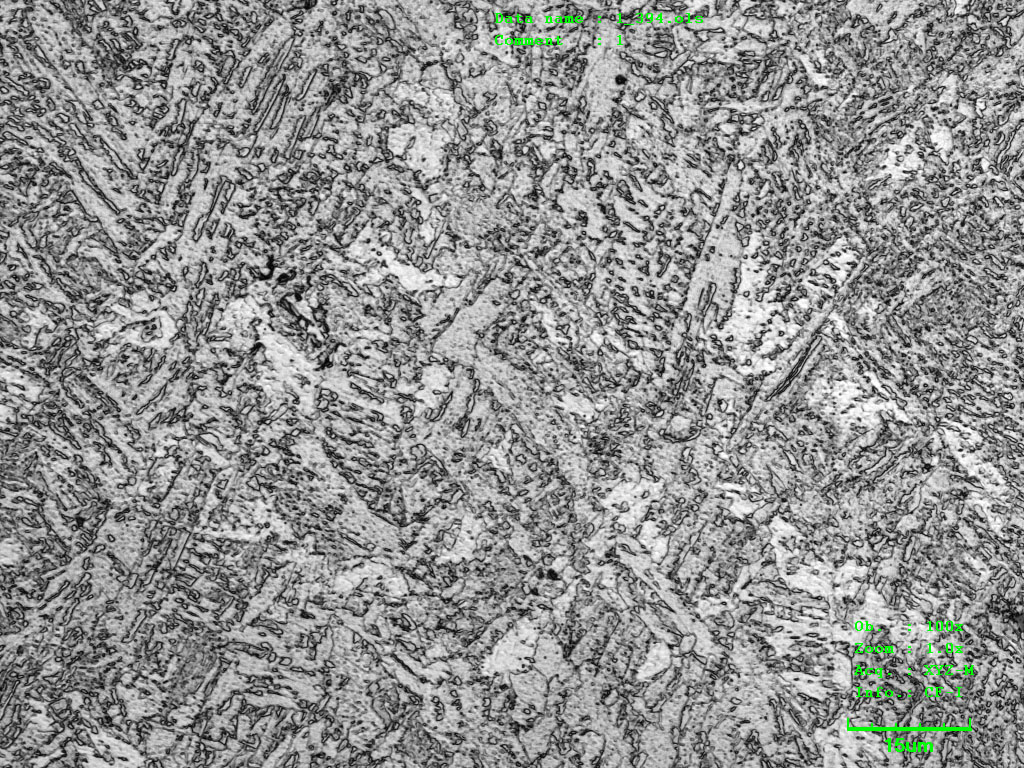
几张微合金钢焊缝组织照片,请大家帮忙把把关
|
|
|
|
wyb1988
|
|
|
2楼2011-05-20 17:01:14
|
|














回复此楼