| 查看: 3909 | 回复: 25 | ||
[交流]
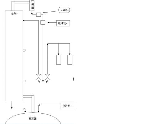
【求助】精馏塔回流管的流量上下波动剧烈是为什么?
|
||
» 本主题相关价值贴推荐,对您同样有帮助:
请问碳纳米管的XRD峰是哪里??
已经有7人回复
这是纳米管还是纳米线,TEM图探讨
已经有45人回复
酯化反应为什么反应不完全?
已经有9人回复
扬子江药业集团诚邀质量管理中心技术研究员
已经有4人回复
质量流量剂测出的是标态下的流量吗?
已经有5人回复
【讨论】青蛙和树的故事
已经有3人回复
关于药厂的生产管理
已经有5人回复
为什么我设计的精馏塔回流比就那么少,导致理论板数特别多
已经有14人回复
精馏塔回流罐安装高度问题
已经有14人回复
精馏塔蒸汽流量计算
已经有5人回复
从钢瓶出来的气体经流量计后波动是什么原因
已经有25人回复
【求助】内回流式精馏塔是怎样回流的?
已经有4人回复
【求助】请问精馏塔负荷低时为何要提高回流量?
已经有7人回复
» 抢金币啦!回帖就可以得到:
长江大学化学与环境工程学院2026年硕士研究生调剂公告(理学、工学均可)
+1/92
2026年赣南师范大学接收 电子信息工程+化学+材料与化工专业 调剂学生
+1/83
2026年宁波工程学院杜俊毅副研究员招收硕士研究生(含调剂)
+1/49
北方民族大学085602化学工程有调剂名额58个,欢迎调剂!4月11日报到,12日现场复试
+1/49
扬州大学动物科学与技术学院李碧春教授课题组硕士研究生调剂招生 招生专业: 畜牧学
+1/44
浙师大化与材学院2026年有大量硕士研究生调剂名额 (线上 调剂)
+1/43
延安大学国家级高层次人才团队招收材料、化学、化工相关领域调剂研究生数名
+1/41
福建医科大学生信系饶世涛老师2026年招收调剂优秀硕士生1名-生物医学信息学
+1/40
上海工程技术大学亚稳材料课题组招收硕士研究生
+2/34
【博士招生】武汉科技大学招收材料、化工、环境、冶金类2026年“申请-考核”制博士生
+1/13
福建农林大学生物质能源与材料研究中心调剂(08工科,考数学的来)
+1/8
山西师范大学2026年化学硕士点招收调剂生
+1/7
苏州科技大学胡老师课题组招2026年硕士生若干名
+1/5
山东交通学院航运学院关于2026年硕士研究生招生考试调剂复试有关事项的公告
+1/5
丽水学院材料与能源工程学院 材料与化工、资源与环境专业2026年硕士研究生接受调剂
+1/5
广州双一流大学08代码学硕接受调剂
+1/5
招收化学/材料调剂同学
+1/5
哈工程烟台院材化专业2026调剂信息
+1/4
2026年江西科技师范大学化学化工学院隋晓锋课题组招收硕士研究生调剂
+1/3
盐城工学院材料科学与工程/交通运输方向硕士生调剂招生
+1/2
★
chen05106307981(金币+1):谢谢参与
chen05106307981(金币+1):谢谢参与
|
本帖内容被屏蔽 |
10楼2011-04-01 13:22:57
2楼2011-03-28 22:43:50
3楼2011-03-29 12:48:08
4楼2011-03-30 18:29:59
5楼2011-03-31 22:39:25
6楼2011-03-31 23:04:47
7楼2011-04-01 11:11:44
8楼2011-04-01 11:24:38
11楼2011-04-02 10:08:52
12楼2011-08-20 13:43:44
13楼2011-08-20 21:06:38
14楼2012-05-08 00:07:39
15楼2012-05-08 10:47:16
16楼2012-05-12 13:12:40
17楼2012-05-14 07:15:38
18楼2012-05-14 07:53:59
19楼2012-05-22 18:10:37
20楼2012-05-23 10:33:33
21楼2013-09-19 23:06:47
22楼2015-06-06 20:44:46
23楼2015-06-06 21:21:44
24楼2015-06-09 17:35:16
25楼2015-06-11 05:45:53
简单回复
巴山虎9楼
2011-04-01 11:32
回复
chen05106307981(金币+1):谢谢参与
支持!
李怀江26楼
2015-08-14 01:05
回复
chen05106307981(金币+1): 谢谢参与

















回复此楼