±±¾©Ê¯ÓÍ»¯¹¤Ñ§Ôº2026ÄêÑо¿ÉúÕÐÉú½ÓÊÕµ÷¼Á¹«¸æ
²é¿´: 3251  |  »Ø¸´: 19

775115645

Òø³æ (СÓÐÃûÆø)


[½»Á÷] ¡¾ÌÖÂÛ¡¿Çë½ÌAAOÄ£°å·¨µç³Á»ýAgÄÉÃ×Ïß

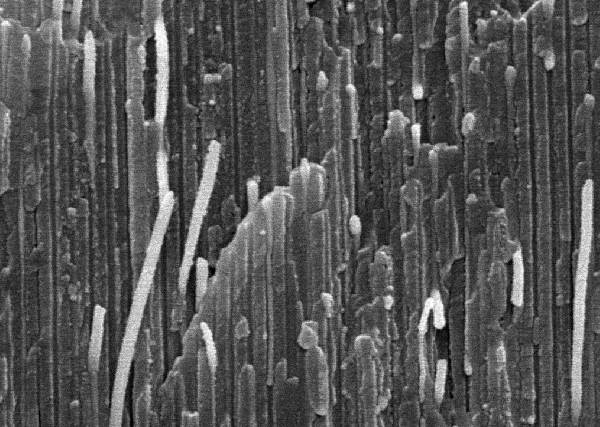
ÎÒÏÖÔÚÓÃAAOÄ£°åµç³Á»ýAgÄÉÃ×Ïߣ¬×ö¹ýSEM²âÊÔ£¬·¢ÏÖÓÐÒ»¸öÑùÆ·ÕÕµÄÕÕÆ¬ÄÉÃ×ÏߺܹæÕû£¬ÎÒÊÇ´¹Ö±ÓÚ±íÃæÕյģ¬Ó¦¸ÃÊÇһЩµã£¬µ«ÕÕÆ¬ÊǺá×ŵĹæÔòÄÉÃ×Ïߣ¬»á²»»áÊÇÎÒûÓгÁ½øÈ¥£¬AAO±»NaOH¸¯Ê´ºó³ÉÑõ»¯ÂÁÄÉÃ×ÏßÁË£¿




[ Last edited by 775115645 on 2011-1-8 at 16:23 ]
»Ø¸´´ËÂ¥

» ²ÂÄãϲ»¶

» ±¾Ö÷ÌâÏà¹ØÉ̼ÒÍÆ¼ö: (ÎÒÒ²ÒªÔÚÕâÀïÍÆ¹ã)

» ±¾Ö÷ÌâÏà¹Ø¼ÛÖµÌùÍÆ¼ö£¬¶ÔÄúͬÑùÓаïÖú:

» ÇÀ½ð±ÒÀ²£¡»ØÌû¾Í¿ÉÒԵõ½:

²é¿´È«²¿É¢½ðÌù

ÒÑÔÄ   »Ø¸´´ËÂ¥   ¹Ø×¢TA ¸øTA·¢ÏûÏ¢ ËÍTAºì»¨ TAµÄ»ØÌû
»ØÌûÖ§³Ö ( ÏÔʾ֧³Ö¶È×î¸ßµÄǰ 50 Ãû )

tyk007

гæ (³õÈëÎÄ̳)


¡ï
Сľ³æ: ½ð±Ò+0.5, ¸ø¸öºì°ü£¬Ð»Ð»»ØÌû
ÇëÎÊÄãÓõĵç½âÒºÊÇʲô£¿ÎÒÒ²ÔÚ×öÒøÄÉÃ×Ïߵĵç³Á»ý£¬Ö»ÊÇĿǰ»¹Ã»×ö³öÀ´¡£ÎÒÃÇ¿ÉÒÔ̽ÌÖÒ»ÏÂÕâ·½ÃæµÄÎÊÌâÂð£¿ÎÒµÄÓÊÏätianyakun007@163.com£¬ÆÚ´ýÄãµÄ»Ø¸´Å¶
17Â¥2013-03-27 09:22:04
ÒÑÔÄ   »Ø¸´´ËÂ¥   ¹Ø×¢TA ¸øTA·¢ÏûÏ¢ ËÍTAºì»¨ TAµÄ»ØÌû
ÆÕͨ»ØÌû

guwei2892091

½ð³æ (СÓÐÃûÆø)


¡ï
775115645(½ð±Ò+1): 2011-01-07 10:06:08
yunruirui(½ð±Ò+1):лл²ÎÓë 2011-01-07 10:46:44
ÒýÓûØÌû:
Originally posted by 775115645 at 2011-01-05 20:04:01:
ÎÒÏÖÔÚÓÃAAOÄ£°åµç³Á»ýAgÄÉÃ×Ïߣ¬×ö¹ýSEM²âÊÔ£¬·¢ÏÖÓÐÒ»¸öÑùÆ·ÕÕµÄÕÕÆ¬ÄÉÃ×ÏߺܹæÕû£¬ÎÒÊÇ´¹Ö±ÓÚ±íÃæÕյģ¬Ó¦¸ÃÊÇһЩµã£¬µ«ÕÕÆ¬ÊǺá×ŵĹæÔòÄÉÃ×Ïߣ¬»á²»»áÊÇÎÒûÓгÁ½øÈ¥£¬AAO±»NaOH¸¯Ê´ºó³ÉÑõ»¯ÂÁÄÉÃ×ÏßÁË£¿
...

NaOH²»¿ÉÄܰÑAAO¸¯Ê´³ÉÄÉÃ×Ïߵġ£ÎÒ¾õµÃÄãÑùÆ·¿ÉÄÜÓÐÁ½ÖÖÔ­Òò¡£Ò»ÊÇ£¬AgûÓгÁ½øÈ¥£¬¿´µ½ÊÇAAOµÄÐÎò£¬ÕâÒª¿´¿´ÄãµÄµç¾µÍ¼Æ¬¾ÍÖªµÀÁË¡£¶þÊÇ£¬Ag³Á½øÈ¥ÁË£¬µ«ÊẠ̊́ܶ¬ÄÜÕ¾ÔÚ»ùµ×ÉÏ¡£ËùÒÔ´ÓÉÏÍùÏ¿´ÊÇһЩµã£¬²àÃæÊǹæÕûµÄÄÉÃ×Ïß¡£ÕâÒª¿´³Á»ýʱ¼ä¡£³Á»ýʱ¼äºÜ³¤¹À¼Æ¾Í²»ÊÇÕâÖÖÇé¿öÁË¡£
2Â¥2011-01-06 09:10:35
ÒÑÔÄ   »Ø¸´´ËÂ¥   ¹Ø×¢TA ¸øTA·¢ÏûÏ¢ ËÍTAºì»¨ TAµÄ»ØÌû

jinxiaoyun

ľ³æ (ÕýʽдÊÖ)


775115645(½ð±Ò+1): 2011-01-07 10:06:33
yunruirui:лл²ÎÓë 2011-01-07 10:46:51
ÒªÊÇû³Á½øÈ¥Ôõô»áÊÇÄÉÃ×ÏßÄØ£¿£¿È¥µôÄ£°åµÄ»°£¬ÄÉÃ×Ï߻ḽ×ÅÔÚÒ»ÆðµÄ°É¡£
3Â¥2011-01-07 08:18:59
ÒÑÔÄ   »Ø¸´´ËÂ¥   ¹Ø×¢TA ¸øTA·¢ÏûÏ¢ ËÍTAºì»¨ TAµÄ»ØÌû

tpy114911

ľ³æ (ÖøÃûдÊÖ)


775115645(½ð±Ò+1): 2011-04-25 19:07:26
¿ÉÄÜÊÇÄÉÃ×ÏßÌ«³¤£¬ÊÜÓ¦Á¦µ¹ÏÂÁ˲»£¿
4Â¥2011-01-08 15:11:23
ÒÑÔÄ   »Ø¸´´ËÂ¥   ¹Ø×¢TA ¸øTA·¢ÏûÏ¢ ËÍTAºì»¨ TAµÄ»ØÌû

tpy114911

ľ³æ (ÖøÃûдÊÖ)


Â¥Ö÷ÔÙÌù¸ö±¶Êý´óÒ»µãµÄͼ£¿
5Â¥2011-01-08 15:12:07
ÒÑÔÄ   »Ø¸´´ËÂ¥   ¹Ø×¢TA ¸øTA·¢ÏûÏ¢ ËÍTAºì»¨ TAµÄ»ØÌû

775115645

Òø³æ (СÓÐÃûÆø)


ÒýÓûØÌû:
Originally posted by jinxiaoyun at 2011-01-07 08:18:59:
ÒªÊÇû³Á½øÈ¥Ôõô»áÊÇÄÉÃ×ÏßÄØ£¿£¿È¥µôÄ£°åµÄ»°£¬ÄÉÃ×Ï߻ḽ×ÅÔÚÒ»ÆðµÄ°É¡£

ÎÒÔÚNanoc letterÉϼûµ½¹ýÑõ»¯ÂÁÄÉÃ×Ïߣ¬ºÍÕâ·Ç³£ÏàËÆ£¬¹Ø¼üÊÇÎÒ´òµÄÄÜÆ×ÀïÒøº¬Á¿ÌرðÉÙ£¬½ö1%×óÓÒ£¬Ö÷ÒªÊÇÂÁºÍÑõ£¡
6Â¥2011-01-08 16:31:51
ÒÑÔÄ   »Ø¸´´ËÂ¥   ¹Ø×¢TA ¸øTA·¢ÏûÏ¢ ËÍTAºì»¨ TAµÄ»ØÌû

775115645

Òø³æ (СÓÐÃûÆø)


ÒýÓûØÌû:
Originally posted by guwei2892091 at 2011-01-06 09:10:35:

NaOH²»¿ÉÄܰÑAAO¸¯Ê´³ÉÄÉÃ×Ïߵġ£ÎÒ¾õµÃÄãÑùÆ·¿ÉÄÜÓÐÁ½ÖÖÔ­Òò¡£Ò»ÊÇ£¬AgûÓгÁ½øÈ¥£¬¿´µ½ÊÇAAOµÄÐÎò£¬ÕâÒª¿´¿´ÄãµÄµç¾µÍ¼Æ¬¾ÍÖªµÀÁË¡£¶þÊÇ£¬Ag³Á½øÈ¥ÁË£¬µ«ÊẠ̊́ܶ¬ÄÜÕ¾ÔÚ»ùµ×ÉÏ¡£ËùÒÔ´ÓÉÏÍùÏ¿´ÊÇһЩµã£¬²àÃæ ...

ÎÒÔÚNanoc letterÉϼûµ½¹ýÑõ»¯ÂÁÄÉÃ×Ïߣ¬¾ÍÊÇNaOH¸¯Ê´¹ýºó£¬ºÍÕâ·Ç³£ÏàËÆ£¬¹Ø¼üÊÇÎÒ´òµÄÄÜÆ×ÀïÒøº¬Á¿ÌرðÉÙ£¬½ö1%×óÓÒ£¬Ö÷ÒªÊÇÂÁºÍÑõ£¡¶øÇÒÕâÊÇÎÒ´¹Ö±ÓÚÑùÆ·Õյ쬲»ÊDzàÃæ¡£
7Â¥2011-01-08 16:34:34
ÒÑÔÄ   »Ø¸´´ËÂ¥   ¹Ø×¢TA ¸øTA·¢ÏûÏ¢ ËÍTAºì»¨ TAµÄ»ØÌû

jinxiaoyun

ľ³æ (ÕýʽдÊÖ)


ÄǸöº¬Á¿ÉÙÚÀ  µç³Á»ýÎÒÒ²³Á»ý²»½øÈ¥£¬ºÃ¶à½ðÊô¿ÅÁ£ÔÚÄ£°åµÄ±íÃæ¡£
8Â¥2011-01-09 10:22:37
ÒÑÔÄ   »Ø¸´´ËÂ¥   ¹Ø×¢TA ¸øTA·¢ÏûÏ¢ ËÍTAºì»¨ TAµÄ»ØÌû

cwnano

½û³æ (СÓÐÃûÆø)

¡ï
Сľ³æ(½ð±Ò+0.5):¸ø¸öºì°ü£¬Ð»Ð»»ØÌû
±¾ÌûÄÚÈݱ»ÆÁ±Î

9Â¥2011-09-22 19:50:34
ÒÑÔÄ   »Ø¸´´ËÂ¥   ¹Ø×¢TA ¸øTA·¢ÏûÏ¢ ËÍTAºì»¨ TAµÄ»ØÌû

madis

Òø³æ (СÓÐÃûÆø)


¡ï
Сľ³æ(½ð±Ò+0.5):¸ø¸öºì°ü£¬Ð»Ð»»ØÌû
ÒýÓûØÌû:
8Â¥: Originally posted by jinxiaoyun at 2011-01-09 10:22:37:
ÄǸöº¬Á¿ÉÙÚÀ  µç³Á»ýÎÒÒ²³Á»ý²»½øÈ¥£¬ºÃ¶à½ðÊô¿ÅÁ£ÔÚÄ£°åµÄ±íÃæ¡£

ÇëÎÊ£¬ÏÖÔÚÄܳÁ»ý½øÈ¥ÁËÂð£¿
ÎÒÒ²³¢ÊÔ×öÕâ¸ö£¬Ò²¾õµÃû½øÈ¥
¶à½»Á÷½»Á÷¡­¡­
10Â¥2012-02-24 12:29:50
ÒÑÔÄ   »Ø¸´´ËÂ¥   ¹Ø×¢TA ¸øTA·¢ÏûÏ¢ ËÍTAºì»¨ TAµÄ»ØÌû

buffer210

½û³æ (³õÈëÎÄ̳)

¡ï
Сľ³æ(½ð±Ò+0.5):¸ø¸öºì°ü£¬Ð»Ð»»ØÌû
±¾ÌûÄÚÈݱ»ÆÁ±Î

11Â¥2012-02-24 13:44:58
ÒÑÔÄ   »Ø¸´´ËÂ¥   ¹Ø×¢TA ¸øTA·¢ÏûÏ¢ ËÍTAºì»¨ TAµÄ»ØÌû

ndyxlx

Ìú³æ (³õÈëÎÄ̳)


¡ï
Сľ³æ: ½ð±Ò+0.5, ¸ø¸öºì°ü£¬Ð»Ð»»ØÌû
Õâ¸öȷʵÊÇÑõ»¯ÂÁÄÉÃ×Ïߣ¬ÎÒÒÔǰҲ×ö¹ýÕâÑùµÄ
12Â¥2012-04-16 20:01:38
ÒÑÔÄ   »Ø¸´´ËÂ¥   ¹Ø×¢TA ¸øTA·¢ÏûÏ¢ ËÍTAºì»¨ TAµÄ»ØÌû

Öð¡ªÔÂ

гæ (³õÈëÎÄ̳)


¡ï
Сľ³æ: ½ð±Ò+0.5, ¸ø¸öºì°ü£¬Ð»Ð»»ØÌû
ÎÒ×öµÄÄÉÃ×ÏßÒ²ÊÇÕâÖÖÇé¿ö£¬ÇëÎÊÂ¥Ö÷½â¾öÁËô£¿
13Â¥2012-04-26 14:55:30
ÒÑÔÄ   »Ø¸´´ËÂ¥   ¹Ø×¢TA ¸øTA·¢ÏûÏ¢ ËÍTAºì»¨ TAµÄ»ØÌû

xylq11

ľ³æ (СÓÐÃûÆø)


¡ï
Сľ³æ: ½ð±Ò+0.5, ¸ø¸öºì°ü£¬Ð»Ð»»ØÌû
ÕâÊÇÑõ»¯ÂÁµÄÄÉÃ×Ïߣ¬ÒøÄÉÃ×ÏߺܶÌÔÚAAOµ×²¿Òª¿´½ØÃæ
14Â¥2012-09-12 08:40:07
ÒÑÔÄ   »Ø¸´´ËÂ¥   ¹Ø×¢TA ¸øTA·¢ÏûÏ¢ ËÍTAºì»¨ TAµÄ»ØÌû

½ðÖ¾Ã÷

Ìú¸Ëľ³æ (ÕýʽдÊÖ)


¡ï
Сľ³æ: ½ð±Ò+0.5, ¸ø¸öºì°ü£¬Ð»Ð»»ØÌû
Ò²Óöµ½¹ýÀàËÆÇéÐΡ£
Ò»ÊÇÐÎò¾ÍÊÇÕâÑùµÄÏß×´£»¶þÊÇEDXÔªËØ·ÖÎöAgº¬Á¿ÉٵÿÉÁ¯£¬Ö÷ÒªÊÇOºÍAl£»ÈýÊÇÔÚÎÄÏ×ÖÐÃ²ËÆÒ²¿´µ½¹ýÀàËÆµÄÑõ»¯ÂÁÄÉÃ×Ïß¡£
15Â¥2012-09-13 09:22:04
ÒÑÔÄ   »Ø¸´´ËÂ¥   ¹Ø×¢TA ¸øTA·¢ÏûÏ¢ ËÍTAºì»¨ TAµÄ»ØÌû

lcycomcn

Ìú¸Ëľ³æ (ÖøÃûдÊÖ)


¡ï
Сľ³æ: ½ð±Ò+0.5, ¸ø¸öºì°ü£¬Ð»Ð»»ØÌû
¿´¿´¶ÏÃæ¾ÍÖªµÀÁ˰¡¡£ÄãÄǸö¿ÉÄÜÊÇÄÉÃ×ÏßÉú³¤µÄ±È½Ï¶Ì£¬È»ºó¿ÌÊ´µÄÄ£°åÐγɵÄÑõ»¯ÂÁÄÉÃ×Ïߣ¬ÒòΪEDSÒøºÜÉÙ£¬¿ÉÒÔêþ¿ª¿´¸ö¶ÏÃæ¡£

24_q44.gif

16Â¥2012-09-13 10:25:41
ÒÑÔÄ   »Ø¸´´ËÂ¥   ¹Ø×¢TA ¸øTA·¢ÏûÏ¢ ËÍTAºì»¨ TAµÄ»ØÌû

tyk007

гæ (³õÈëÎÄ̳)


¡ï
Сľ³æ: ½ð±Ò+0.5, ¸ø¸öºì°ü£¬Ð»Ð»»ØÌû
ÒýÓûØÌû:
111316Â¥: Originally posted by jinxiaoyun at 2011-01-09 10:22:37
ÄǸöº¬Á¿ÉÙÚÀ  µç³Á»ýÎÒÒ²³Á»ý²»½øÈ¥£¬ºÃ¶à½ðÊô¿ÅÁ£ÔÚÄ£°åµÄ±íÃæ¡£

ÎÒ×öµÄÒ²ÊÇÕâÖÖÇé¿ö£¬¼±ËÀÁË
18Â¥2013-03-27 09:24:38
ÒÑÔÄ   »Ø¸´´ËÂ¥   ¹Ø×¢TA ¸øTA·¢ÏûÏ¢ ËÍTAºì»¨ TAµÄ»ØÌû

tyk007

гæ (³õÈëÎÄ̳)


¡ï
Сľ³æ: ½ð±Ò+0.5, ¸ø¸öºì°ü£¬Ð»Ð»»ØÌû
ÊDz»ÊÇ¿ÉÒÔͨ¹ýµç³Á»ýʱ¼äºÍµçÁ÷ÃܶÈÀ´½â¾öÕâ¸öÎÊÌâÄØ£¿
19Â¥2013-03-27 09:27:27
ÒÑÔÄ   »Ø¸´´ËÂ¥   ¹Ø×¢TA ¸øTA·¢ÏûÏ¢ ËÍTAºì»¨ TAµÄ»ØÌû

Íõ´«¾Ù

½ð³æ (СÓÐÃûÆø)


¡ï
Сľ³æ: ½ð±Ò+0.5, ¸ø¸öºì°ü£¬Ð»Ð»»ØÌû
ÒýÓûØÌû:
17Â¥: Originally posted by tyk007 at 2013-03-27 09:22:04
ÇëÎÊÄãÓõĵç½âÒºÊÇʲô£¿ÎÒÒ²ÔÚ×öÒøÄÉÃ×Ïߵĵç³Á»ý£¬Ö»ÊÇĿǰ»¹Ã»×ö³öÀ´¡£ÎÒÃÇ¿ÉÒÔ̽ÌÖÒ»ÏÂÕâ·½ÃæµÄÎÊÌâÂð£¿ÎÒµÄÓÊÏätianyakun007@163.com£¬ÆÚ´ýÄãµÄ»Ø¸´Å¶

ͬѧ£¬ÄãÃÇÓÃÓڵ绯ѧ³Á»ýµÄ¶à¿×Ñõ»¯ÂÁÒ»°ã¼¸¸ö΢Ã×ѽ
20Â¥2015-04-18 23:17:30
ÒÑÔÄ   »Ø¸´´ËÂ¥   ¹Ø×¢TA ¸øTA·¢ÏûÏ¢ ËÍTAºì»¨ TAµÄ»ØÌû
Ïà¹Ø°æ¿éÌø×ª ÎÒÒª¶©ÔÄÂ¥Ö÷ 775115645 µÄÖ÷Ìâ¸üÐÂ
×î¾ßÈËÆøÈÈÌûÍÆ¼ö [²é¿´È«²¿] ×÷Õß »Ø/¿´ ×îºó·¢±í
[¿¼ÑÐ] ±¾¿Æ211£¬293·ÖÇëÇóµ÷¼Á +8 Á«²Ë¾ÍÊÇź°É 2026-04-03 9/450 2026-04-05 19:12 by À¶ÔÆË¼Óê
[¿¼ÑÐ] 358Çóµ÷¼Á +7 Çïgk 2026-04-04 7/350 2026-04-05 13:29 by huangmoli
[¿¼ÑÐ] µç×ÓÐÅÏ¢µ÷¼Á½»²æÑ§¿ÆÓÐÍÆ¼öÂð +6 jhtfeybgj 2026-04-01 9/450 2026-04-05 11:13 by Öí»á·É
[¿¼ÑÐ] 321Çóµ÷¼Á +6 ÈÏÕæÇóÉÏѧ 2026-04-03 6/300 2026-04-04 19:51 by dongzh2009
[¿¼ÑÐ] Çóµ÷¼Á +6 Ë·Ë·»° 2026-04-02 7/350 2026-04-04 19:16 by À¶ÔÆË¼Óê
[¿¼ÑÐ] 309·Ö085801Çóµ÷¼Á +11 MY_angel 2026-03-31 11/550 2026-04-04 19:11 by À¶ÔÆË¼Óê
[¿¼ÑÐ] 277¹¤¿ÆÇóµ÷¼Á +7 1915668 2026-04-04 7/350 2026-04-04 17:21 by °¡¿¡£¡
[¿¼ÑÐ] 293·ÖÇóµ÷¼Á£¬ÍâÓïΪ¶íÓï +6 ¼ÓÒ»Ò»¾Å 2026-03-31 6/300 2026-04-04 14:57 by ´ÏÃ÷µÄ´óËÉÊó
[¿¼ÑÐ] ÍÁľ304Çóµ÷¼Á +4 ÍÃͻͻͻ£¬ 2026-03-31 4/200 2026-04-04 13:34 by 1753564080
[¿¼ÑÐ] Ò»Ö¾Ô¸ÖйúʯÓÍ´óѧ»¯Ñ§¹¤³Ì323·ÖÇóµ÷¼Á +4 »¯¹¤×¨Ë¶323·Ö 2026-04-03 6/300 2026-04-03 22:12 by dongzh2009
[¿¼ÑÐ] 08¹¤¿Æ£¬295£¬½ÓÊÜ¿çרҵµ÷¼Á +8 lmnlzy 2026-03-30 8/400 2026-04-03 13:08 by nalakaiqi
[¿¼ÑÐ] ³õÊԳɼ¨337ÕÒµ÷¼Á +3 ??? ?. ? 2026-04-03 3/150 2026-04-03 11:43 by ÍÁľ˶ʿÕÐÉú
[¿¼ÑÐ] 312Çóµ÷¼Á +6 ССī123 2026-04-02 7/350 2026-04-03 07:32 by jsw79
[¿¼ÑÐ] 366Çóµ÷¼ÁÒ»Ö¾Ô¸¶«±±´óѧ +8 ÔËÆøÀ´µÃÈôÓÐËÆÎ 2026-04-02 8/400 2026-04-02 21:39 by dongzh2009
[¿¼ÑÐ] ²ÄÁÏ340·Öµ÷¼Á +7 ÏÄÒ¹Íí·ç_long 2026-04-02 9/450 2026-04-02 21:20 by dongzh2009
[¿¼ÑÐ] 22408 266Çóµ÷¼Á +3 masss11222 2026-04-02 3/150 2026-04-02 18:11 by ±ÊÂä½õÖÝ
[¿¼ÑÐ] Çóµ÷¼Á 302·Ö³õÊÔ 0854 +5 Áæ¿ÉÀÖ 2026-04-02 5/250 2026-04-02 17:53 by ±ÊÂä½õÖÝ
[¿¼ÑÐ] ²ÄÁÏר˶322·Ö +11 ¹þ¹þ¹þºðºðºð¹þ 2026-04-01 11/550 2026-04-02 10:52 by lnilvy
[¿¼ÑÐ] »¯Ñ§¹¤³Ìר˶324·Ö£¬Ò»Ö¾Ô¸Öйú¿óÒµ´óѧÇóµ÷¼Á +7 ¹¢¹¢1314 2026-04-01 7/350 2026-04-02 07:40 by ÉÐË®¸óÖ÷
[¿¼ÑÐ] 297 µØÀíѧ070500 ¸´ÊÔÇóµ÷¼Á +3 СԲȦȦooo 2026-03-30 3/150 2026-03-30 21:05 by ÓàÕðyz
ÐÅÏ¢Ìáʾ
ÇëÌî´¦ÀíÒâ¼û