| 查看: 1239 | 回复: 8 | ||
| 【悬赏金币】回答本帖问题,作者步念77将赠送您 19 个金币 | ||
步念77新虫 (初入文坛)
|
[求助]
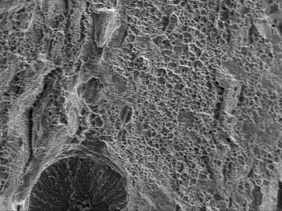
请教大神,图中椭圆形的形貌怎么分析?帮忙分析图中断口 已有1人参与
|
|
|
请教大神,图中椭圆形的形貌怎么分析?帮忙分析图中断口?另外我真的冰糖是沿晶,穿晶怎么判断? 发自小木虫手机客户端 |
» 猜你喜欢
一志愿a区211,085601-307分求调剂
已经有25人回复
求材料调剂,一志愿郑州大学289分
已经有5人回复
271分求调剂学校
已经有4人回复
总分328生物与医药考数学求调剂
已经有4人回复
一志愿陕西师范大学生物学317分
已经有5人回复
315分 085602 求调剂
已经有11人回复
298分 070300求调剂
已经有9人回复
一志愿安徽大学0817化学工程与技术,求调剂
已经有12人回复
265求调剂
已经有9人回复
085600材料与化工调剂
已经有20人回复
2楼2025-11-12 22:25:37
《草原的风》
至尊木虫 (职业作家)
- 应助: 854 (博后)
- 金币: 17380.3
- 红花: 102
- 帖子: 3287
- 在线: 961.2小时
- 虫号: 2536060
- 注册: 2013-07-07
- 性别: GG
- 专业: 金属结构材料

3楼2025-11-16 12:59:45
碎心GG
金虫 (正式写手)
- 应助: 1 (幼儿园)
- 金币: 1019.6
- 红花: 1
- 帖子: 340
- 在线: 21.1小时
- 虫号: 14719874
- 注册: 2019-03-25
- 专业: 金属材料的微观结构
4楼2025-11-20 11:55:16
碎心GG
金虫 (正式写手)
- 应助: 1 (幼儿园)
- 金币: 1019.6
- 红花: 1
- 帖子: 340
- 在线: 21.1小时
- 虫号: 14719874
- 注册: 2019-03-25
- 专业: 金属材料的微观结构
5楼2025-11-20 11:57:07
6楼2025-11-25 00:06:01
步念77
新虫 (初入文坛)
- 应助: 0 (幼儿园)
- 金币: 28.8
- 散金: 20
- 帖子: 17
- 在线: 1.5小时
- 虫号: 35897574
- 注册: 2025-01-15
- 专业: 金属材料的合金相、相变及
7楼2025-12-02 10:52:50
步念77
新虫 (初入文坛)
- 应助: 0 (幼儿园)
- 金币: 28.8
- 散金: 20
- 帖子: 17
- 在线: 1.5小时
- 虫号: 35897574
- 注册: 2025-01-15
- 专业: 金属材料的合金相、相变及
8楼2025-12-02 10:53:43
步念77
新虫 (初入文坛)
- 应助: 0 (幼儿园)
- 金币: 28.8
- 散金: 20
- 帖子: 17
- 在线: 1.5小时
- 虫号: 35897574
- 注册: 2025-01-15
- 专业: 金属材料的合金相、相变及
9楼2025-12-02 10:54:12














回复此楼