| 查看: 514 | 回复: 0 | |||
[交流]
负极扣电的奇怪现象
|
|
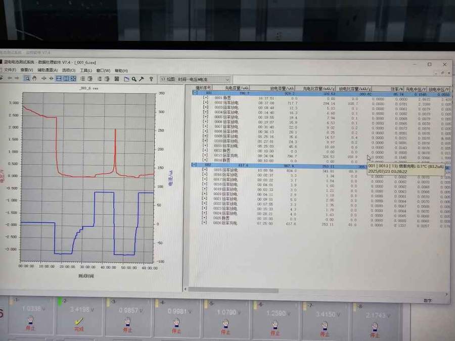
大佬们,石墨负极扣电首次嵌锂还算正常,首次脱锂过低,首效就百分之八十多,电解液用量200ul,用的2032壳子。看图第一圈不正常,第二圈又好了容量有350以上,做了5个都是这种情况,拆开没见异常。这是啥情况呀 发自小木虫手机客户端 |
» 猜你喜欢
德国Karlsruhe Institute of Technology招收电化学储能及联合培养CSC博士等
已经有20人回复
德国Karlsruhe Institute of Technology招收电化学储能及联合培养CSC博士
已经有24人回复
物理化学论文润色/翻译怎么收费?
已经有78人回复
德国Karlsruhe Institute of Technology招收电化学储能及联合培养CSC博士
已经有1人回复
固态锂金属电池迁移数计算求助
已经有1人回复
荷兰奈梅亨大学赵文博与Galimberti课题组招收理论计算CSC博士 2000 欧元/月+房补
已经有0人回复
26储能博士申请自荐
已经有23人回复
上海交通大学--宁波东方理工大学电池方向博士招生
已经有10人回复
海南大学全国重点实验室杨金霖老师招收储能电池方向博士生(2026年3月报名,9月入学)
已经有1人回复
海南师范大学2026年博士研究生招收 (在职想提升学历人员可报考) 申请考核制+普通招考
已经有1人回复
申博求助
已经有0人回复













回复此楼