±±¾©Ê¯ÓÍ»¯¹¤Ñ§Ôº2026ÄêÑо¿ÉúÕÐÉú½ÓÊÕµ÷¼Á¹«¸æ
²é¿´: 671  |  »Ø¸´: 0

huhuhuhu15

гæ (СÓÐÃûÆø)

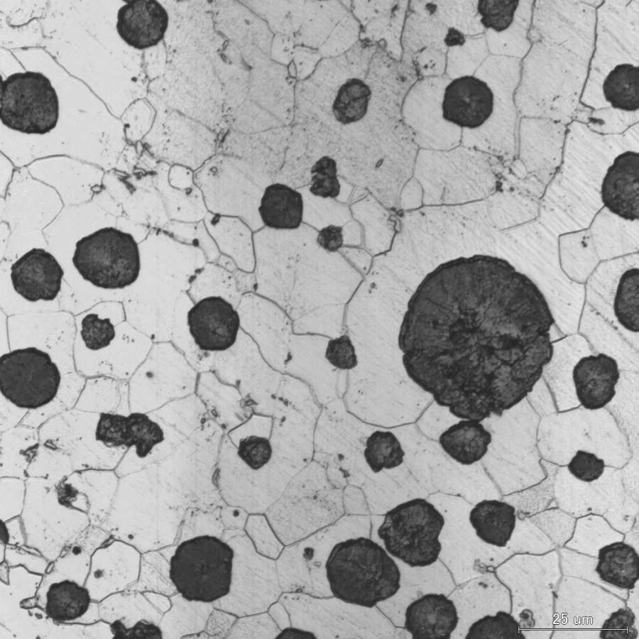
[½»Á÷] Çò״ʯīµÄÐκ˺ÍÉú³¤¹ý³Ì

¸ßι²¾Û½¹ÏÔ΢¾µVL3000DX-SVF18SP£¬¿ÉÒÔÔÚÉý½µÎ¹ý³ÌÖнøÐÐͬ²½¼à²â¡¢¼Ç¼ºÍ±íÕ÷£¬¶Ô²ÄÁϵĸßη´Ó¦ÐÐΪ½øÐÐԭλ¹Û²ì²âÊÔ£¨ÈÛÈÚ¡¢Äý¹Ì¡¢½á¾§µÈ£©µÄʵʱ¹Û²ìÓë·ÖÎö¡£
É豸¿ÉÒÔԭλ¹Û²ìÌúË®ÔÚÄý¹Ìʱ£¬Ì¼ÒÔÇò״ʯīµÄÐÎʽÐκ˺ÍÉú³¤¹ý³Ì¡£ÔÚÇòÄ«ÖýÌúµÄÐγɹý³ÌÖУ¬ÓÐÁ½¸ö·Ç³£ÖØÒªµÄ½×¶Î£¬¼´ÐκËÓëÉú³¤¡£
ÆäÖÐÐκËÊÇʯīµÄÊ×Òª¹ý³Ì£¬ÌúÒºÔÚÈÛÁ¶¼°ËæºóµÄÇò»¯¡¢ÔÐÓý´¦ÀíÖлá²úÉú´óÁ¿µÄ·Ç½ðÊô¼ÐÔÓÎÕâЩ·Ç½ðÊô¼ÐÔÓÎïµÄÐÎ×´´óСºÍ³Á¸¡×´Ì¬£¬³ÉΪʯīÎö³öµÄºËÐÄ£¬Ðκ˺ó̼ԭ×Ó¿ªÊ¼ÔÚÕâЩºËÐÄÉϲ»¶Ï¶ÑÆöµþ¼Ó¡£
ʯīÉú³É¹ý³ÌµÄ¿ØÖÆÊÇ»ñµÃÇò״ʯīµÄ¹Ø¼ü¡£Í¨¹ý¸ßι²¾Û½¹£¬Ä£ÄâÌù½üʵ¼Ê·þÒÛ»·¾³µÄÌõ¼þ£¬Í¨¹ý¸Ä±äÖýÌúµÄ³É·ÖºÍ¿ØÖÆÀäÈ´ËÙ¶ÈÀ´Ê¹µÃʯī°´ÕÕÇò×´Éú³¤¡£

Çò״ʯīµÄÐκ˺ÍÉú³¤¹ý³Ì
ÇòÄ«ÖýÌú
»Ø¸´´ËÂ¥
ÒÑÔÄ   »Ø¸´´ËÂ¥   ¹Ø×¢TA ¸øTA·¢ÏûÏ¢ ËÍTAºì»¨ TAµÄ»ØÌû
Ïà¹Ø°æ¿éÌø×ª ÎÒÒª¶©ÔÄÂ¥Ö÷ huhuhuhu15 µÄÖ÷Ìâ¸üÐÂ
×î¾ßÈËÆøÈÈÌûÍÆ¼ö [²é¿´È«²¿] ×÷Õß »Ø/¿´ ×îºó·¢±í
[¿¼ÑÐ] 310Çóµ÷¼Á +12 ÕùÈ¡¾Åµã˯ 2026-03-30 12/600 2026-04-02 13:07 by –¹Æ?
[¿¼ÑÐ] 279Çóµ÷¼Á +3 ¸µÎÄÇï 2026-04-02 3/150 2026-04-02 13:05 by 1753564080
[¿¼ÑÐ] Çóµ÷¼Á£¡ÉúÎïÓëҽҩר˶ +4 Äæ×ªÂ½ÏÈÉú 2026-04-01 4/200 2026-04-02 11:51 by xiaoranmu
[¿¼ÑÐ] Ò»Ö¾Ô¸±±½»´ó²ÄÁϹ¤³Ì×Ü·Ö358 +3 cs0106 2026-04-02 5/250 2026-04-02 11:37 by olim
[»ù½ðÉêÇë] esi¸ß±»ÒýÂÛÎÄÊDz»ÊÇÄܶÔÖбêÓÐËù¼Ó·ÖºÍ°ïÖúÄØ +4 redcom 2026-04-01 4/200 2026-04-02 10:16 by wqy8563
[¿¼ÑÐ] 367Çóµ÷¼Á +8 ÓóÄàà£à£¡­ 2026-03-28 8/400 2026-04-02 09:20 by olim
[¿¼ÑÐ] ¿¼Ñе÷¼Á +12 Amber00 2026-03-31 12/600 2026-04-02 09:04 by sanrepian
[¿¼ÑÐ] 302Çóµ÷¼ÁÒ»Ö¾Ô¸±±º½070300£¬±¾¿ÆÖ£´ó»¯Ñ§ +8 Ê¥ÈÕ¶úÂüÌõ 2026-04-01 11/550 2026-04-02 07:40 by chemdavid
[¿¼ÑÐ] 085410 Ò»Ö¾Ô¸211 22408·ÖÊý359Çóµ÷¼Á +3 123456789qw 2026-03-31 4/200 2026-04-02 00:06 by ÒåÎÄwang
[¿¼²©] 26ÄêÉ격 +3 staryer 2026-03-30 4/200 2026-04-01 23:21 by ai4pharm
[¿¼ÑÐ] Çóµ÷¼Á0703 +5 ÖܼÎÒ¢ 2026-03-31 8/400 2026-04-01 20:32 by ltltkkk
[¿¼ÑÐ] ²ÄÁÏר˶322·Ö +9 ¹þ¹þ¹þºðºðºð¹þ 2026-04-01 9/450 2026-04-01 14:30 by Î޼ʵIJÝÔ­
[¿¼ÑÐ] 289Çóµ÷¼Á +7 BrightLL 2026-03-29 7/350 2026-03-31 22:05 by 544594351
[¿¼ÑÐ] 266·Ö£¬Çó²ÄÁÏÒ±½ðÄÜÔ´»¯¹¤µÈµ÷¼Á +8 ÍÛºôºßºôºß 2026-03-27 10/500 2026-03-31 13:35 by Huaxue_Wang
[¿¼ÑÐ] 285Çóµ÷¼Á +6 AZMK 2026-03-29 9/450 2026-03-30 21:02 by dophin1985
[¿¼ÑÐ] Ò»Ö¾Ô¸»ªÖÐʦ·¶»¯Ñ§332·ÖÇóµ÷¼Á +3 Lyy930824@ 2026-03-29 3/150 2026-03-30 20:15 by DHUSHUAI
[¿¼ÑÐ] 105500ҩѧÇóµ÷¼Á£¬Ò»Ö¾Ô¸É½¶«´óѧҩѧ£¬348·Ö +3 gr¹þ¹þ¹þ 2026-03-28 3/150 2026-03-30 18:56 by Ô´_2020
[¿¼ÑÐ] 317·Ö Ò»Ö¾Ô¸ÄÏÀí¹¤²ÄÁϹ¤³Ì ±¾¿Æºþ¹¤´ó Çóµ÷¼Á +12 ÓóÄàСÁåîõ 2026-03-28 12/600 2026-03-30 17:06 by wangjy2002
[¿¼ÑÐ] 085602 »¯¹¤×¨Ë¶ 338·Ö Çóµ÷¼Á +12 ·³ÕСç÷ 2026-03-27 12/600 2026-03-28 15:41 by L135790
[¿¼ÑÐ] 308Çóµ÷¼Á +7 īīĮ 2026-03-27 7/350 2026-03-28 07:43 by ÈÈÇéɳĮ
ÐÅÏ¢Ìáʾ
ÇëÌî´¦ÀíÒâ¼û