| 查看: 1273 | 回复: 4 | ||
| 【悬赏金币】回答本帖问题,作者saber_fsn将赠送您 10 个金币 | ||
[求助]
电解抛光求助 已有1人参与
|
||
|
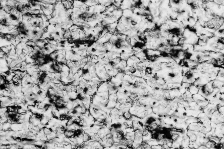
大佬们,我用直流电源自制的电解抛光设备去抛A356铝合金(Al-7Si-0.3Mg),电压12V,抛光时间20s,电解液10%的高氯酸酒精,温度:常温,抛光后用500X的光学显微镜去看,发现有很多大块的黑色,这是因为我抛光时间不够吗,第一次做这个,求助 @wacky1980 @comma 发自小木虫手机客户端 |
» 猜你喜欢
081700,311,求调剂
已经有18人回复
081700学硕,323分,一志愿中国海洋大学求调剂学校
已经有17人回复
085600材料与化工301分求调剂院校
已经有21人回复
化工学硕 285求调剂
已经有5人回复
0703调剂
已经有18人回复
0702物理学学硕299求调剂
已经有3人回复
304求调剂(085602,过四级,一志愿985)
已经有19人回复
085600材料与化工专硕329 求调剂
已经有17人回复
求调剂
已经有10人回复
生物与医药273求调剂
已经有10人回复
2楼2024-12-06 15:51:48
青菜绿叶
新虫 (小有名气)
- 应助: 0 (幼儿园)
- 金币: 115.7
- 散金: 80
- 帖子: 92
- 在线: 13.5小时
- 虫号: 28146408
- 注册: 2022-01-13
- 专业: 金属材料的合金相、相变及
3楼2024-12-07 00:09:26
C翊门堂
铁杆木虫 (著名写手)
- 应助: 80 (初中生)
- 金币: 5134.5
- 红花: 13
- 帖子: 1418
- 在线: 292.7小时
- 虫号: 2056269
- 注册: 2012-10-12
- 性别: GG
- 专业: 金属材料
4楼2024-12-07 10:20:26
5楼2024-12-07 10:30:01














回复此楼