| 查看: 2187 | 回复: 11 | ||
| 【悬赏金币】回答本帖问题,作者Ghost耿将赠送您 15 个金币 | ||
[求助]
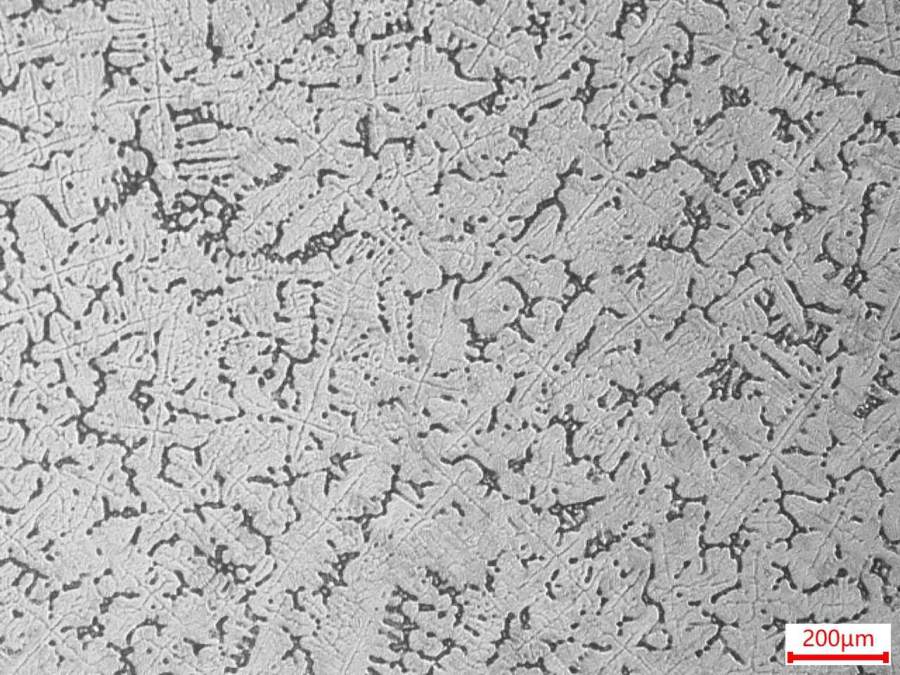
苦味酸溶液腐蚀原奥氏体晶粒 已有1人参与
|
||
| 兄弟们,帮我看看我这个出了什么问题,样品是铸态合金淬火后的状态,成分为Fe-0.2C-2Mn-1.5Si,用苦味酸溶液+洗涤剂腐蚀的,为什么会出现深浅不一的现象啊,急急急@comma |
» 猜你喜欢
材料调剂
已经有4人回复
304求调剂
已经有14人回复
求调剂
已经有24人回复
一志愿华东理工085601材料工程303分求调剂
已经有7人回复
288环境专硕,求调材料方向
已经有25人回复
0703化学
已经有25人回复
求调剂 一志愿西南交通大学085701环境工程 282分
已经有12人回复
一志愿211,化学学硕,310分,本科重点双非,求调剂
已经有3人回复
一志愿211,0703化学305分求调剂
已经有12人回复
一志愿211,化学学硕,310分,本科重点双非,求调剂
已经有4人回复
4楼2023-10-16 18:39:00
2楼2023-09-26 10:37:32
C翊门堂
铁杆木虫 (著名写手)
- 应助: 80 (初中生)
- 金币: 5134.5
- 红花: 13
- 帖子: 1418
- 在线: 292.7小时
- 虫号: 2056269
- 注册: 2012-10-12
- 性别: GG
- 专业: 金属材料
3楼2023-09-26 11:42:22
5楼2023-10-20 22:28:08
6楼2024-01-24 11:33:54
7楼2024-01-24 11:36:12
8楼2024-01-24 11:36:39
yinweisteel
新虫 (正式写手)
- 应助: 0 (幼儿园)
- 金币: 1228.3
- 散金: 105
- 红花: 9
- 帖子: 734
- 在线: 76.6小时
- 虫号: 5773495
- 注册: 2017-02-27
- 专业: 金属材料的微观结构
9楼2024-01-25 08:51:43
10楼2024-01-28 12:25:07














回复此楼