| ²é¿´: 809 | »Ø¸´: 2 | |||
pick123гæ (³õÈëÎÄ̳)
|
[½»Á÷]
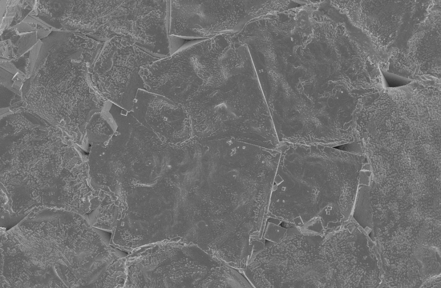
KNNѹµçÌÕ´ÉSEMµç¾µ½á¹û·ÖÎö ÒÑÓÐ1È˲ÎÓë
|
|
ÏëÎÊһϸ÷λ´óÀУ¬×î½ü×öµÄ¸ö±ðÑùÆ·µç¾µÕÕÆ¬ÊÇÕâÑù×Ó£¬»ù±¾Ã»Óо§Á££¬ÏëÎÊÏÂÕâÊÇʲôÔÒò£¿ 6NBRQ1TOQU$IQC_%%GEL2`T.png N)EBRHK}UG9~P`ZWI_{E2FL.png WKV~HT_Z$]C{KG2RD`G[{`B.png |
» ²ÂÄãϲ»¶
Çóµ÷¼Á
ÒѾÓÐ23È˻ظ´
301Çóµ÷¼Á
ÒѾÓÐ15È˻ظ´
304Çóµ÷¼Á£¨085602£¬¹ýËļ¶£¬Ò»Ö¾Ô¸985£©
ÒѾÓÐ17È˻ظ´
302·ÖÇóµ÷¼Á Ò»Ö¾Ô¸°²»Õ´óѧ085601
ÒѾÓÐ12È˻ظ´
288»·¾³×¨Ë¶,Çóµ÷²ÄÁÏ·½Ïò
ÒѾÓÐ23È˻ظ´
»·¾³×¨Ë¶µ÷¼Á
ÒѾÓÐ6È˻ظ´
22408 µ÷¼Á²ÄÁÏ
ÒѾÓÐ6È˻ظ´
285Çóµ÷¼Á
ÒѾÓÐ12È˻ظ´
Çóµ÷¼Á
ÒѾÓÐ6È˻ظ´
085600²ÄÁÏÓ뻯¹¤301·ÖÇóµ÷¼ÁԺУ
ÒѾÓÐ19È˻ظ´
metermeter
½û³æ (СÓÐÃûÆø)
¡ï
Сľ³æ: ½ð±Ò+0.5, ¸ø¸öºì°ü£¬Ð»Ð»»ØÌû
Сľ³æ: ½ð±Ò+0.5, ¸ø¸öºì°ü£¬Ð»Ð»»ØÌû
|
±¾ÌûÄÚÈݱ»ÆÁ±Î |
2Â¥2023-06-26 14:34:14
pick123
гæ (³õÈëÎÄ̳)
- Ó¦Öú: 0 (Ó×¶ùÔ°)
- ½ð±Ò: 24.5
- Ìû×Ó: 12
- ÔÚÏß: 3.3Сʱ
- ³æºÅ: 31016915
- ×¢²á: 2022-09-06
- רҵ: ÆäËûÎÞ»ú·Ç½ðÊô²ÄÁÏ
3Â¥2023-06-27 17:34:53














»Ø¸´´ËÂ¥