| 查看: 525 | 回复: 2 | ||
[求助]
9Ni钢调质处理 已有2人参与
|
|
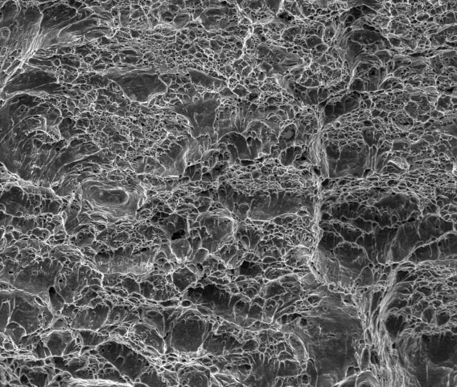
请教一下各位,9Ni钢调质处理820水淬+580回火,做-196低温冲击,冲击功为42.8,判为不合格产品,出现这种情况应该是什么原因导致的,断口是典型脆性断裂。图片是sem1000x和3000x 发自小木虫Android客户端 |
» 猜你喜欢
化学308分求调剂
已经有11人回复
328求调剂
已经有7人回复
考研调剂
已经有5人回复
材料专硕(0856) 339分求调剂
已经有11人回复
347材料专硕求调剂
已经有12人回复
307分材料专业求调剂
已经有9人回复
一志愿西电085401求调剂
已经有4人回复
生物工程求调剂
已经有12人回复
求调剂
已经有6人回复
277、学硕,求调剂 数一104,
已经有6人回复
gw0371
铁虫 (正式写手)
- 应助: 0 (幼儿园)
- 金币: 1149.6
- 红花: 3
- 帖子: 332
- 在线: 51.2小时
- 虫号: 1236901
- 注册: 2011-03-17
- 性别: GG
- 专业: 金属材料

2楼2022-08-05 20:58:47
yhwei2008
至尊木虫 (正式写手)
- 应助: 22 (小学生)
- 金币: 16307.4
- 红花: 6
- 帖子: 699
- 在线: 414.7小时
- 虫号: 430092
- 注册: 2007-08-05
- 专业: 金属材料的制备科学与跨学
3楼2022-08-06 16:09:54














回复此楼