| ²é¿´: 474 | »Ø¸´: 0 | ||
| ¡¾ÐüÉͽð±Ò¡¿»Ø´ð±¾ÌûÎÊÌ⣬×÷ÕßÎÒ¾ÍÊÇ´óÅÖ°¡½«ÔùËÍÄú 10 ¸ö½ð±Ò | ||
ÎÒ¾ÍÊÇ´óÅÖ°¡Í³æ (ÖøÃûдÊÖ)
|
[ÇóÖú]
Ä͸ßÎÂÕ³½á¼Á
|
|
|
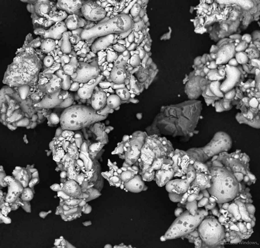
ÓõÄÊÇÌú¹è¸õ·ÛÄ©£¬¸ßÎÂ870¶È¿ÕÆøÈÈ´¦Àí£¬·ÛÄ©ºÍÉÕ֮ǰ״̬һÑù£¬¶¼ÊÇÍžÛ×°¡£ÇëÎÊÕâ¿ÉÄÜÊÇÄÄÖÖ¸ßνº£¿±íÃæµÄºÚÉ«ÊÇÔõôÐγɵÄÄØ£¿ @comma @wacky1980 ·¢×ÔСľ³æAndroid¿Í»§¶Ë |
» ²ÂÄãϲ»¶
269Çóµ÷¼Á
ÒѾÓÐ3È˻ظ´
318Çóµ÷¼Á
ÒѾÓÐ5È˻ظ´
µç×ÓÐÅÏ¢270Çóµ÷¼Á
ÒѾÓÐ5È˻ظ´
ר˶085403£¬291·Ö£¬ÓÐÁ½Æª×¨Àû£¬Ò»¹úÒ»½±
ÒѾÓÐ3È˻ظ´
312Çóµ÷¼Á
ÒѾÓÐ20È˻ظ´
290Çóµ÷¼Á085701
ÒѾÓÐ16È˻ظ´
081200-11408-276ѧ˶Çóµ÷¼Á
ÒѾÓÐ5È˻ظ´
327Çóµ÷¼Á
ÒѾÓÐ5È˻ظ´
Ò»Ö¾Ô¸085404£¬×Ü·Ö291£¬Ëļ¶Òѹý£¬Çóµ÷¼Á
ÒѾÓÐ8È˻ظ´
285Çóµ÷¼Á
ÒѾÓÐ16È˻ظ´














»Ø¸´´ËÂ¥