| ²é¿´: 506 | »Ø¸´: 1 | |||
ÄûÃʰ®¿ÉÀÖгæ (³õÈëÎÄ̳)
|
[½»Á÷]
Çë¸÷λ´óÀÐÃǰïÎÒ¿´¿´ÕâÊÇɶ×éÖ¯ ÒÑÓÐ1È˲ÎÓë
|
|
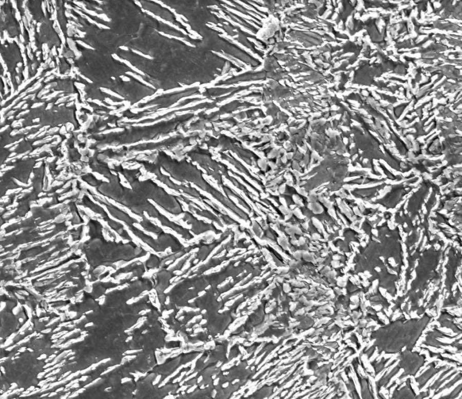
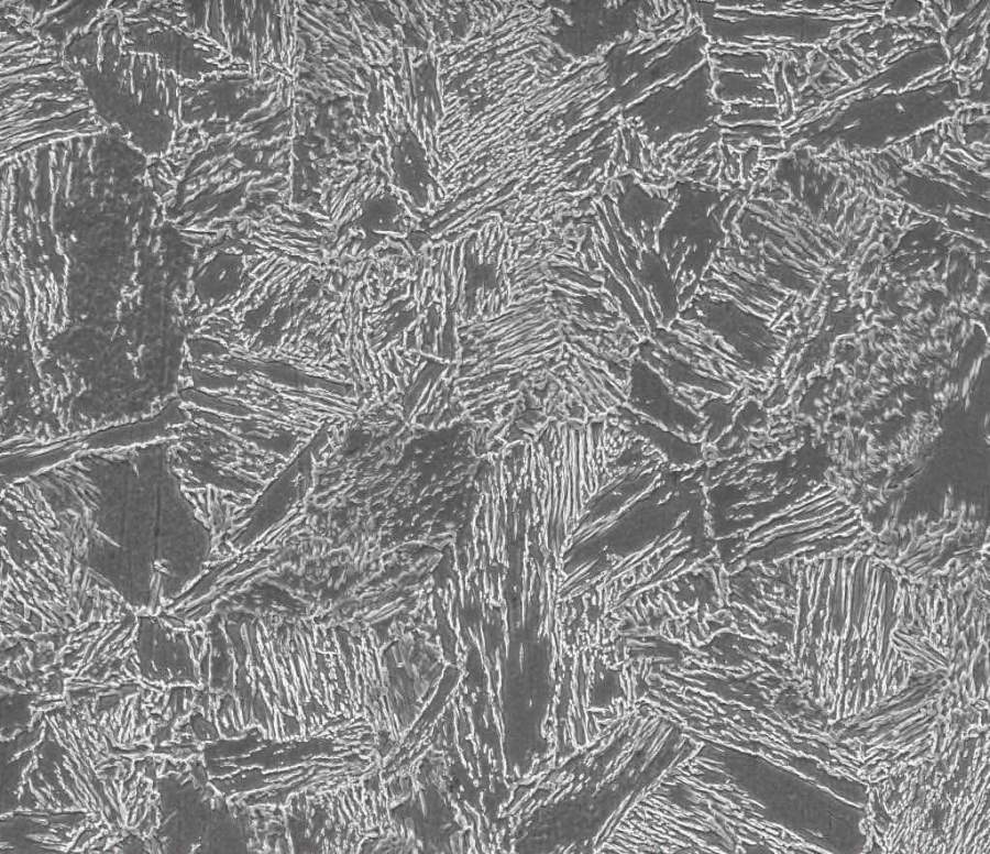
Niϵ¸Ö£¬ÈÈ´¦Àí¹¤ÒÕΪQLT(820¡æ´ã»ð+ÑÇδã»ð+580¡æ»Ø»ð)£¬semÏÂ2000±¶ºÍ10000±¶µÄͼÈçÏ£¬µÍ±¶Êý¿´×ÅÏñ°åÌõÂíÊÏÌ壬ÏëÎÊÎʸ÷λ´óÀÐÓкθ߼û£¬Ð»Ð»¸÷λ´óÀÐ? ·¢×ÔСľ³æAndroid¿Í»§¶Ë |
» ²ÂÄãϲ»¶
Ò»Ö¾Ô¸Éî´ó085601²ÄÁϹ¤³Ìרҵ£¨×¨Ë¶£©300·Ö¿ÉÒÔµ÷¼ÁÈ¥ÄÄ
ÒѾÓÐ12È˻ظ´
Ò»Ö¾Ô¸»ª¶«Àí¹¤085601²ÄÁϹ¤³Ì303·ÖÇóµ÷¼Á
ÒѾÓÐ11È˻ظ´
266Çóµ÷¼Á
ÒѾÓÐ17È˻ظ´
324Çóµ÷¼Á
ÒѾÓÐ11È˻ظ´
0703µ÷¼Á£¬Ò»Ö¾Ô¸Ìì½ò´óѧ319·Ö
ÒѾÓÐ24È˻ظ´
»úеר˶273ÇëÇóµ÷¼Á
ÒѾÓÐ5È˻ظ´
Çóµ÷¼Á²ÄÁÏ¿ÆÑ§Ó빤³ÌÒ»Ö¾Ô¸985³õÊÔ365·Ö
ÒѾÓÐ3È˻ظ´
Ò»Ö¾Ô¸2110£¬»¯Ñ§Ñ§Ë¶310·Ö£¬±¾¿ÆÖصãË«·ÇÇóµ÷¼Á
ÒѾÓÐ10È˻ظ´
281Çóµ÷¼Á
ÒѾÓÐ10È˻ظ´
²ÄÁÏר˶322·Ö
ÒѾÓÐ12È˻ظ´
ningangang
ľ³æ (ÕýʽдÊÖ)
- Ó¦Öú: 0 (Ó×¶ùÔ°)
- ½ð±Ò: 4999
- Ìû×Ó: 797
- ÔÚÏß: 29.4Сʱ
- ³æºÅ: 2838818
- ×¢²á: 2013-11-30
- ÐÔ±ð: GG
- רҵ: ½ðÊô²ÄÁϵĺϽðÏà¡¢Ïà±ä¼°

2Â¥2022-07-07 13:09:23














»Ø¸´´ËÂ¥