| 查看: 1418 | 回复: 8 | |||
[交流]
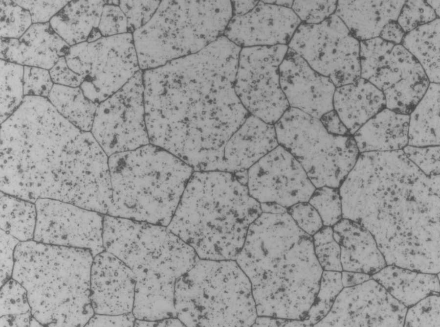
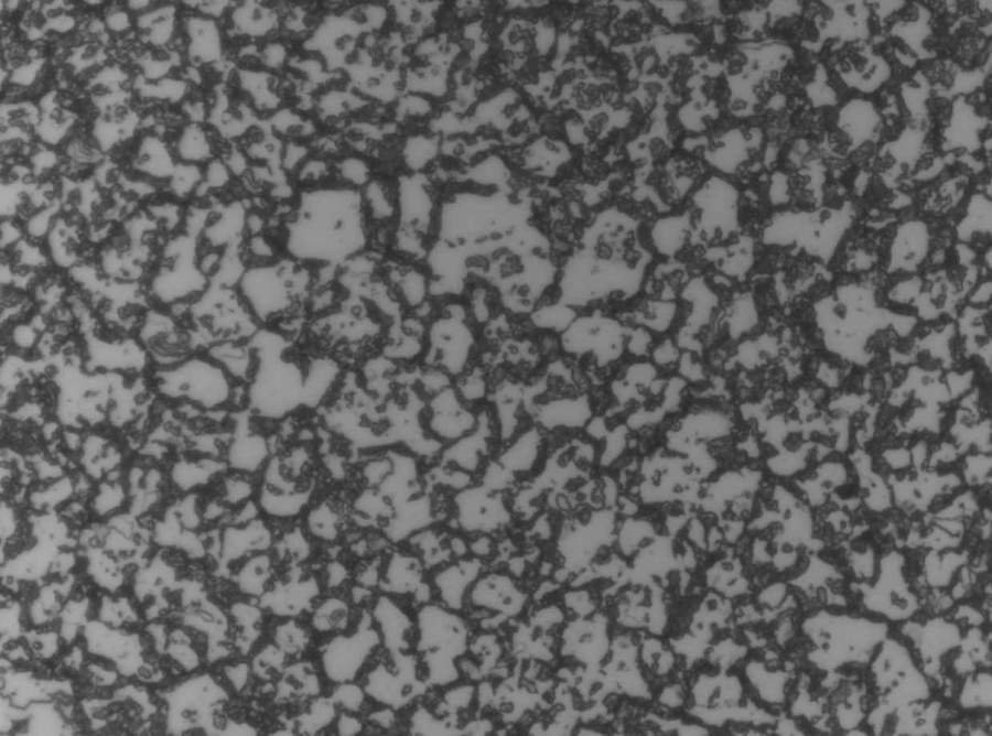
GCr15钢淬火原奥氏体晶界 已有6人参与
|
|
GCr15钢淬火后,用饱和苦味酸+12烷基丙磺酸钠+盐酸腐蚀后为什么晶界里会有这么多黑色的东西?如下图 发自小木虫Android客户端 |
» 猜你喜欢
277、学硕,求调剂 数一104,
已经有4人回复
材料求调剂
已经有18人回复
材料工程322分
已经有13人回复
277求调剂
已经有13人回复
本科郑州大学,一志愿华东师范大学282求调剂
已经有19人回复
一志愿哈工大,初试329,求环境科学与工程调剂!
已经有10人回复
071000生物学,一志愿深圳大学296分,求调剂
已经有10人回复
材料考研求调剂总分280
已经有25人回复
调剂
已经有11人回复
考研调剂
已经有3人回复
C翊门堂
铁杆木虫 (著名写手)
- 应助: 80 (初中生)
- 金币: 5134.5
- 红花: 13
- 帖子: 1418
- 在线: 292.7小时
- 虫号: 2056269
- 注册: 2012-10-12
- 性别: GG
- 专业: 金属材料
2楼2022-05-19 08:32:19
catalyst2015
金虫 (正式写手)
- 应助: 73 (初中生)
- 金币: 868.1
- 散金: 20
- 红花: 14
- 帖子: 455
- 在线: 240.7小时
- 虫号: 3638554
- 注册: 2015-01-10
- 性别: GG
- 专业: 金属材料的合金相、相变及
3楼2022-05-22 22:42:01
yinweisteel
新虫 (正式写手)
- 应助: 0 (幼儿园)
- 金币: 1228.3
- 散金: 105
- 红花: 9
- 帖子: 734
- 在线: 76.6小时
- 虫号: 5773495
- 注册: 2017-02-27
- 专业: 金属材料的微观结构
4楼2022-05-23 10:57:09
5楼2022-05-25 17:45:03
6楼2022-05-25 17:49:49
CH@123
新虫 (小有名气)
- 应助: 0 (幼儿园)
- 金币: 140.3
- 散金: 30
- 帖子: 126
- 在线: 8.2小时
- 虫号: 29572259
- 注册: 2022-05-06
- 专业: 极端条件下使用的金属材料
7楼2022-05-26 11:15:37
8楼2024-04-23 17:30:22
hnzty1986
新虫 (正式写手)
- 应助: 1 (幼儿园)
- 金币: 1954.2
- 散金: 10
- 帖子: 544
- 在线: 204.5小时
- 虫号: 894939
- 注册: 2009-11-06
- 专业: 金属材料的微观结构
9楼2024-04-29 21:07:04














回复此楼
