| 查看: 1269 | 回复: 5 | ||
| 【悬赏金币】回答本帖问题,作者Songjia将赠送您 50 个金币 | ||
[求助]
求助EIS数据拟合! 已有1人参与
|
||
|
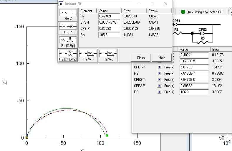
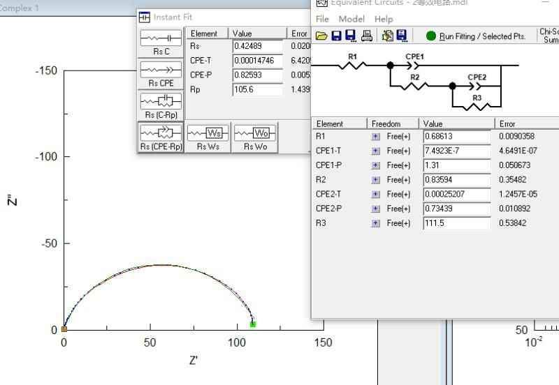
我是做缓蚀剂的 用EIS测缓蚀剂在15%HCl中的阻抗 用到zview2.0拟合 拟合结果 1图 拟合效果一般 但是CPE-P在正常的范围0--1之间 但是R2膜电阻特别小 和文献中看到的趋势不一样 我想请大佬帮我解释一下 这个膜电阻的影响因素是什么??? 2图 拟合效果很好 但是CPE-p的值大于1了 不符合要求 但膜电阻R2的值还可以 我想请大佬帮我解释一下 我这是测试出了问题 还是应该怎么拟合??? 求求了 科研小白一个 导师完全放养 本人是搞有机合成的 电化学也不太懂 @Gamry-电化学 @langzhizhou @louderbe 发自小木虫Android客户端 |
» 猜你喜欢
湖南农业大学能源材料创新团队招收2025化学专业研究生(学硕)调剂
已经有0人回复
2026年西华大学材料学院-材料近净成形与表面技术研究团队-招收调剂研究生
已经有9人回复
分析化学论文润色/翻译怎么收费?
已经有286人回复
调剂信息
已经有0人回复
华南理工0703化学,总分336求调剂
已经有1人回复
河北农大生物与医药专业招收调剂,名额充足
已经有0人回复
齐鲁工业大学 国家重点实验室-新能源、锂离子电池、材料、化学方向
已经有0人回复
一志愿前4位代码0703均可报名-河北大学分析化学专业招收调剂考生
已经有57人回复
★★爆★★0860生物与医药调剂考生看过来,河北大学化学与材料科学学院
已经有64人回复
杰青/长江团队招收调剂
已经有0人回复
中南林业科技大学罗勇锋教授团队2026年招收材料类调剂研究生
已经有0人回复
Faze
至尊木虫 (知名作家)
桃溪居士
- 应助: 3 (幼儿园)
- 金币: 11088.1
- 散金: 145
- 红花: 32
- 沙发: 77
- 帖子: 5502
- 在线: 392.1小时
- 虫号: 8588462
- 注册: 2018-04-22
- 性别: GG
- 专业: 电化学

2楼2022-01-08 20:57:35
3楼2022-01-08 21:08:16
4楼2022-04-08 19:44:52
楼主,请教一下,这些电路元件的数值要如何和文献里的Y0.n.Cdl对应,本人电化学小白一个,老师让我自己研究,但是我找了好久都不知道要如何得到文献里的那些数据![]() 发自小木虫Android客户端 |
5楼2022-04-08 19:47:48
season7865
木虫 (著名写手)
- 应助: 46 (小学生)
- 金币: 7829
- 散金: 11
- 红花: 28
- 帖子: 1281
- 在线: 299.6小时
- 虫号: 1427405
- 注册: 2011-10-04
- 性别: GG
- 专业: 电化学

6楼2022-04-09 18:07:52














回复此楼
