| 查看: 575 | 回复: 0 | |||
[交流]
Ag纳米三角合成中遇到了问题
|
|
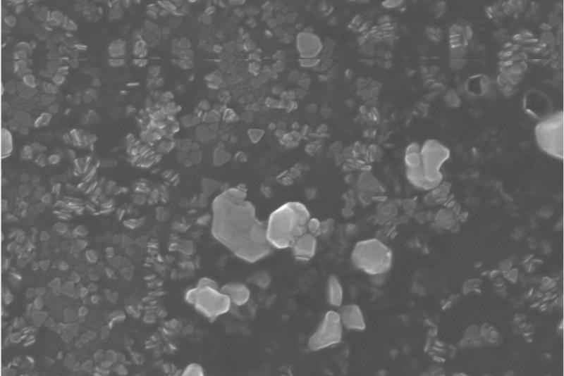
我参考的是殷亚东老师jacs的那篇经典文章,用(硝酸银,柠檬酸钠,双氧水,硼氢化钠)直接还原法。 每步的反应该出现的颜色都有。算是比较粗糙的成功了。但是这个方法合成的原液太稀了,我用12000转/s离心,再分散到较少的去离子水中,得到了较浓的溶液,然后测谱,和看电镜。 可是每次我加到比色皿中,还是蓝色的,在测谱过程中就会慢慢变成黄色,在吸收谱上等离激元峰也慢慢消失。我想知道发生了什么,我该怎么做,谢谢大家。 发自小木虫Android客户端 |
» 猜你喜欢
2025冷门绝学什么时候出结果
已经有3人回复
天津工业大学郑柳春团队欢迎化学化工、高分子化学或有机合成方向的博士生和硕士生加入
已经有4人回复
康复大学泰山学者周祺惠团队招收博士研究生
已经有6人回复
AI论文写作工具:是科研加速器还是学术作弊器?
已经有3人回复
孩子确诊有中度注意力缺陷
已经有6人回复
2026博士申请-功能高分子,水凝胶方向
已经有6人回复
论文投稿,期刊推荐
已经有4人回复
硕士和导师闹得不愉快
已经有13人回复
请问2026国家基金面上项目会启动申2停1吗
已经有5人回复
同一篇文章,用不同账号投稿对编辑决定是否送审有没有影响?
已经有3人回复
» 本主题相关商家推荐: (我也要在这里推广)














回复此楼