| 查看: 1190 | 回复: 4 | ||
| 【悬赏金币】回答本帖问题,作者IMR_ZCY将赠送您 10 个金币 | ||
[求助]
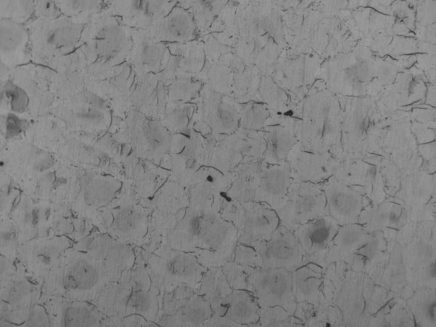
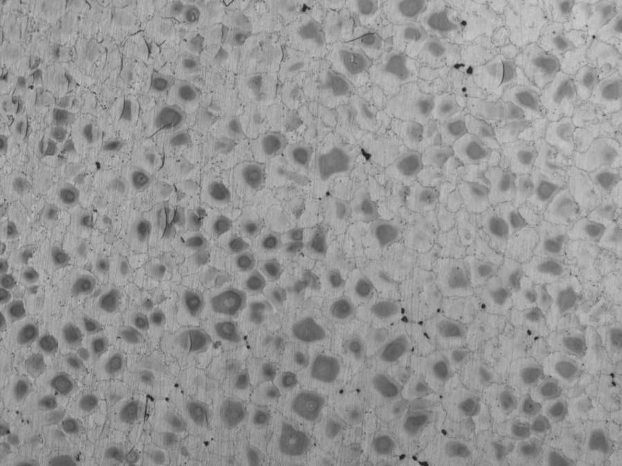
大佬们ZK60镁合金金相腐蚀为什么在晶粒中会出现黑斑
|
||
|
使用4%硝酸酒精进行腐蚀,看别人文献里面不论怎么样都是没有黑斑的,很奇怪,第二张图中间是腐蚀的比较轻,黑斑就少一些,可以看出晶界都没完全腐蚀出来,难道这里面是溶质偏聚? @comma 发自小木虫Android客户端 |
» 猜你喜欢
孩子确诊有中度注意力缺陷
已经有12人回复
2025冷门绝学什么时候出结果
已经有3人回复
天津工业大学郑柳春团队欢迎化学化工、高分子化学或有机合成方向的博士生和硕士生加入
已经有4人回复
康复大学泰山学者周祺惠团队招收博士研究生
已经有6人回复
AI论文写作工具:是科研加速器还是学术作弊器?
已经有3人回复
2026博士申请-功能高分子,水凝胶方向
已经有6人回复
论文投稿,期刊推荐
已经有4人回复
硕士和导师闹得不愉快
已经有13人回复
请问2026国家基金面上项目会启动申2停1吗
已经有5人回复
同一篇文章,用不同账号投稿对编辑决定是否送审有没有影响?
已经有3人回复
玲珑133
新虫 (著名写手)
- 应助: 0 (幼儿园)
- 金币: 3506.7
- 散金: 1101
- 红花: 2
- 帖子: 1224
- 在线: 411.1小时
- 虫号: 1376993
- 注册: 2011-08-23
- 性别: GG
- 专业: 核技术及其应用

2楼2021-09-16 20:52:56
9191924228
新虫 (正式写手)
- 应助: 0 (幼儿园)
- 金币: 1176.6
- 红花: 3
- 帖子: 400
- 在线: 8.8小时
- 虫号: 9570491
- 注册: 2018-07-21
- 专业: 金属材料
3楼2021-09-18 12:48:22
4楼2021-09-21 00:22:17
5楼2021-09-21 00:22:57














回复此楼