| ²é¿´: 1769 | »Ø¸´: 2 | |
| ¡¾ÐüÉͽð±Ò¡¿»Ø´ð±¾ÌûÎÊÌ⣬×÷Õߺڲ¨²»ºÚ½«ÔùËÍÄú 50 ¸ö½ð±Ò | |
ºÚ²¨²»ºÚгæ (³õÈëÎÄ̳)
|
[ÇóÖú]
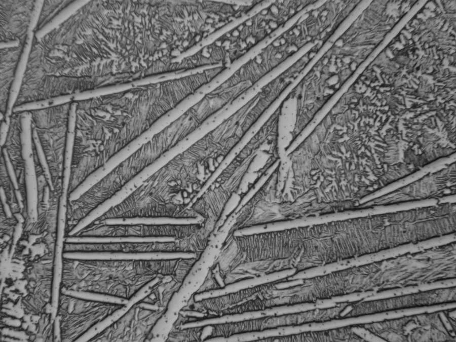
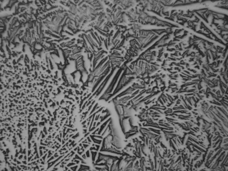
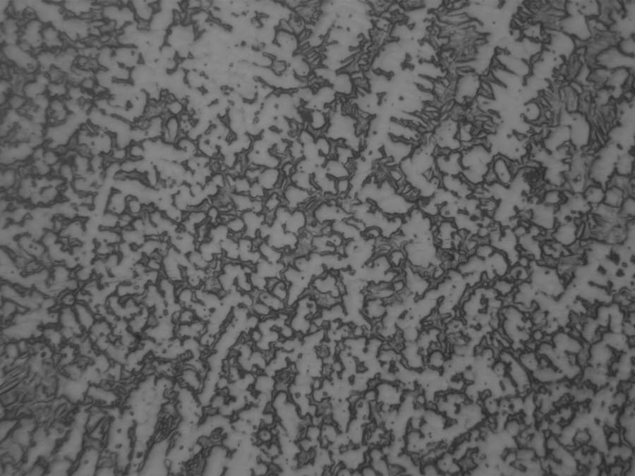
TC4½ðÏà·ÖÎöÇóÖú
|
|
|
|
æ¤æ¤Å£ÆøÐ³æ (СÓÐÃûÆø)
|
|
|
2Â¥2021-09-29 09:55:39
|
|
¶«´óÃ÷¸çÖÁ×ðľ³æ (ÖøÃûдÊÖ)
|
|
![]() |
|
|
3Â¥2021-10-28 13:59:26
|
|














»Ø¸´´ËÂ¥
