| ²é¿´: 1048 | »Ø¸´: 1 | |||
20210520гæ (³õÈëÎÄ̳)
|
[½»Á÷]
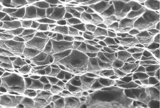
²»Ðâ¸ÖµÍγ£Î¸ßÎÂÀÉì¶Ï¿Ú
|
|
-40£¬³£Î£¬90¡ãµÄÀÉì¶Ï¿Ú£¬Óж®µÄ´ó¸çÂé·³·ÖÎöһϠ·¢×ÔСľ³æAndroid¿Í»§¶Ë |
» ²ÂÄãϲ»¶
295·ÖÇóµ÷¼Á
ÒѾÓÐ3È˻ظ´
ɽ¶«¸ßУ½Ìʦ¿¼ºË³¬¼¶ÎÞµ×Ïߣ¬Ô±¹¤¹ý²»ÏÂÈ¥À²
ÒѾÓÐ4È˻ظ´
Çóµ÷¼Á
ÒѾÓÐ7È˻ظ´
µ÷¼Á
ÒѾÓÐ19È˻ظ´
²ÄÁÏÓ뻯¹¤µ÷¼Á
ÒѾÓÐ10È˻ظ´
307Çóµ÷¼Á
ÒѾÓÐ8È˻ظ´
303Çóµ÷¼Á
ÒѾÓÐ3È˻ظ´
²ÄÁÏÓ뻯¹¤300Çóµ÷¼Á
ÒѾÓÐ35È˻ظ´
²ÄÁÏרҵ344Çóµ÷¼Á
ÒѾÓÐ21È˻ظ´
Ò»Ö¾Ô¸±±Àí¹¤298Ó¢Ò»Êý¶þÇóµ÷¼Á
ÒѾÓÐ15È˻ظ´
20210520
гæ (³õÈëÎÄ̳)
- Ó¦Öú: 0 (Ó×¶ùÔ°)
- ½ð±Ò: 28
- Ìû×Ó: 6
- ÔÚÏß: 1.4Сʱ
- ³æºÅ: 26441277
- ×¢²á: 2021-05-20
- רҵ: ½ðÊô²ÄÁϵÄÁ¦Ñ§ÐÐΪ
2Â¥2021-05-26 18:16:08













»Ø¸´´ËÂ¥
10